Foram encontradas 60 questões.
O objetivo principal da NR-10 é assegurar medidas de controle e de prevenção contra acidentes no trabalho com energia elétrica. Sobre a responsabilidade do cumprimento desta norma, os contratados pela empresa devem zelar pela sua segurança e saúde e a de outras pessoas que possam ser afetadas por suas ações ou omissões no trabalho. Sobre os contratados também há a responsabilidade, junto com a empresa, do cumprimento das disposições legais e regulamentares, inclusive quanto aos procedimentos internos de segurança e saúde.
Os contratados devem ainda, comunicar de imediato ao responsável pela execução do serviço sobre as situações
Provas
Provas
Nos ambientes com infraestrutura de engenharia e tecnologia constata-se a presença de vários motores de indução trifásicos e monofásicos. São equipamentos de grande investimento e de difícil reposição imediata. Todos os equipamentos elétricos são protegidos e essas proteções estão centralizadas no seu quadro de distribuição. Isto é necessário para motores isolados e também qualquer equipamento ligado na rede elétrica. Nas previsões impostas pela NBR 5410, em relação ao uso de disjuntores nos quadros de distribuição do circuito elétrico da carga, analise os itens a seguir:
I. Devem poder interromper qualquer sobrecorrente inferior ou igual à corrente de curto-circuito presumida no ponto em que o dispositivo for instalado;
II. Devem poder interromper qualquer sobrecorrente logo acima do valor da corrente nominal presumida para qualquer equipamento elétrico em uso;
III. Devem ser instalados de forma a impossibilitar alterações nos seus ajustes, por pessoas não advertidas e que sejam qualificadas;
IV. Devem ser instalados de forma a impossibilitar alterações nos seus ajustes, por pessoas não advertidas nem qualificadas.
Está correto o que se afirma em
Provas
Para garantir o ciclo de vida dos sistemas elétricos, os equipamentos terão que passar periodicamente por ensaios que objetivam a prevenção de falhas e a garantia da confiabilidade do sistema. Um técnico em eletrotécnica, para atender o que prescreve a NBR 5410, realizou o ensaio para medição da resistência de isolamento da instalação.
Sobre o correto procedimento no ato dessa medição, é correto afirmar que
Provas
Uma subestação industrial, de 13,8kV : 127_220V, é composta por partes específicas de funções que não podem ser sobrepostas.
Os dispositivos responsáveis pela proteção contra sobretensões, adequação do valor da tensão de AT para BT e isolamento tanto na entrada como na saída de tensão são respectivamente
Provas
A figura a seguir é um esquema elétrico de uma planta do sistema industrial responsável pela fabricação de material metálico rodante.

Com o objetivo de substituir o fusível, o técnico terá que observar o regime no qual os motores funcionarão.
Ao fazer a leitura e a interpretação do esquema, o técnico observou que B e D poderiam ser fechados ao mesmo tempo.
Neste caso, o fusível deve ser
Provas
Observe a figura a seguir e responda à próxima questão

Para atender às normas técnicas, há necessidade de representarmos graficamente a localização de: pontos de luz, tomadas, interruptores, fiação e circuitos elétricos, através da planta baixa.
Um técnico em eletrotécnica ficou encarregado de revisar o diagrama da instalação elétrica apresentada na planta baixa.
Sobre os condutores responsáveis pela alimentação das cargas, analise os itens a seguir.
I. Entre os elementos B e E há necessidade de substituir o condutor II pelo condutor neutro;
II. O eletroduto C possui todos os condutores necessários para ligar um interruptor;
III. O elemento A possui neutro e não há necessidade de instalar um retorno.
Está correto o que se afirma em
Provas
Observe a figura a seguir e responda à próxima questão

Para atender às normas técnicas, há necessidade de representarmos graficamente a localização de: pontos de luz, tomadas, interruptores, fiação e circuitos elétricos, através da planta baixa.
Um técnico em eletrotécnica ficou encarregado de revisar o diagrama da instalação elétrica apresentada na planta baixa.
Sobre o correto funcionamento da instalação, assinale (V) para verdadeiro e (F) para falso.
( ) O elemento A é um eletroduto embutido no solo e o elemento C é um eletroduto embutido no teto.
( ) O elemento D representa uma tomada com todos os condutores necessários.
( ) O elemento C contém os condutores fase, neutro e de proteção.
A sequência correta de preenchimento dos parênteses, de cima para baixo, é
Provas
Proteção contra: sobrecarga, inversão do sentido de giro, curtocircuito e falta de fase é fundamental para preservar a vida útil e a integridade dos equipamentos.
Conforme as normas vigentes, há casos onde se recomenda a omissão dos dispositivos de proteção contra sobrecargas em circuitos que alimentem determinados equipamentos.
Sobre a omissão dessa proteção, analise os itens a seguir:
I. Não é utilizada essa proteção nos circuitos que alimentam equipamentos em que o desligamento inesperado provoque uma situação de perigo.
II. Em circuitos alimentadores de bomba de incêndio, não se utiliza proteção contra sobrecargas e nem é interessante prever dispositivos de sinalização da sobrecarga.
III. Há previsão de omissão em circuitos de excitação de máquinas rotativas.
IV. Permite-se a omissão em circuitos secundários de TCs.
Está correto o que se afirma em
Provas
- EletrotécnicaCircuitos Elétricos em Eletrotécnica
- EletrotécnicaInstalações Elétricas em Eletrotécnica
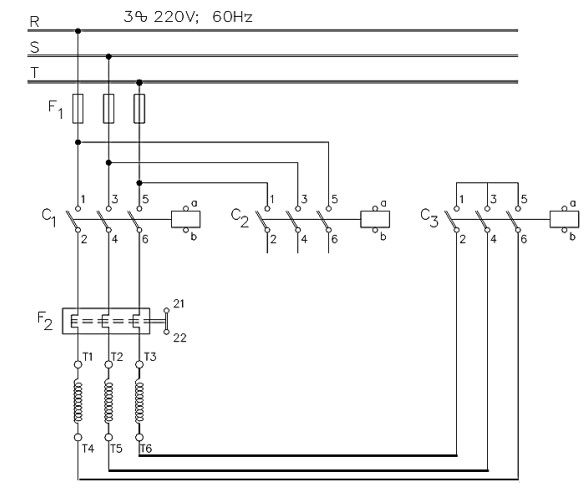
A figura a seguir é um diagrama de força, incompleto, para a partida de um motor de indução trifásico.

Um técnico em eletrotécnica foi solicitado para completar a ligação. O mesmo conectou os bornes de C2 aos bornes do motor com a configuração: 2–T6; 4–T5 e 6–T4.
Considerando somente as contactoras C1 e C2 energizadas, analise os itens a seguir sobre o comportamento do motor e assinale (V) para verdadeiro e (F) para falso.
( ) Ficará parado.
( ) Funcionará com a configuração triângulo.
( ) Inverterá o sentido de giro.
( ) Estará com a configuração estrela.
A sequência correta de preenchimento dos parênteses, de cima para baixo, é
Provas
Caderno Container