Foram encontradas 60 questões.
Havia em Florianópolis muitos cursos d'água canalizados (popularmente denominados "valas da malária"). Estes canais funcionaram satisfatoriamente durante várias décadas, evitando inundações. No final da década de sessenta e início da década de setenta, ocorreu uma explosão demográfi ca bastante intensa, com muitas áreas sendo loteadas, urbanizadas, e muitos lotes sendo edifi cados. Houve também um Plano de Pavimentação Comunitária (PPC), que propiciou que muitas ruas, antes de terra e esburacadas, fossem pavimentadas e recebessem a rede de drenagem pluvial. Concomitantemente, começaram a ocorrer inundações freqüentes em vários pontos da cidade, porque as antigas "valas da malária" não propiciavam mais vazão suficiente.
época, uma autoridade explicou a situação, disse que as valas não foram mal dimensionadas, e apresentou as causas para o aumento da vazão de contribuição.
Assinale abaixo a alternativa falsa?
Provas
Na figura, temos uma tesoura (treliça de telhado), simplesmente apoiada nas extremidades, e as terças descarregando 2 t cada uma.
sen 30º = 0,5 cos 30º = 0,866

Assinale a afi rmação correta:
Provas
Um contrato de execução de terraplenagem inclui a escavação e transporte de material argiloso. O contrato estabelece que serão pagos 10,00 um (unidades monetárias) por m³ escavado, medido no corte. Como tecnicamente houve dificuldades para medir o volume no corte, resolveu-se determinar a massa específi ca natural (γn) do material e a massa específi ca do material solto (γs), e fazer a medição do material solto usado no aterro.
Na medição consta que no aterro chegaram 1500,00 m³ de material solto e o contratado pretende receber 15000,00 um (unidades monetárias).
Sabendo que γn = 1700 kg/m3 e γs = 1190 kg/m3, qual das alternativas abaixo é correta?
Provas
Qual das afi rmações abaixo é falsa, com respeito à interpretação e conceito de curva de nível?
Provas
Uma empresa solicita um empréstimo para adquirir uma área, afi m de implantar uma indústria. Ela apresenta um desenho onde o terreno, que é um pentágono de lados retos, está representado num sistema de eixos ortogonais, contendo os vértices A, B, C, D, E e as coordenadas destes vértices.

A empresa afirma que o terreno tem 30 ha (1 hectare = 10.000 m²), mas não apresenta cálculo nenhum. Você, por precaução, calcula a área pelo método analítico de Gauss, que é uma soma de áreas trapezoidais, e constata que a área do terreno mede:
Provas
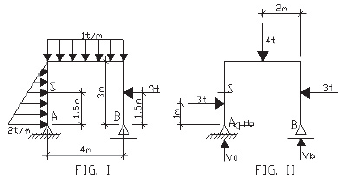
Temos abaixo uma estrutura plana carregada no próprio plano. Abaixo, são feitas afirmações referentes a esta estrutura.

Qual das afirmações é falsa?
Provas
Qual das afirmações abaixo é falsa?
Provas
Alguém lhe relata o seguinte problema e pede uma solução: "Meu chuveiro às vezes funciona bem e às vezes não funciona bem". Você faz uma vistoria no local e faz um croqui da situação, que resulta na fi gura abaixo:

Além do croqui, você ainda fez as seguintes constatações e cálculos:
1. Há espaço para elevar a caixa d'água mais 20 cm. (o fundo ficaria na cota 310).
2. O sensor que aciona a bomba elevatória e liga quando a água baixa 50 cm (na cota 320), permite ser regulado para ligar quando a água baixa 40 cm (na cota 330).
3. A tubulação existente, mais as perdas localizadas, desde a caixa d'água até o chuveiro, causam uma perda de carga de 0,40 mca (mca = metros de coluna d'água).
4. Trocando a tubulação existente por uma tubulação de diâmetro maior, e eliminando algumas perdas localizadas, a perda de carga poderia ser reduzida de 0,40 mca para 0,20 mca.
O chuveiro necessita de pressão dinâmica igual a 1 mca, para funcionar bem. Qual das alternativas abaixo resolve o problema?
Provas
Make complete sentences by matching the parts of the sentences correctly.
1.The Dutch discovered that…
2.Manhattan is the center of American…
3.The Dutch and English colonists…
4.New York was always a city…
( ) of immigrants and it still is.
( ) Manhattan Island's soil lay on hard rock.
( ) shared the same spirit of independence.
( ) finance, advertising, art, theater, fashion – and much more.
The correct sequence from the top to the bottom is:
Provas
What doesn't the text say about Wall Street?
Provas
Caderno Container