Foram encontradas 605 questões.
De acordo com a norma vigente, a NBR 5410/2004, os esquemas de aterramento, para efeito de proteção, são classificados em: TN , TT e IT.
O sistema TN tem um ponto diretamente aterrado, sendo as massas ligadas a este ponto através de condutores de proteção. De acordo com a disposição dos condutores, Neutro e de Proteção, podemos afirmar que o esquema abaixo representa um sistema TN do tipo:

Provas
O seguinte esquema unifilar representa um sistema de partida estrela-triângulo. Para quais valores de correntes os contatores K1, K2 e K3 deverão ser selecionados?

Provas
O diagrama a seguir representa um sistema de partida indireta estrela-triângulo para um motor trifásico de indução de 30 CV, 380/660 V, 42 A. Determine os valores de tensão e corrente medidos no contator K1, durante o tempo em que o motor estiver conectado para a partida em estrela.

Provas
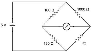
O circuito ilustrado na figura abaixo é usado como medidor por comparação, conhecido como ponte de Wheatstone. No seu ajuste, a ponte usa o conceito de detecção de zero que é um critério menos sensível a problemas de calibração de padrões de referência. Determine o valor da corrente que circulará pela fonte quando a ponte estiver no estado de equilíbrio, ou seja, quando o galvanômetro indicar uma corrente de zero amperes.

Provas
Disciplina: Segurança e Saúde no Trabalho (SST)
Banca: FUNCAB
Orgão: CAGECE
O técnico de segurança do trabalho de uma empresa de tratamento de água para abastecimento público, com o objetivo de avaliar as condições ambientais de calor, realizou, no posto de trabalho do oficial de manutenção mecânica, três avaliações ambientais, cujos resultados encontram-se na tabela abaixo.
Tabela
|
Temperatura em °C |
Avaliações Ambientais |
|
Temperatura de globo |
38 |
|
Temperatura de bulbo úmido natural |
23 |
|
Temperatura de bulbo seco |
30 |
Sabendo-se que o ambiente é interno, sem carga solar, o IBUTGem°C encontrado foi de:
Provas
Provas
Provas
Provas
O esquema a seguir representa um dos processos realizados em uma análise de águas. Nele, podem ser observadas algumas vidrarias comuns em laboratórios.

Assinale a alternativa que apresenta, correta e respectivamente, os nomes dessas vidrarias.
Provas
A tabela abaixo apresenta os valores de Kps de algumas substâncias:
|
Nome |
Kps |
|
Cloreto de chumbo II |
2 x 10-5 |
|
Sulfato de cálcio |
9 x 10-6 |
|
Hidróxido de cálcio |
4 x 10-6 |
|
Carbonato de cálcio |
3 x 10-9 |
|
Sulfato de bário |
1 x 10-10 |
|
Sulfeto de bário |
8 x 10-27 |
|
Hidróxido de alumínio |
1 x 10-33 |
Quais substâncias apresentam, respectivamente, a maior e a menor solubilidade em água?
Provas
Caderno Container