Magna Concursos

Foram encontradas 480 questões.

480772 Ano: 2010
Disciplina: Engenharia Elétrica
Banca: UFAL
Orgão: CASAL-AL
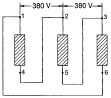
De acordo com os tipos de ligações de motores trifásicos, enumere a segunda coluna de acordo com a primeira.
1ª coluna 2ª coluna
1. Enunciado 2852088-1 ( ) Triângulo Série.
2. Enunciado 2852088-2 ( ) Dupla Estrela Paralelo
3. Enunciado 2852088-3 ( ) Triângulo Paralelo
4. Enunciado 2852088-4 ( ) Triângulo
5. Enunciado 2852088-5 ( ) Estrela - série
A sequência correta de cima para baixo está na opção
 

Provas

Questão presente nas seguintes provas
480771 Ano: 2010
Disciplina: Geologia
Banca: UFAL
Orgão: CASAL-AL
Provas:
Entre as opções abaixo, assinale a incorreta.
 

Provas

Questão presente nas seguintes provas
480770 Ano: 2010
Disciplina: Português
Banca: UFAL
Orgão: CASAL-AL
A questão refere-se ao texto seguinte.
“Ao planejar o que vai dizer, leve em consideração uma lista mental de questões a que sua fala deve responder; as lacunas que cada afirmação pode provocar à medida que enunciada; o tipo de predisposição do auditório às ideias que você defenderá; as condições e o contexto em que a comunicação ocorrerá.”
Os termos em negrito funcionam, respectivamente, como
 

Provas

Questão presente nas seguintes provas
480769 Ano: 2010
Disciplina: TI - Desenvolvimento de Sistemas
Banca: UFAL
Orgão: CASAL-AL
Provas:
Analisando as afirmativas seguintes,
I. Um framework é considerado caixa preta quando os seus testes são especificados e executados a partir de suas interfaces, sem necessidade de se analisar o código fonte.
II. Um framework é um artefato de software que define explicitamente suas partes fixas (frozen spots) e partes variáveis (hot spots).
III. Um componente de software é definido, necessariamente, por meio de partes fixas (frozen spots) e partes variáveis (hot spots).
IV. Um componente de software possui uma definição explícita de suas interfaces. Os serviços oferecidos por ele são especificados em suas interfaces providas, enquanto os serviços externos dos quais depende para executar podem ser especificados em suas interfaces requeridas.
verifica-se que
 

Provas

Questão presente nas seguintes provas
480768 Ano: 2010
Disciplina: Serviço Social
Banca: UFAL
Orgão: CASAL-AL
Provas:
No período do primeiro governo de Getúlio Vargas (1930-1945), foi criado um sistema de regulação de conflitos sociais, entre os quais se destacam:
 

Provas

Questão presente nas seguintes provas
480767 Ano: 2010
Disciplina: Contabilidade Geral
Banca: UFAL
Orgão: CASAL-AL
Provas:
Assinale a opção que indica uma transação que aumenta o patrimônio líquido.
 

Provas

Questão presente nas seguintes provas
480765 Ano: 2010
Disciplina: TI - Segurança da Informação
Banca: UFAL
Orgão: CASAL-AL
Provas:
Dentre as opções abaixo, relacionadas ao conceito de autenticação, assinale a opção incorreta.
 

Provas

Questão presente nas seguintes provas
480764 Ano: 2010
Disciplina: Engenharia Civil
Banca: UFAL
Orgão: CASAL-AL
São vantagens do processo de desaguamento lodos de estações de tratamentos de água e esgoto por leito de secagem, exceto:
 

Provas

Questão presente nas seguintes provas
480763 Ano: 2010
Disciplina: Direito Administrativo
Banca: UFAL
Orgão: CASAL-AL
Provas:

Dadas as inferências seguintes sobre Licitação,

I. Segundo a Constituição Federal de 1988, a Licitação é obrigatória para toda Administração Pública, seguindo os princípios da legalidade, da impessoalidade, da moralidade, da publicidade, da probidade administrativa, da vinculação ao instrumento convocatório, do julgamento objetivo.

II. A Lei nº 8.666/93 que regulamenta os processos de aquisições de bens e serviços pela administração publica, divide o Processo Licitatório em cinco modalidades diferenciadas basicamente pelo valor do bem ou serviço a ser contratado, são elas: Concorrência, Tomada de Preços, Carta Convite, Concurso e Leilão, não sendo acrescida nenhuma nova modalidade.

III. A legislação que regulamenta o Processo Licitatório é fundamentada em princípios, e qualquer ato cometido pelo gestor público que venha a ferir algum deles o deixará vulnerável a punições podendo ocasionar até a perda do mandato.

IV. As modalidades têm como critério de diferenciação o valor estimado para a compra, obra ou serviços a serem contratados. Porém, o §1º do artigo 23 da Lei n.º 8666/93 permite a utilização de uma modalidade mais complexa no lugar da mais simples, independentemente do valor do contrato, não sendo permitido o contrário.

verifica-se que

 

Provas

Questão presente nas seguintes provas
480762 Ano: 2010
Disciplina: Engenharia Ambiental e Sanitária
Banca: UFAL
Orgão: CASAL-AL
Provas:
Dadas as inferências seguintes relacionadas às boas práticas de laboratório,
I. Vidrarias utilizadas em laboratórios devem ser esvaziadas das soluções e solventes e enxaguadas com água antes de serem realizadas as limpezas específicas.
II. Os reagentes e soluções não devem ser identificados para evitar acidentes.
III. A lavagem dos recipientes que foram utilizados para coletas de amostras deve ser realizada com o uso de equipamentos de proteção individual.
IV. Em laboratórios de saneamento pode-se utilizar calçados abertos desde que não contenham saltos altos.
verifica-se que está(ão) correta(s)
 

Provas

Questão presente nas seguintes provas