Foram encontradas 1.125 questões.
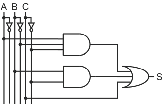
Um engenheiro de controle e automação industrial precisa substituir um circuito lógico que foi implementado com portas lógicas TTL por um sistema com microcontrolador e para isto deseja descobrir sua expressão booleana.
O circuito lógico pode ser visto na figura a seguir:

Considerando que as entradas sejam representadas pelas variáveis A, B e C e que a saída seja representada por S, assinale a alternativa que representa a expressão booleana do circuito lógico.
Provas
Sobre meios de cultura, é correto afirmar:
1. Os meios de cultura sólidos podem ser fundidos diversas vezes.
2. Alguns meios de cultura, como o DRBC, podem conter substâncias fotossensíveis e, por isso, precisam ser acondicionados em frascos âmbar ou envoltos em papel alumínio para proteção contra luz.
3. Os meios de cultura, após preparados, podem ser estocados sob refrigeração (6-18°C) por até 9 meses.
Assinale a alternativa que indica todas as afirmativas corretas.
Provas
Assinale a alternativa que cita corretamente a porcentagem aproximada da extensão original da formação fitogeográfica conhecida como “campos” no Estado de Santa Catarina.
Provas
Sobre as transformações estruturais e tendências conjunturais do mundo do trabalho, é correto afirmar:
Provas
A partir de uma lógica metodológica, a Avaliação de Programas Sociais demanda esforços que podem se estruturar em quatro tipos de produtos mais gerais, com maior ou menor aderência e especificidade ao problema social ou intervenção programática, a considerar:
Provas
- Legislação PrevidenciáriaResoluções do CNASResolução CNAS 145/2004: Política Nacional de Assistência Social
É objetivo da Política Nacional de Assistência Social:
Provas
Para desenvolver a Visita Institucional, o Assistente Social deve:
Provas
De acordo com a Lei nº 8.212/91, que dispõe sobre a organização da Seguridade Social no Brasil, a Previdência Social. Para tal, deve obedecer ao seguinte princípio e diretriz:
Provas
Disciplina: Estatuto do Idoso - Lei 10.741/2003
Banca: FEPESE
Orgão: CASAN-SC
Assinale a alternativa que indica corretamente a garantia de prioridade da pessoa idosa de acordo com o que está previsto no Estatuto do Idoso:
Provas
Para os fins do Estatuto da Cidade, serão utilizados, entre outros instrumentos da política urbana, os institutos tributários e financeiros, como por exemplo:
Provas
Caderno Container