Foram encontradas 165 questões.
As Boas Práticas de Laboratório são uma série de diretrizes que devem ser seguidas para assegurar o bom funcionamento do ambiente laboratorial. Dentre essas diretrizes, a Norma Brasileira da Associação Brasileira de Normas Técnicas (ABNT NBR) 10.004/2004 classifica os diferentes tipos de resíduos sólidos e semissólidos em duas classes: I e II; sendo a última, subdividida em IIA e IIB.
Associe, conforme a ABNT 10.004/2004, as Classes de Risco aos seus respectivos exemplos.
CLASSES DE RISCO
(1) Classe I
(2) Classe IIA
(3) Classe IIB
EXEMPLOS
( ) aço
( ) papéis
( ) entulho
( ) lubrificantes
( ) óleo mineral
( ) sucata de ferro
( ) matéria orgânica
( ) produtos químicos
A sequência correta é
Provas
As plantas terrestres e as algas verdes possuem características que as distinguem, decorrentes de adaptações evolutivas para a vida na terra. NÃO é(são) adaptação(ões) evolutiva(s):
Provas
As plantas terrestres vivem fixadas ao solo e dele obtêm água e nutrientes, interagindo entre si de diferentes maneiras.
Sobre a importância dos solos no processo de nutrição dos vegetais, é INCORRETO afirmar que
Provas
Considere a argumentação dada a seguir:
Premissa I: Elefantes são maiores que formigas.
Premissa II: Formigas são insetos.
Conclusão: Elefantes são maiores que insetos.
Assim, é correto afirmar que essa argumentação
Provas
Considere a tirinha a seguir.

Sobre o diálogo desenvolvido na tirinha, é correto afirmar que o pássaro permitiu ao macaco iniciar o jogo porque
Provas
Dada a seguinte proposição:
Um jovem é considerado estudioso se ele lê mais de dois livros por mês ou se ele gosta de Matemática.
A alternativa que corresponde à sua recíproca é
Provas
Considere o circuito.

A corrente total desse circuito vale
Provas
Três capacitores de 3 μF são associados de duas formas. No primeiro circuito, os capacitores são associados em série e, no segundo circuito, em paralelo. Cada associação é ligada a uma bateria de 12 V. A carga total de cada associação será, respectivamente:
Provas
A corrente resultante da ligação de um resistor de !$ 1 \ k\Omega !$ a uma fonte CA de v = 50 sen (377 t - 70º) V vale
Provas
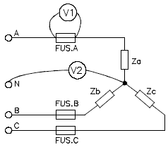
Considere o diagrama abaixo de um motor trifásico, protegido pelos fusíveis Fus.A, Fus.B e Fus.C, ligado a um sistema ABC de 440 V. As impedâncias do motor Za, Zb e Zc são de 20<40º !$ \Omega !$.

Em condições normais de funcionamento, a leitura dos voltímetros V1 e V2 será, respectivamente:
Provas
Caderno Container