Foram encontradas 165 questões.
De acordo com a NBR 5410, os valores limites de instalações elétricas de baixa tensão são
Provas
Segundo a norma NBR5410 – 2004, a cor de identificação do condutor PEN nas instalações elétricas deve ser
Provas
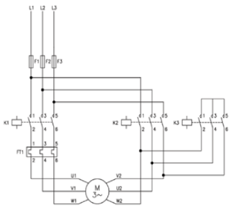
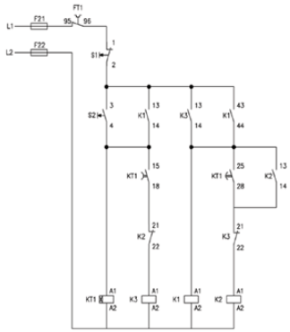
Considere o diagrama de uma chave de partida estrela-triângulo.


Com relação a esse diagrama, é correto afirmar que
Provas
Considere as bobinas de um motor de indução de 12 terminais, em que cada bobina suporta uma tensão nominal de 220 V.

Para alimentar esse motor em 440 V, é necessário fazer as ligações:
Provas
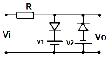
Considere o circuito.

Dados:
• Vi é uma tensão senoidal de amplitude V
• V é maior que V1
• V1 é maior que V2
• os diodos são ideais
O esboço que apresenta a forma de onda da tensão Vo é
Provas
Considere o circuito abaixo, no qual os diodos são ideais e a tensão de alimentação é senoidal, com amplitude V.

O esboço que apresenta as formas de onda de tensão Vo e Vd1, respectivamente, são:
Provas
Em relação aos fios e cabos, é correto afirmar que
Provas
Com relação ao navegador padrão do Windows 10 (2021), é função do Hub:
Provas
De acordo com o aplicativo do módulo WRITER, do LibreOffice na versão 7.1 (ou maior), no que tange a fontes de dados, é possível acessar dados de endereço existentes no sistema.
Para que uma fonte de dados (planilha, texto, JDBC, ODBC, etc.) seja diretamente acessível a partir de um documento do WRITER, ela deve ser registrada acessando a seguinte sequência de passos:
Provas
O OBS Studio é um software livre e de código aberto utilizado para gravação de vídeo e transmissão ao vivo. Para que a transmissão ocorra, é necessária uma chave de transmissão (stream key), que deve ser inserida em campo apropriado nas configurações do aplicativo. Dessa forma, o OBS Studio poderá se comunicar com o serviço de streaming escolhido pelo usuário para transmitir os dados.
Sobre a stream key, é correto afirmar que
Provas
Caderno Container