Foram encontradas 45 questões.
A transmissão de energia elétrica é um processo fundamental para o fornecimento de eletricidade em larga escala e envolve o transporte de energia em longas distâncias desde as usinas geradoras até os centros de distribuição.
Nesse contexto, assinale a alternativa que apresenta os principais elementos e características da transmissão de energia elétrica.
Provas
A geração de energia elétrica envolve a conversão de diferentes formas de energia em eletricidade. Existem princípios fundamentais da Física que são utilizados nesse processo, e estes variam de acordo com a fonte de energia utilizada.3
Assinale a alternativa que apresenta princípios físicos utilizados na conversão de diversas formas de energia em energia elétrica.
Provas
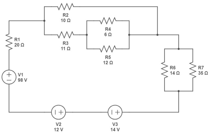
O circuito representado na figura a seguir é composto por três fontes de tensão CC e 7 resistores.

Assinale a alternativa que apresenta a resistência equivalente do circuito em Ohms e o módulo total da corrente em amperes.
Provas
Os motores elétricos assíncronos são amplamente utilizados em diversas aplicações industriais e residenciais devido às suas características de funcionamento eficiente e baixo custo.
Assinale a alternativa que contém um motor elétrico assíncrono.
Provas
Os sistemas digitais são essenciais na atualidade, e permite o processamento rápido e eficiente de informações, facilitando a automação, a comunicação e o avanço tecnológico em diversas áreas. Um dos fundamentos desses sistemas é a utilização da base binária para representação de dados.
Assinale a alternativa que apresenta a representação binária para o número decimal 583.
Provas
Assinale a alternativa correspondente ao golpe da internet por trás da propagação de fake news.
Provas

Nessa planilha, o valor da célula B5 foi calculado pela fórmula =MÁXIMO($B$2:B$4). Suponha que alguém tenha copiado a célula B5 (CTRL + C) e a colado na célula D5 (CTRL + V).
Assinale a alternativa que apresenta o valor presente na célula D5.
Provas
I. A colaboração em tempo real está disponível apenas na versão web do Microsoft Word. II. O usuário pode optar por acompanhar apenas suas próprias mudanças no controle de alterações. III. O compartilhamento de documentos pode ser feito apenas para documentos presentes no Microsoft OneDrive.
Estão corretas as afirmativas
Provas
Provas
I. Um Gigabyte é composto por 1.024 Megabytes. II. As memórias do tipo RAM aumentam a capacidade de armazenamento de arquivos do computador. III. São exemplos de serviços ofertados pela internet: web e e-mail.
Estão corretas as afirmativas
Provas
Caderno Container