Foram encontradas 940 questões.
O conjunto dos serviços compostos por abastecimento de água, esgotamento sanitário, limpeza urbana, drenagem em manejo de resíduos industriais é denominado:
Provas
Questão presente nas seguintes provas
Em relação a disjuntores, NÃO é correto afirmar:
Provas
Questão presente nas seguintes provas
A figura a seguir apresenta uma bacia hidrográfica e o açude que foi construído para minimizar a possibilidade de ocorrência de enchentes.

Considerando a ocorrência de uma chuva na região da bacia que contribuiu no açude P = 85mm; considerando que não ocorreu evapotranspiração e que a infiltração é de 45% da precipitação, que altura (em metros) do açude a água atingiu?
Provas
Questão presente nas seguintes provas
A figura abaixo apresenta uma topologia de um sistema elétrico de distribuição, normalmente aplicado em locais com maior densidade de cargas e que emprega rotas alternativas de alimentação das cargas em caso de contingências.

O nome dessa topologia de sistema de distribuição é:
Provas
Questão presente nas seguintes provas
O peso específico natural do solo é muito importante nos estudos e projetos geotécnicos. Para sua quantificação, os parâmetros geotécnicos necessários são
Provas
Questão presente nas seguintes provas
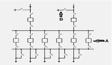
A figura abaixo ilustra um arranjo de subestação

Observando a figura em referência, NÃO é correto afirmar:
Provas
Questão presente nas seguintes provas
A respeito da Norma Regulamentadora NR-10, considere as seguintes afirmações:
1. Sempre que inovações tecnológicas forem implementadas, ou para a entrada em operações de novas instalações ou equipamentos elétricos, devem ser previamente elaboradas análises de risco, desenvolvidas com circuitos desenergizados, e respectivos procedimentos de trabalho.
2. Os serviços em instalações elétricas energizadas em AT, bem como aqueles executados no Sistema Elétrico de Potência – SEP, não podem ser realizados individualmente.
3. Zona controlada é definida como entorno de parte condutora energizada, não segregada, acessível, de dimensões estabelecidas de acordo com o nível de tensão, cuja aproximação é permitida a todos os profissionais que participam de trabalhos na instalação.
4. O uso de adornos pessoais por funcionários que trabalham com instalações elétricas é permitido, mediante autorização especial.
Está CORRETO apenas o que se afirma em:
Provas
Questão presente nas seguintes provas
A figura abaixo apresenta o gráfico comparativo dos custos para transmissão em corrente contínua (CC) e corrente alternada (CA).

Quanto a esses dois modelos de transmissão de energia elétrica, podemos afirmar:
Provas
Questão presente nas seguintes provas
Na modulação FM, a relação entre o desvio de frequência e a frequência máxima do sinal modulante é definida como seu índice de modulação e que afeta o espectro ocupado. O critério de Carson é utilizado para determinar, de forma aproximada, a largura de banda ocupada pelo sinal modulado FM ou o espectro significativo. Neste tema, se uma emissora de rádio FM tem permissão para a frequência máxima do sinal modulante de 15 kHz e um desvio máximo de 75 kHz, o espectro significativo ocupado ao redor da portadora é igual a:
Provas
Questão presente nas seguintes provas
São vantagens e desvantagens dos sistemas de cogeração distribuída, EXCETO:
Provas
Questão presente nas seguintes provas
Cadernos
Caderno Container