Foram encontradas 2.095 questões.
O termo pomada, de origem francesa, alude à circunstância de as primitivas preparações conterem suco de mação reineta (= pomme) que, possivelmente, desempenhava as funções de aromatizantes. Sobre as pomadas, analise as sentenças e identifique-as como verdadeiras (V) ou falsas (F) e assinale a alternativa que apresenta a sequência correta.
( ) Podem ser definidas como géis plásticos destinados principalmente à aplicação cutânea.
( ) São dotadas de propriedades que permitem, mediante um esforço mecânico mínimo, que a sua forma se modifique, adaptando-se às superfícies da pele.
( ) Sua viscosidade aumenta com o aumento da temperatura, o que acontece quando ficam em contato com a pele.
( ) Não é possível a constituição de uma pomada utilizando-se excipientes hidrofílicos.
Provas
“O processo de fotointerpretação é integrado aos objetivos do trabalho e depende de diversos fatores como a escala e prescrições do mapa, por exemplo, ou seja, qualquer processo interpretativo pode ser desenvolvido através de fases comuns, que são adaptadas a cada tipo de trabalho.”
O processo de interpretação envolve algumas etapas. A etapa que não faz parte é:
Provas
Informe se é falso (F) ou verdadeiro (V) o que se afirma abaixo sobre os tipos de dados proporcionados pelo receptor GPS, além do código C/A. A seguir, indique a opção com a sequência correta.
( ) portadora L1.
( ) portadoras L1 e L2.
( ) códigos P1 e P2 e portadoras L1 e L2.
( ) códigos L2C e P2 e portadoras L1 e L2.
Provas
Fading é um termo utilizado para descrever a continuidade do sinal em um receptor, durante o tempo em que está recebendo o sinal. Tal afirmação
Provas
Além das complicações mecânicas e sépticas da nutrição parenteral, podem ocorrer numerosas complicações metabólicas. Que tipo de complicação metabólica é manifestada pelo aumento (cerca de 5 vezes maior) da atividade enzimática da Alanina Aminotransferase (ALT)?
Provas
Em muitas aplicações de rádio-frequência utiliza-se um circuito AGC. O objetivo é que o sinal de áudio varie abruptamente quando se varia a frequência sintonizada. Tal circuito é conhecido como
Provas
Informe verdadeiro (V) ou falso (F) e marque a alternativa com a sequência correta.
( ) Quando um gerador tem seus enrolamentos ligados em triângulo, as tensões de linha são iguais as tensões de fase.
( ) Em circuitos em triângulo, as correntes de linha são iguais as correntes de fase.
( ) Quando um gerador tem seus enrolamentos ligados em Y, as tensões de linha são iguais as tensões de fase.
( ) Em circuitos em triângulo, as correntes de linha são iguais as correntes de fase, multiplicadas por raiz de três.
Provas
A resolução - RDC nº 4, de 10 de fevereiro de 2009, dispõe sobre as normas de farmacovigilância para os detentores de registro de medicamentos de uso humano. As notificações relacionadas à farmacovigilância devem ser encaminhas por meio do sistema eletrônico de notificação do SNVS definido pela Anvisa. Com relação à origem da notificação recebida pelos detentores de registro de medicamentos, devem ser encaminhadas ao SNVS (Sistema Nacional de Vigilância Sanitária) as notificações de eventos adversos relatadas por
Provas
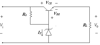
O circuito abaixo mostra um regulador em série. Então utilizando os seguintes parâmetros: β = 99 (ganho de corrente do transistor), Vi = 24V (tensão de entrada), VZ = 12V (tensão de Zener), VBE = 1V, RS = 500 e RL = 10, determine a corrente IZ.que passa pelo diodo Zener.

Provas
Constituindo um dos objetivos da filtração, a obtenção de líquidos límpidos, na prática, surge muitas vezes o problema de determinar o grau de clarificação conseguido depois de se ter feito tal operação. Existem porém, aparelhos especiais que permitem determinar rigorosamente e em bases quantitativas o grau de clarificação de um líquido. Qual desses aparelhos não possui esta finalidade?
Provas
Caderno Container