Foram encontradas 60 questões.
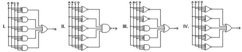
A tabela verdade apresentada é referente a um circuito lógico de quatro entradas e saída S. Considere-a para responder a questão a seguir.

O(s) circuito(s) correspondente(s) à tabela verdade pode(m) ser representado(s) pelo(s) seguinte(s) diagrama(s) lógico(s):

Estão corretos os diagramas
Provas
esportivo do mundo.
Provas
Os motores e geradores se assemelham por trabalharem com conversão eletromecânica de energia. Porém, há relações fundamentais que distinguem quando a máquina está trabalhando como motor ou gerador. De acordo com essas relações fundamentais, identifique as colunas como motor (M) ou gerador (G). A seguir, assinale a alternativa que apresenta a sequência correta.
( ) O torque eletromagnético opõe-se à rotação (Lei de Lenz).
( ) A tensão gerada ajuda a corrente de armadura.
( ) E = Va – Ia Ra.
( ) O torque eletromagnético ajuda a rotação.
( ) E = Va + Ia Ra.
( ) A tensão gerada se opõe à corrente de armadura (Lei de Lenz).
Provas
- Transformadores e Máquinas ElétricasMáquinas EstáticasTransformadores Trifásicos e Autotransformadores
Um autotransformador, teoricamente, é definido como um transformador de só um enrolamento. Porém, um transformador com vários enrolamentos ligados em série (em adição ou oposição) pode, também, ser considerado um autotransformador. A figura ilustra dois transformadores de dois enrolamentos ligados como autotransformadores. Observe.

Com base no exposto acima, assinale a alternativa correta.
Provas
esportivo do mundo.
Provas
esportivo do mundo.
Provas
esportivo do mundo.
Provas
Dado o circuito da figura, marque a alternativa que corresponde à sua função.

Provas
A figura ilustra um modelo matemático de um sistema físico de controle através do diagrama de bloco (a) e de um diagrama simplificado equivalente (b).

Marque a função de transferência K(s) para que a função do bloco da figura (b) seja equivalente ao diagrama da figura (a).
Provas
esportivo do mundo.
Provas
Caderno Container