Foram encontradas 60 questões.
O micro computador possui muitos dispositivos, sendo destacado o microprocessador. São funções do microprocessador, exceto:
Provas
esportivo do mundo.
(I) Construção inadequada de acordo com a norma padrão.
( ) “[...] está a criação de zonas de exclusão aéreas,[...]”
( ) “Depois vieram a Copa das Confederações, em junho de 2013,[...]”
Provas
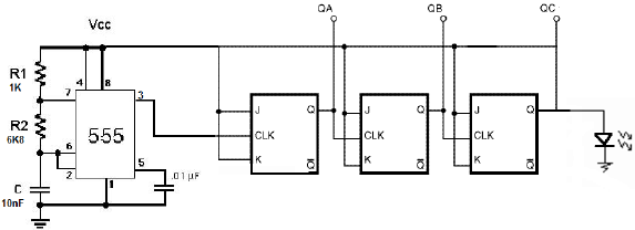
O circuito a seguir demonstra um contador e um gerador de clock, através de um 555.

Assinale a alternativa que melhor define a frequência de saída sobre o LED, em Hz.
Provas

De acordo com o circuito apresentado, a corrente que circula por R1 é, em mA,
Provas
Provas

Medir é estabelecer uma relação numérica entre uma grandeza e outra, de mesma espécie, tomada como unidade. Na figura, o voltímetro está medindo a tensão que se encontra sobre R2. Sabe-se que a sensibilidade do instrumento é de 10 ke/V e que a escala de 20 V foi selecionada. O valor da tensão indicada no voltímetro em V, é
Provas
Dentro do processo produtivo, o transmissor de pressão é um dos instrumentos mais utilizados. Ele capta o sinal do elemento primário, o processa e o leva ao elemento que irá, efetivamente, fazer o controle. Um transmissor de pressão, cuja faixa de medição é 0 a 12 kgf/cm2 e a saída de 4 a 20 mA, mede uma pressão de 7 kgf/cm2. Nesta condição, o sinal de saída em mA, é igual a
Provas

A curva de calibração de uma célula de carga uniaxial, de carga nominal máxima igual a 200 kgf, é apresentada na figura. Quando essa célula estiver sob 40 kgf de carregamento, o módulo do sinal de saída, em mV, será
Provas
II. ainda que;
III. conquanto;
IV. assim como.
Provas
A maioria dos sistemas digitais que realizam cálculos são capazes de operar com números positivos e negativos. Para diferenciá-los é necessária a inserção de um bit de sinal. A figura ilustra um número com esta representação.

O número representado pela figura é
Provas
Caderno Container