Foram encontradas 60 questões.
Duas barras de materiais distintos e diâmetros diferentes estão alinhadas concentricamente e isoladas do meio externo, de modo que ocorre apenas condução térmica através delas. A extremidade mais quente está a 400°C e a mais fria, a 100°C. Uma barra tem o dobro do comprimento da outra, e a área de sua secção transversal é o dobro da área da outra barra. A condutividade térmica da barra mais fina é o dobro da condutividade da barra mais longa. A temperatura na junção das duas barras é
Provas
esportivo do mundo.
Provas
esportivo do mundo.
Provas
Quanto aos tratamentos térmicos dos aços, que recebem denominações diferentes de acordo com a velocidade de esfriamento ou com o produto obtido, assinale a alternativa correta.
Provas
A figura abaixo, apresenta um eixo, que está sendo solicitado por uma força axial, enquanto a roda está travada por forças normais e radiais. Na figura está indicado um pino que tem diâmetro 6,0 mm e comprimento igual ao diâmetro do cubo da roda. Considere que todos os componentes são de aço com limite de escoamento de 210 MPa e 300 MPa de limite de ruptura à tração, 140 MPa e 200 MPa, para cisalhamento, respectivamente. O ajuste entre o eixo e o furo do cubo da roda determina uma força de atrito de 500 N.
Eixo e roda sobre tração

Determine o menor valor da força que atua sobre o eixo capaz de romper a ligação entre este componente e a roda. Assinale a alternativa que apresenta o valor correto. (Apino = 28,26 mm2)
Provas
Provas
Em relação à cladização, um dos métodos preventivos contra a corrosão, assinale a alternativa correta.
Provas
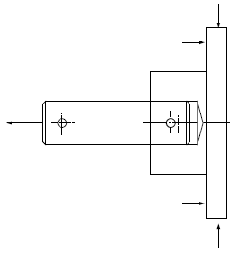
A figura abaixo representa o corte de um conjunto. Nas alternativas apresentadas a seguir, M1, M2, M3, ..., Mn são usadas para indicar tipos de materiais diferentes e 1x, 2x, ..., nx são usadas para indicar o número de peças de um mesmo material. Assim, por exemplo, 2xM1 indica que há duas peças do material M1.
Corte de Conjunto – Esboço

Assinale a alternativa que descreve a composição correta do conjunto.
Provas
esportivo do mundo.
Provas
(2) Acentuam-se todas as paroxítonas terminadas em ditongo (seguido ou não de s).
(3) Acentuam-se as monossílabas tônicas terminadas em -a, -e, -o (seguidos ou não de s).
(4) Acentuam-se todas as paroxítonas que trazem qualquer outra terminação, menos -a(s), -e(s), -o(s), -em(-ens).
( ) matéria
( ) hóspede
( ) horários
( ) plausível
( ) falássemos
Provas
Caderno Container