Foram encontradas 520 questões.
A figura a seguir representa parte da faixa de botões de ação (ferramentas) da guia PÁGINA INICIAL do Microsoft Word 2013:

Numere os parênteses, relacionando cada elemento numerado com alguma(s) de sua(s) respectiva(s) funcionalidade(s)
( ) Aumentar o recuo (distância da margem).
( ) Aplicar efeito subscrito ao texto selecionado.
( ) Mudar a cor atrás do texto selecionado ou parágrafo.
( ) Criar uma lista com marcadores.
( ) Aplicar efeitos visuais ao texto selecionado.
( ) Alterar o espaçamento entre as linhas do texto ou parágrafo.
A sequência correta é
Provas
I. ch referencia Suíça II. cn referencia Canadá III. cs referencia Sérvia e Montenegro
Estão corretas
Provas
Provas
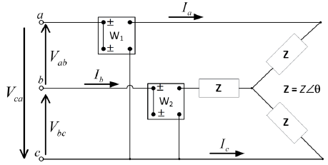
Com isto, a potência reativa total e a aparente total em função de P1 e P2 são dadas respectivamente por
Provas
- Manual de Redação da Presidência da RepúblicaAs Comunicações OficiaisPadrão OfícioPartes do documento no Padrão Ofício
- Manual de Redação da Presidência da RepúblicaAs Comunicações OficiaisPadrão OfícioO Padrão Ofício
Provas
Disciplina: Direito Administrativo
Banca: Col. Pedro II
Orgão: Col. Pedro II
Provas
Disciplina: Direito Administrativo
Banca: Col. Pedro II
Orgão: Col. Pedro II
A Lei nº 8.429/1992, mais conhecida como “Lei de Improbidade Administrativa”, dispõe sobre as sanções aplicáveis aos agentes públicos nos casos de enriquecimento ilícito no exercício de mandato, cargo, emprego ou função na administração pública direta, indireta ou fundacional e dá outras providências.
No que se refere aos dispositivos dessa Lei, analise as assertivas:
I. Ocorrendo lesão ao patrimônio público por ação ou omissão, dolosa ou culposa, do agente ou de terceiro, dar-se-á o integral ressarcimento do dano.
II. Será punido com a pena de suspensão por 60 (sessenta) dias e multa, sem prejuízo de outras sanções cabíveis, o agente público que se recusar a prestar declaração dos bens, dentro do prazo determinado, ou que a prestar falsa.
III. O sucessor daquele que causar lesão ao patrimônio público ou se enriquecer ilicitamente está sujeito às cominações desta lei até o limite do valor da herança.
IV. Na fixação das penas previstas nesta lei, o juiz levará em conta a extensão do dano causado, sem considerar o proveito patrimonial obtido pelo agente.
Estão corretas
Provas
Disciplina: Direito Administrativo
Banca: Col. Pedro II
Orgão: Col. Pedro II
Sobre as modalidades de licitação de compras e serviços e os limites de valores a elas relacionados, associe as colunas
I. Tomada de preços
II. Dispensa de licitação
III. Concorrência
IV. Convite
( ) Acima de R$ 650.000,00
( ) Acima de R$ 8.000,00 até R$ 80.000,00
( ) Acima de R$ 80.000,00 até R$ 650.000,00
( ) Até R$ 8.000,00
A sequência correta é
Provas
Uma empresa de fornecimento de serviço de internet recebe todos os dias, no setor de atendimento ao cliente, ligações para resolver pequenos problemas relativos ao sinal da internet banda larga. Com a intenção de melhorar o serviço e realizar previsões, o responsável pelo setor recebeu a ordem de inserir todos os dados semanais de cada atendente em uma planilha do Excel.
Os dados a seguir se referem a um dos atendentes desta empresa em exatamente uma semana de atendimento.

A seguir ele deveria criar, para cada semana/atendente, um gráfico de dispersão e fazer o ajuste dos dados por uma reta. O modelo escolhido por ele foi y = ax + b + e, resultando no gráfico a seguir, onde x é o número de ligações atendidas e y, o de ligações com o problema resolvido:

Caso ocorram 100 ligações, para se obter os valores de a e b e o valor futuro de resolução de problemas com o sinal, a função no Excel a ser executada é
Provas
- Gestão de ProcessosOrganizações, Sistemas e Métodos
- PODC: Processo OrganizacionalProcesso Administrativo: OrganizaçãoEstrutura Organizacional
Provas
Caderno Container