Foram encontradas 120 questões.

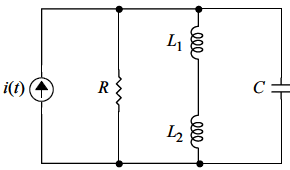
Considere que o circuito RLC paralelo ilustrado acima seja excitado por um gerador de corrente alternada (c.a.) cuja amplitude é dada pela expressão i(t) = Icos(!$ \omega !$t + i!$ \oslash !$) [A], e que a frequência de operação (!$ \omega !$) desse gerador ajustável. Com base nessas informações, julgue o item a seguir.
Em geral, a impedância (Z) vista pela gerador de corrente depende da frequência de operação e dos valores de resistência, indutâncias e capacitância do circuito.
Provas
Um diodo semicondutor é um dispositivo eletrônico implementado a partir da união metalúrgica entre materiais semicondutores dos tipos n e p. Por ser um dispositivo com característica elétrica fortemente não-linear, o diodo pode operar em condução ou em corte, resultando em diversas aplicações de interesse. A relação corrente-tensão (i(t) × v(t)) para um diodo em plena condução pode ser aproximada pela expressão !$ i(t) = I_S\,exp { \begin{bmatrix} { \large v(t) \over nV_T} \end{bmatrix}} !$, em que IS é a corrente de saturação, VT é a tensão térmica e n é uma constante empírica. Com respeito às propriedades de um diodo semicondutor, julgue o seguinte item.
O circuito externo conectado ao diodo deve ser cuidadosamente projetado para limitar a corrente direta do diodo, em caso de condução, e para limitar a tensão reversa do diodo, em caso de corte.
Provas
Um diodo semicondutor é um dispositivo eletrônico implementado a partir da união metalúrgica entre materiais semicondutores dos tipos n e p. Por ser um dispositivo com característica elétrica fortemente não-linear, o diodo pode operar em condução ou em corte, resultando em diversas aplicações de interesse. A relação corrente-tensão (i(t) × v(t)) para um diodo em plena condução pode ser aproximada pela expressão !$ i(t) = I_S\,exp { \begin{bmatrix} { \large v(t) \over nV_T} \end{bmatrix}} !$ , em que IS é a corrente de saturação, VT é a tensão térmica e n é uma constante empírica. Com respeito às propriedades de um diodo semicondutor, julgue o seguinte item.
A corrente total de um diodo é constituída pelo fluxo de elétrons livres e lacunas que cruzam a junção pn. O fluxo de lacunas pode ser interpretado como sendo o deslocamento orientado de elétrons de valência do cristal semicondutor.
Provas
Um diodo semicondutor é um dispositivo eletrônico implementado a partir da união metalúrgica entre materiais semicondutores dos tipos n e p. Por ser um dispositivo com característica elétrica fortemente não-linear, o diodo pode operar em condução ou em corte, resultando em diversas aplicações de interesse. A relação corrente-tensão (i(t) × v(t)) para um diodo em plena condução pode ser aproximada pela expressão !$ i(t) = I_S\,exp { \begin{bmatrix} { \large v(t) \over nV_T} \end{bmatrix}} !$ , em que IS é a corrente de saturação, VT é a tensão térmica e n é uma constante empírica. Com respeito às propriedades de um diodo semicondutor, julgue o seguinte item.
Para que o diodo possa conduzir, é necessário que a junção pn esteja diretamente polarizada, ou seja, o terminal correspondente ao material do tipo n deve estar a um potencial mais elevado do que aquele do material do tipo p.
Provas
Um diodo semicondutor é um dispositivo eletrônico implementado a partir da união metalúrgica entre materiais semicondutores dos tipos n e p. Por ser um dispositivo com característica elétrica fortemente não-linear, o diodo pode operar em condução ou em corte, resultando em diversas aplicações de interesse. A relação corrente-tensão (i(t) × v(t)) para um diodo em plena condução pode ser aproximada pela expressão !$ i(t) = I_S\,exp { \begin{bmatrix} { \large v(t) \over nV_T} \end{bmatrix}} !$ , em que IS é a corrente de saturação, VT é a tensão térmica e n é uma constante empírica. Com respeito às propriedades de um diodo semicondutor, julgue o seguinte item.
Um material semicondutor do tipo n é dopado com átomos doadores (por exemplo, átomos de fósforo), resultando em uma concentração maior de elétrons livres comparativamente ao material semicondutor intrínseco (puro). Por sua vez, um material semicondutor do tipo p é dopado com átomos receptores (por exemplo, átomos de boro), resultando em uma concentração maior de lacunas comparativamente ao material semicondutor intrínseco.
Provas
Um diodo semicondutor é um dispositivo eletrônico implementado a partir da união metalúrgica entre materiais semicondutores dos tipos n e p. Por ser um dispositivo com característica elétrica fortemente não-linear, o diodo pode operar em condução ou em corte, resultando em diversas aplicações de interesse. A relação corrente-tensão (i(t) × v(t)) para um diodo em plena condução pode ser aproximada pela expressão !$ i(t) = I_S\,exp { \begin{bmatrix} { \large v(t) \over nV_T} \end{bmatrix}} !$ , em que IS é a corrente de saturação, VT é a tensão térmica e n é uma constante empírica. Com respeito às propriedades de um diodo semicondutor, julgue os seguintes item.
Para uma variação de uma década (isto é, fator de 10) na corrente do diodo em condução, a variação correspondente de tensão é nVT, aproximadamente.
Provas

Considerando que o circuito ilustrado na figura acima seja alimentado por uma fonte contínua (c.c.) de valor nominal V e esteja fechado no instante t = 0, e que os capacitores desse circuito estejam inicialmente descarregados, julgue o item que se segue.
Em regime permanente, a tensão nos terminais do capacitor !$ C_2 !$ é !$ V_{C2} = V x { \large C_3 \over C_2 + C_3} !$.
Provas

Considerando que o circuito ilustrado na figura acima seja alimentado por uma fonte contínua (c.c.) de valor nominal V e esteja fechado no instante t = 0, e que os capacitores desse circuito estejam inicialmente descarregados, julgue o item que se segue.
Em regime permanente, a corrente que passa pelos capacitores C2 e C3 não será nula.
Provas

Considerando que o circuito ilustrado na figura acima seja alimentado por uma fonte contínua (c.c.) de valor nominal V e esteja fechado no instante t = 0, e que os capacitores desse circuito estejam inicialmente descarregados, julgue o item que se segue.
Imediatamente após o fechamento da chave, a tensão nos terminais do capacitor C1 será nula.
Provas

Considerando que o circuito ilustrado na figura acima seja alimentado por uma fonte contínua (c.c.) de valor nominal V e esteja fechado no instante t = 0, e que os capacitores desse circuito estejam inicialmente descarregados, julgue o item que se segue.
Com o circuito fechado, a resistência e a capacitância equivalentes são, respectivamente, !$ R_{eq} = { \large R \over 3} !$ e !$ C_{eq} = { \large C_1 (C_2 + C_3) \over C_1 + C_2 + C_3} !$.
Provas
Caderno Container