Foram encontradas 210 questões.
Um sistema de transmissão digital é composto basicamente de fonte digital binária, codificador de fonte com taxa de compressão 20:1 e modulação 32 QAM. Admitindo-se que a fonte gera dígitos binários na taxa de 10 Mbits/s, a taxa na saída do modulador, expressa em kbaud, é:
Provas

O circuito de lógica digital mostrado na figura acima pode ser simplificado para o circuito:
Provas

A Figura 1 acima representa um Circuito Integrado (CI) TTL 7402. Monta-se um circuito digital ligando-se o pino 6 ao pino 1 e o pino 2 ao pino 11 do CI. Considere que o CI esteja em perfeito estado e corretamente alimentado. Se as formas de onda S1, S2, S3 e S4 (Figura 2) forem aplicadas, respectivamente, nos pinos 4, 5, 12 e 13 do CI, a forma de onda produzida no pino 3 será representada por:
Provas
Observe abaixo o diagrama de blocos de um gerador de seqüências pseudo-aleatórias (PN). Seqüências PN são empregadas em diversas aplicações, merecendo destaque o uso dessas seqüências na sincronização de receptores digitais e no espalhamento espectral de sistemas CDMA. O aumento da quantidade m de flipflops do registrador de deslocamento empregado no gerador permite que o(a):

Provas

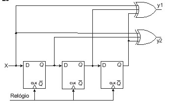
A figura acima ilustra o diagrama de um codificador
convolucional de taxa ½, muito empregado na correção de
erros em sistemas de transmissão digital. Nessa figura, X
representa a seqüência binária gerada pela fonte e y1 e y2
são as seqüências codificadas. Admitindo-se que, inicialmente,
os flip-flops armazenem o bit lógico 0 e que a seqüência
de bits de entrada é X={1, 0, 1, 1}, as seqüências codificadas
y1 e y2 são, respectivamente:
Provas



In the sentence "Even though their status often differs from one country to the next, airports have a common aim..." (lines 45-46), "even though" can be correctly substituted by:
Provas



In the line 34, "elsewhere" could be replaced by:
Provas
De acordo com o Art. 62 da Lei nº 8.666/1993, o instrumento hábil obrigatório nos casos de concorrência e de tomada de preços é o(a):
Provas
As obras e serviços, quando contratadas com terceiros pela Administração Pública, salvo hipóteses previstas na Lei, são necessariamente precedidas de licitações. O Art. 22 da Lei nº 8.666/1993 prevê cinco modalidades de licitação. A modalidade de licitação para escolha de trabalho técnico, científico ou artístico, mediante a instituição de prêmios ou remuneração aos vencedores, é a(o):
Provas
A Lei Complementar nº 101, de 4 de maio de 2000, estabelece normas de finanças públicas voltadas para a responsabilidade da gestão fiscal. A Seção II, Subseção I, Art. 19 define que a despesa total com pessoal não poderá exceder, em cada período de apuração, percentuais da receita corrente líquida. No caso da União, esse percentual é de:
Provas
Caderno Container