Foram encontradas 1.493 questões.

Considerando que os elementos do circuito elétrico acima são ideais e que as resistências são dadas em S, julgue os itens de 83 a 87, a respeito das correntes elétricas.
i4 + i3 = 1 mA.
Provas

Considerando que os elementos do circuito elétrico acima são ideais e que as resistências são dadas em S, julgue os itens de 83 a 87, a respeito das correntes elétricas.
1.000 i1 – 2.000 i2 = 2.
Provas
Acerca dos princípios de comunicação óptica, julgue os itens a seguir.
Na banda passante de uma fibra óptica, é possível transmitir informação de um grande número de usuários, principalmente com o uso da técnica WDM (wave division multiplexing).
Provas
Acerca dos princípios de comunicação óptica, julgue os itens a seguir.
Na fibra óptica monomodo, um único modo de propagação é guiado, enquanto que, em uma fibra multimodo, vários modos se propagam.
Provas
Acerca dos princípios de comunicação óptica, julgue os itens a seguir.
Para que haja o processo de reflexões sucessivas que confina a luz transmitida em uma fibra óptica, é necessário que o índice de refração do núcleo da fibra seja inferior ao da casca.
Provas
Acerca dos princípios de comunicação óptica, julgue os itens a seguir.
Em razão da alta taxa de atenuação e do atraso de propagação associadas às fibras ópticas, elas não são, geralmente, apropriadas para interligar redes de computadores localizadas em diferentes municípios.
Provas

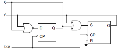
A respeito das saídas X e Y do circuito lógico representado na figura acima, é correto afirmar que, se o estado presente dos flipflops for
X = 1 e Y = 0, após um ciclo completo do sinal de clock, o estado será X = 1 e Y = 1.
Provas

Considerando a figura acima, que ilustra o diagrama de blocos de um sistema de comunicação digital, julgue os próximos itens.
A encriptação visa tornar a mensagem transmitida ininteligível para receptores não autorizados.
Provas

Considerando a figura acima, que ilustra o diagrama de blocos de um sistema de comunicação digital, julgue os próximos itens.
Se o sistema ilustrado for usado para a transmissão de um sinal de voz, esse sinal deverá sofrer a conversão analógico-digital na etapa de formatação.
Provas

Considerando a figura acima, que ilustra o diagrama de blocos de um sistema de comunicação digital, julgue os próximos itens.
A técnica QAM (quadrature amplitude modulation) permite transmitir, no máximo, quatro bits por símbolo.
Provas
Caderno Container