Foram encontradas 100 questões.
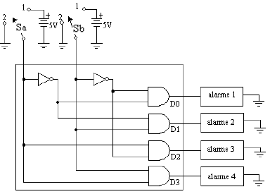
Sabendo que, no circuito abaixo, temos as chaves Sa e Sb nas entradas do decodificador de linha, para que situação das mesmas haverá o acionamento do alarme número 4?

Provas
Questão presente nas seguintes provas
A única alternativa que não apresenta uma aplicação prática para o circuito PLL é
Provas
Questão presente nas seguintes provas
Empregue corretamente os pronomes oblíquos átonos entre parênteses junto aos verbos destacados e marque P para próclise e E para ênclise.
( ) Ao ver aquilo, saí apavorada, deixando para trás. (as)
( ) Quem disse tamanho absurdo a meu respeito? (lhe)
( ) Deus livre das pessoas de más intenções. (nos)
( ) Nunca amarei mais do que a mim mesmo. (te)
( ) Tudo tornará melhor após essa crise. (se)
( ) Quem disse tamanho absurdo a meu respeito? (lhe)
( ) Deus livre das pessoas de más intenções. (nos)
( ) Nunca amarei mais do que a mim mesmo. (te)
( ) Tudo tornará melhor após essa crise. (se)
A alternativa que contém a sequência correta é
Provas
Questão presente nas seguintes provas
Em qual das alternativas o termo em destaque exerce a função sintática de predicativo do objeto?
Provas
Questão presente nas seguintes provas
O de uma porta é o número de portas que podem ser alimentadas pela saída e isto depende de como a porta é utilizada na sequência lógica.
Provas
Questão presente nas seguintes provas
A questão refere-se ao texto acima.
Aniversário
Álvaro de Campos
No tempo em que festejavam o dia dos meus anos,
Eu era feliz e ninguém estava morto.
Na casa antiga, até eu fazer anos era uma tradição de há séculos,
E a alegria de todos, e a minha, estava certa com uma religião
qualquer.
Eu era feliz e ninguém estava morto.
Na casa antiga, até eu fazer anos era uma tradição de há séculos,
E a alegria de todos, e a minha, estava certa com uma religião
qualquer.
(...)
O que eu sou hoje é terem vendido a casa,
É terem morrido todos,
É estar eu sobrevivente a mim-mesmo como um fósforo frio ...
É terem morrido todos,
É estar eu sobrevivente a mim-mesmo como um fósforo frio ...
(...)
Pára, meu coração!
Não penses! Deixa o pensar na cabeça!
Ó meus Deus, meu Deus, meu Deus!
Hoje já não faço anos.
Duro.
Somam-se-me dias.
Serei velho quando o for.
Mais nada.
Raiva de não ter trazido o passado roubado na algibeira!...
O tempo em que festejavam o dia dos meus anos!...
Não penses! Deixa o pensar na cabeça!
Ó meus Deus, meu Deus, meu Deus!
Hoje já não faço anos.
Duro.
Somam-se-me dias.
Serei velho quando o for.
Mais nada.
Raiva de não ter trazido o passado roubado na algibeira!...
O tempo em que festejavam o dia dos meus anos!...
Vocabulário:
algibeira: bolso que faz parte integrante da roupa
algibeira: bolso que faz parte integrante da roupa
No verso: “Raiva de não ter trazido o passado roubado na algibeira!...”, o eu poético
Provas
Questão presente nas seguintes provas
Das alternativas que se seguem, apenas uma não apresenta predicado verbal. Assinale-a.
Provas
Questão presente nas seguintes provas
1403917
Ano: 2008
Disciplina: Engenharia de Telecomunicações
Banca: DIRENS Aeronáutica
Orgão: EEAr
Disciplina: Engenharia de Telecomunicações
Banca: DIRENS Aeronáutica
Orgão: EEAr
Provas:
Relacione a coluna da esquerda com a da direita e, em seguida, assinale a sequência correta nas opções abaixo.
1- fibra monomodo ( ) enlaces intercontinentais
2- fibra multímodo ( ) mais econômico
( ) núcleo finíssimo
( ) menor atenuação
( ) Apresenta dispersão modal
2- fibra multímodo ( ) mais econômico
( ) núcleo finíssimo
( ) menor atenuação
( ) Apresenta dispersão modal
Provas
Questão presente nas seguintes provas
Sabendo-se que um transistor tem um β = 200 e uma corrente de base IB = 50μA, determine a sua corrente de emissor.
Provas
Questão presente nas seguintes provas
Assinale a alternativa que aponta a correta correspondência entre o adjetivo e sua forma de superlativo absoluto sintético.
Provas
Questão presente nas seguintes provas
Cadernos
Caderno Container