Foram encontradas 100 questões.
Leia:
Camilo pegou-lhe nas mãos, e olhou para ela sério e fixo.
Jurou que lhe queria muito, que os seus sustos pareciam de criança; em todo caso, quando tivesse algum receio, a melhor cartomante era ele mesmo.
Com relação ao número de pronomes destacados no texto acima, é correto afirmar que há
Provas
Questão presente nas seguintes provas
Leia o trecho abaixo:
Meu coração
Não sei por que
Bate feliz
Quando te vê
E os meus olhos
Ficam sorrindo...
E pelas ruas
Vão te seguindo
Mas mesmo assim
Foges de mim.
Qual figura de linguagem é utilizada nos versos destacados?
Provas
Questão presente nas seguintes provas
Determine o valor de uma resistência desconhecida Rx, através de uma ponte de Wheatstone, sabendo-se que a razão de R1/R2 é de 1/80, e R3 é igual a 420!$ \Omega !$.

Provas
Questão presente nas seguintes provas
A figura abaixo apresenta o símbolo elétrico de um diodo

Provas
Questão presente nas seguintes provas
Um transformador está ligado a uma fonte de 200V e fornece em sua saída 25V. Qual é o número de espiras do primário, sabendo-se que o seu secundário tem 30 espiras?
Provas
Questão presente nas seguintes provas
Marque V (verdadeiro) ou F (Falso), e assinale a alternativa que apresenta a seqüência correta.
( ) A permeabilidade se refere à capacidade do material magnético de concentrar o fluxo magnético.
( ) Os materiais paramagnéticos apresentam permeabilidade relativa menor que 1, e, dentre eles, podemos citar o níquel e o aço.
( ) A intensidade de um campo magnético numa bobina é inversamente proporcional à intensidade da corrente que flui em suas espiras.
Provas
Questão presente nas seguintes provas
As sentenças I e II referem-se ao circuito mostrado na figura abaixo. Assinale a alternativa que completa correta e respectivamente as lacunas dessas sentenças.

I- O sensor utilizado no circuito é um .
II- O aumento da intensidade de luz incidente no sensor a corrente que circula pelo circuito.
Provas
Questão presente nas seguintes provas
Simplificando ao máximo a expressão ( !$ \bar{A} !$ + BC).(A + B) obtemos
Provas
Questão presente nas seguintes provas
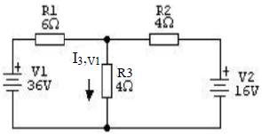
Dado o circuito abaixo, calcule a corrente que passa pelo resistor R3 em função de V1 (I3,V1).

Provas
Questão presente nas seguintes provas
De “Este é o nosso destino: amor sem conta,/ distribuído pelas coisas pérfidas ou nulas,/ doação ilimitada a uma completa ingratidão,/ e na concha vazia do amor a procura medrosa,/ paciente, de mais e mais amor.”, foram retirados alguns substantivos. Apenas um deles exige complemento nominal. Assinale-o.
Provas
Questão presente nas seguintes provas
Cadernos
Caderno Container