Foram encontradas 100 questões.
A eficiência de um amplificador é definida pela relação entre a potência do sinal na carga pela potência fornecida ao circuito. Assinale a alternativa que apresenta a classe de amplificação de maior eficiência.
Provas
Questão presente nas seguintes provas
Leia:
O uirapuru é um belo pássaro! Conta-se que, quando ele canta, as demais aves da floresta se põe em silêncio para apreciá-lo, pois é um momento em que se ouve gorjeios incomparáveis, que encanta qualquer apreciador de uma boa melodia.
Qual dos verbos mencionados abaixo está com a concordância correta no texto?
Provas
Questão presente nas seguintes provas
Leia:
“Desceram para o trapiche. A chuva entrava pelos buracos do teto, a maior parte dos meninos se amontoavam nos cantos onde havia telhado.”
(Jorge Amado)
O termo destacado no texto acima se classifica como
Provas
Questão presente nas seguintes provas
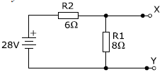
No circuito abaixo, calcule a tensão de R1 em relação aos terminais x e y.

Provas
Questão presente nas seguintes provas
Qual tipo de modulação é produzida por um processo que envolve conversão analógica-digital ?
Provas
Questão presente nas seguintes provas
Leia e observe o emprego das vírgulas:
O dicionário, que é conhecido como o “pai dos burros”, é verdadeiramente uma grande ferramenta de consulta. Ele traz os significados das palavras, esclarece sobre a regência dos verbos, menciona a classe gramatical, apresenta inúmeros exemplos de frases e traz até a etimologia dos vocábulos. Sempre que precisamos de uma boa ferramenta de consulta, é a ele que devemos recorrer.
No texto acima, não há vírgula separando
Provas
Questão presente nas seguintes provas
Marque verdadeiro V ou falso F para as afirmações abaixo e assinale a alternativa com a sequência correta.
( ) Os potenciômetros podem ser usados para variar altos valores de corrente aplicada a um circuito.
( ) Os dois tipos de resistores fixos são: resistores de carbono e resistores de fio enrolado.
( ) A potência dos resistores de composição carbônica podem variar de 1/16 a 2W.
Provas
Questão presente nas seguintes provas
figura abaixo corresponde a um transformador abaixador.
Assinale a alternativa que apresenta, respectivamente, o número de espiras no primário e a potência de saída. Dados: Vp= 200 V; Ns= 150; Ip= 2 A.

Provas
Questão presente nas seguintes provas
Determine a expressão simplificada para a tabela abaixo.
Considere “A”, “B” e “C” as entradas e “Y” a saída.
| A | B | C | Y |
| 0 | 0 | 0 | 0 |
| 0 | 0 | 1 | 0 |
| 0 | 1 | 0 | 1 |
| 0 | 1 | 1 | 0 |
| 1 | 0 | 0 | 1 |
| 1 | 0 | 1 | 0 |
| 1 | 1 | 0 | 1 |
| 1 | 1 | 1 | 0 |
Provas
Questão presente nas seguintes provas
Qual é a soma dos códigos BCD (01100110)BCD e (01010111)BCD ?
Provas
Questão presente nas seguintes provas
Cadernos
Caderno Container