Foram encontradas 100 questões.
Assinale a alternativa em que a palavra destacada deveria ter sido acentuada.
Provas
Questão presente nas seguintes provas
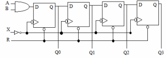
O circuito abaixo é acionado por borda e a entrada R, quando acionada, proporciona imediatamente o RESET de todos os Flip Flops.

Julgue os itens a seguir em V (verdadeiro) ou F (falso) e assinale a alternativa com a sequência correta.
( ) é um circuito de entrada serial e saída paralela.
( ) as saídas são atualizadas a cada borda de descida de X.
( ) quando R=1, todas as saídas apresentam nível lógico zero.
Provas
Questão presente nas seguintes provas
O circuito abaixo representa um ohmímetro simples com corrente de fundo de escala do galvanômetro de 120!$ \mu A !$ e tensão de alimentação de 9V. Determine o valor de R1 do circuito, sabendo que essa resistência ligada entre os pontos X e Y causa uma deflexão no ponteiro do galvanômetro de três quartos de escala.
Provas
Questão presente nas seguintes provas
Leia:
Amigos, um passeio numa máquina do tempo não seria divertido? Não seria incrível? Imaginem se, numa das viagens, vocês pudessem encontrar um personagem importante da história, como Einstein, e ajudá-lo a elaborar suas teorias! Já pensaram nisso?
As formas verbais destacadas no texto acima estão conjugadas, respectivamente, no
Provas
Questão presente nas seguintes provas
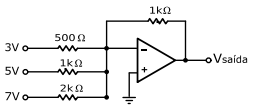
Calcule o valor da tensão de saída do circuito da figura abaixo.

Provas
Questão presente nas seguintes provas
2543234
Ano: 2017
Disciplina: Engenharia de Telecomunicações
Banca: DIRENS Aeronáutica
Orgão: EEAr
Disciplina: Engenharia de Telecomunicações
Banca: DIRENS Aeronáutica
Orgão: EEAr
Provas:
Um equipamento transmissor utilizado no Sistema de Vigilância da Amazônia possui um circuito composto por um transistor de efeito de campo que apresenta a curva de transcondutância mostrada na figura abaixo. Diante das informações na curva, calcule a corrente de dreno do circuito supracitado, considerando a tensão entre porta e fonte igual a -3V.

Provas
Questão presente nas seguintes provas
Coloque C para Certo e E para Errado quanto à concordância nominal dos termos destacados nas frases abaixo. Depois assinale a alternativa com a sequência correta.
( ) Conheci, na passeata, rapazes e moças com as quais travei ótimo relacionamento.
( ) Deixaram jogados, sobre a carteira, o livro de inglês e a gramática.
( ) Estavam assustadas as garotas e o lindo cãozinho.
Provas
Questão presente nas seguintes provas
Relacione as colunas quanto à classificação das figuras de linguagem presentes nos trechos destacados. Em seguida, assinale a alternativa com a sequência correta.
1 – hipérbole
2 – antítese
3 – metonímia
4 – eufemismo
( ) “O sonho de um céu e de um mar/ E de uma vida perigosa/Trocando o amargo pelo mel/E as cinzas pelas rosas.”
( ) “Senhora, partem tão tristes/Meus olhos por vós
(...)/tão tristes, tão saudosos,/tão doentes da partida,/tão cansados, tão chorosos/da morte mais desejosos/ cem mil vezes que da vida”.
( ) “Sobre um mar de rosas que arde/Em ondas fulvas, distante, Erram meus olhos, diamantes,/Como a nau dentro da tarde”.
( ) “Às vezes tenho que concordar com a ideia de que meu filho não atingiu o índice normal de aproveitamento para meninos de sua idade”.
Provas
Questão presente nas seguintes provas
Vários planetas são visíveis a olho nu: Marte, Júpiter, Vênus, Saturno e Mercúrio. Esses astros já eram conhecidos não apenas dos gregos mas também de povos ainda mais antigos, como os babilônios. Apesar de sua semelhança com as estrelas, os planetas eram identificados pelos povos da Antiguidade graças a duas características que os diferenciavam. Primeiro: as estrelas, em curtos períodos, não variam de posição umas em relação às outras. Já os planetas mudam de posição no céu com o passar das horas. À noite, esse movimento pode ser percebido com facilidade. Segundo: as estrelas têm uma luz que, por ser própria, pisca levemente. Já os planetas, que apenas refletem a luz do Sol, têm um brilho fixo. Os planetas mais distantes da Terra só puderam ser descobertos bem mais tarde, com a ajuda de aparelhos ópticos como o telescópio. “O primeiro deles a ser identificado foi Urano, descoberto em 1781 pelo astrônomo inglês William Herschel”, afirma a astrônoma Daniela Lázzaro, do Observatório Nacional do Rio de Janeiro.
Fonte: Revista Superinteressante – agosto/2001
Quanto ao telescópio, é possível afirmar que
Provas
Questão presente nas seguintes provas
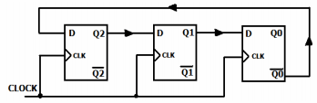
Considerando que a figura abaixo é um contador, marque a alternativa que corresponda corretamente ao tipo de contador que a figura abaixo representa:

Provas
Questão presente nas seguintes provas
Cadernos
Caderno Container