Foram encontradas 100 questões.
2542559
Ano: 2017
Disciplina: Engenharia de Telecomunicações
Banca: DIRENS Aeronáutica
Orgão: EEAr
Disciplina: Engenharia de Telecomunicações
Banca: DIRENS Aeronáutica
Orgão: EEAr
Provas:
O espectro de frequências abaixo representa um sinal AM-DSB, quais são os valores de X e Y, em kHz, respectivamente?

Provas
Questão presente nas seguintes provas
2542544
Ano: 2017
Disciplina: Engenharia de Telecomunicações
Banca: DIRENS Aeronáutica
Orgão: EEAr
Disciplina: Engenharia de Telecomunicações
Banca: DIRENS Aeronáutica
Orgão: EEAr
Provas:
Indique a alternativa que mostra uma AM-DSB gerada a partir dos gráficos abaixo com EC = portadora e Em = modulante.

Provas
Questão presente nas seguintes provas
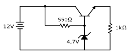
Qual o valor da corrente de base do circuito da figura abaixo, considerando o ganho do transistor igual a 100?

Provas
Questão presente nas seguintes provas
Conforme a norma culta, coloque C para as frases corretas e E para as erradas quanto à regência nominal e verbal dos termos destacados. Em seguida, assinale a alternativa com a sequência correta.
( ) O professor residia à Rua dos Ipês.
( ) A lírica pós-moderna não é acessível de todos.
( ) O projeto de que éramos favoráveis não foi discutido durante a reunião.
( ) Aquele colega de trabalho ansiava-lhe. Já não aguentava mais tanta angústia.
Provas
Questão presente nas seguintes provas
Qual a relação entre a fase da tensão E 50sen(ωt + 20º) e corrente I 2sen(ωt + 50º) aplicados à entrada de um circuito?
Provas
Questão presente nas seguintes provas
O circuito apresentado na figura abaixo faz parte de um sistema de limpador de para-brisa usado em carros modernos. Quando o sensor de umidade detecta que está chovendo, o motor liga, acionando as paletas do limpador. Qual deve ser a resistência do sensor usado no circuito para o motor não ligar?

Provas
Questão presente nas seguintes provas
Qual o valor aproximado da tensão média no resistor de carga (R!$ _L !$) do circuito abaixo?

Provas
Questão presente nas seguintes provas
O avanço tecnológico dos Circuitos Integrados (CI) elevou a eficiência da eletrônica embarcada no ambiente da aviação. No entanto, cuidados são necessários quando do manuseio destes CI’s. Após analisar um dispositivo MOSFET danificado por descarga eletrostática, a Sargento Ana constatou que .

Provas
Questão presente nas seguintes provas
Assinale a alternativa em que as lacunas devem ser preenchidas, respectivamente, com Z, S, Z.
Provas
Questão presente nas seguintes provas
Calcule o valor de X em: X = 13916 + 12116 + 2316
Provas
Questão presente nas seguintes provas
Cadernos
Caderno Container