Foram encontradas 49 questões.
Em determinado parque, um ser humano segura um balão cheio de um gás que possui densidade 0,5 kg/m³. Considerando que a massa total desse balão de gás é 6 kg, a gravidade é igual a 10 m/s² e o balão encontra-se parado no ar, a força exercida pelo ser humano é: [Dado: Densidade do ar = 1,30 kg/m³.]
Provas
Em termos de ética profissional, a Eletronuclear segue o Código de Ética Único das Empresas Eletrobras. Desta maneira, este código considera os seguintes princípios éticos que norteiam as ações e os compromissos da empresa, EXCETO:
Provas
Determinado fluido escoa pela tubulação conforme a figura abaixo:

[Dados: A1 : 30m² e A2: 50 m²]
A velocidade V1 necessária para que o líquido chegue na Área 2 com 15 m/s é:
Provas
Considere o diagrama de blocos a seguir:

A função de transferência simplificada é:
Provas
A manutenção de equipamentos possui tipificações, com características e periodicidades distintas. Das categorias listadas, a manutenção que envolve a melhoria da estrutura da empresa em termos materiais (máquinas, equipamentos, ferramentas, matéria-prima, produtos) e em termos humanos (aprimoramento das capacitações pessoais envolvendo conhecimentos, habilidades e atitudes) é chamada de manutenção:
Provas
Um cientista deseja construir uma máquina térmica.

Considerando em seu projeto o valor de Th = 50ºC e Tc = 15ºC, a maior eficiência térmica que essa máquina pode possuir é:
Provas
- Eletrônica AnalógicaCircuitos
- Eletrônica AnalógicaAmplificadores, diodos, transistores, tiristores e dispositivos correlatos

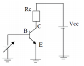
[Dados: Vcc = 10 V, Vce = 4,6 V, Rc = 20 Ω, __ Ib = 0,5 mA]
O valor do ganho β é:
Provas
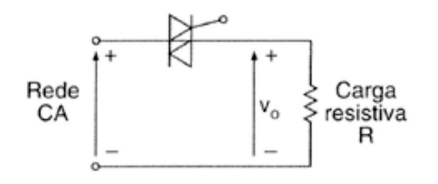
Observe circuito abaixo:

Trata-se de um:
Provas
Em determinado experimento, foi verificado que determinado corpo A, em contato com um corpo B, teve um resfriamento de 50 K. Considerando que a temperatura inicial do corpo A era igual a 170 K, a temperatura final alcançada pelo corpo A, em graus Celsius, foi de:
Provas
Em determinada instalação, foi utilizado o método dos lumens para projetar a iluminação de uma sala. Portanto, foram consideradas as seguintes variáveis no projeto, EXCETO:
Provas
Caderno Container