Foram encontradas 362 questões.
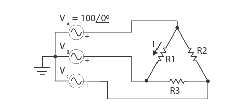
Um sistema trifásico equilibrado com sequência de fase “abc” possui o fasor da tensão VA mostrado na figura. As resistências são iguais e com valor de 10 Ω.

Assinale a alternativa do fasor correto da corrente na resistência R1, conforme indicada na figura.
Provas
Questão presente nas seguintes provas
Multímetros digitais permitem fazer a medida de valores eficazes, mesmo na análise de sinais não senoidais. Estes são chamados de multímetros true RMS. Entretanto, a precisão desses equipamentos decresce com o aumento do fator de crista.
Qual relação é definida pelo fator de crista?
Qual relação é definida pelo fator de crista?
Provas
Questão presente nas seguintes provas
Analise o texto abaixo: No quesito prevenção de acidentes do trabalho, é obrigatória a instalação de escada ou rampa para transposição de pisos com diferença de nível superior a ............... como meio de circulação de trabalhadores.
Assinale a alternativa que completa corretamente a lacuna do texto.
Assinale a alternativa que completa corretamente a lacuna do texto.
Provas
Questão presente nas seguintes provas
No contexto relacionado à execução de alvenaria:
1. Contraverga: elemento estrutural executado acima dos vãos dos caixilhos.
2. Verga: elemento estrutural executado imediatamente abaixo dos vãos de janelas e vãos abertos em alvenarias.
3. O encunhamento é executado com tijolos maciços, assentados e inclinados com argamassa normal, e pressionados entre a viga e a alvenaria já executada. O preenchimento do vão pode ainda ser executado com o uso de espuma expansiva de poliuretano e, nesse caso, o vão entre a alvenaria e a viga não deve ser superior a 3 cm.
Assinale a alternativa que indica todas as afirmativas corretas.
1. Contraverga: elemento estrutural executado acima dos vãos dos caixilhos.
2. Verga: elemento estrutural executado imediatamente abaixo dos vãos de janelas e vãos abertos em alvenarias.
3. O encunhamento é executado com tijolos maciços, assentados e inclinados com argamassa normal, e pressionados entre a viga e a alvenaria já executada. O preenchimento do vão pode ainda ser executado com o uso de espuma expansiva de poliuretano e, nesse caso, o vão entre a alvenaria e a viga não deve ser superior a 3 cm.
Assinale a alternativa que indica todas as afirmativas corretas.
Provas
Questão presente nas seguintes provas
Uma rede de distribuição de água é normalmente constituída por dois tipos de canalizações, a principal e a secundária. De acordo com a disposição das canalizações principais e o sentido de escoamento nas tubulações secundárias, as redes são classificadas em ramificada, malhada ou mista.
Neste contexto, conforme a disposição das tubulações principais, os traçados das redes ramificadas podem ser classificados em:
Neste contexto, conforme a disposição das tubulações principais, os traçados das redes ramificadas podem ser classificados em:
Provas
Questão presente nas seguintes provas
Na hidrologia, entende-se por precipitação a água proveniente do vapor de água da atmosfera depositada na superfície terrestre sob qualquer forma: chuva, granizo, neblina, neve, orvalho ou geada. Os tipos de precipitação estão associadas com o movimento de massas de ar de regiões de alta pressão para regiões de baixa pressão.
As chuvas de grande intensidade e curta duração, concentradas em pequenas áreas, conhecida como chuvas de verão, são denominadas precipitações:
As chuvas de grande intensidade e curta duração, concentradas em pequenas áreas, conhecida como chuvas de verão, são denominadas precipitações:
Provas
Questão presente nas seguintes provas
Na pintura de ambientes, a especificação do material deve ser baseada nas características do mesmo, bem como no uso a que se destina. Considere que o local que precise receber pintura é um ambiente quimicamente agressivo, ou seja, a tinta precisaria ter características de alta resistência à abrasão e a agentes químicos.
Neste caso, a tinta indicada seria:
Neste caso, a tinta indicada seria:
Provas
Questão presente nas seguintes provas
O sistema de abastecimento de água pode ser realizado por meio de distribuição direta, indireta ou mista. Quando do sistema de bombeamento, assinale a alternativa correta em relação aos tipos de instalação de bombas.
Provas
Questão presente nas seguintes provas
Analise as afirmativas abaixo em relação à drenagem.
1. Dissipadores de energia são dispositivos que têm a função de reduzir a energia de fluxos d’água concentrados por outros dispositivos de drenagem, promovendo a redução de velocidade de escoamento, minimizando os efeitos erosivos quando da disposição final junto ao terreno natural.
2. Dreno cego é aquele executado somente com tubos, sem material interno.
3. Valeta de proteção de corte, também denominada de valeta de coroamento, consite em dispositivo destinado a interceptar e conduzir as águas precipitadas sobre as áreas adjacentes e que escoam a jusante dos cortes, visando impedir que estas atinjam o corpo estradal.
Assinale a alternativa que indica todas as afirmativas corretas.
1. Dissipadores de energia são dispositivos que têm a função de reduzir a energia de fluxos d’água concentrados por outros dispositivos de drenagem, promovendo a redução de velocidade de escoamento, minimizando os efeitos erosivos quando da disposição final junto ao terreno natural.
2. Dreno cego é aquele executado somente com tubos, sem material interno.
3. Valeta de proteção de corte, também denominada de valeta de coroamento, consite em dispositivo destinado a interceptar e conduzir as águas precipitadas sobre as áreas adjacentes e que escoam a jusante dos cortes, visando impedir que estas atinjam o corpo estradal.
Assinale a alternativa que indica todas as afirmativas corretas.
Provas
Questão presente nas seguintes provas
Assinale a alternativa correta em relação à proteção contra incêndios.
Provas
Questão presente nas seguintes provas
Cadernos
Caderno Container