Foram encontradas 647 questões.
Vários instrumentos são usados para a análise e manutenção em redes ópticas. Um deles, muito usado, permite, através do espalhamento e retorno de um sinal óptico injetado na fibra óptica, a análise da qualidade da rede em termos de atenuação, defeito, perdas em emendas e rupturas na fibra, inclusive, mostrando, quando ocorre a perda do sinal óptico, onde ocorreu a possível ruptura, isto é, a que distância do aparelho teria ocorrido a ruptura. Foi solicitado a um técnico que fizesse uma cotação desse aparelho. O técnico solicitou às firmas fornecedoras de equipamentos ópticos a cotação de um:
Provas
Um “Bird” é um instrumento de medida muito conhecido em eletrônica das telecomunicações e que mede as potências diretas e refletidas na saída de um transmissor, Tx, de RF. Em realidade, “Bird”, é o nome do fabricante do instrumento, que foi vulgarizado pelo uso. Ele é inserido em série com o cabo coaxial de ligação da saída do transmissor, no caso, com uma antena, como mostra o desenho a seguir.

Acoplando o transmissor a uma antena e ao instrumento ajustado para a frequência de transmissão, um técnico mediu: potência direta = 100,0 W; potência refletida = 4,0 W. Os valores mostram o casamento da antena com a impedância de saída do transmissor e o cabo coaxial. O coeficiente de reflexão é de:
Provas
Observe o diagrama em blocos a seguir, em que os dados são combinados com códigos pseudoaleatórios (PN) de maiores frequências (chips) em um circuito “Ou Exclusivo” e transmitidos. Na recepção o resultado é combinado pelo mesmo código PN e filtrado, obtendo-se os dados originais. Somente o receptor que inserir o mesmo código no seu circuito “Ou Exclusivo conseguirá recuperar os dados transmitidos. É o princípio do funcionamento do espalhamento de espectro.

O esquema mostra o princípio de funcionamento de um multiacesso usado em telefonia celular denominado:
Provas
O transmissor de um transponder de satélite GEO de comunicações, situado em órbita a 36.000 km da superfície terrestre, apresenta uma potência de transmissão, em EIRP, de 1000 W, numa frequência de 10 GHz. A antena terrestre de recepção do sinal do satélite está perfeitamente posicionada, apresenta um ganho de 50 dBi e perdas no seu alimentador de 7,6 dB. São desprezíveis as perdas por chuvas, nuvens ou poeira. Considere, para efeito de cálculo, que log1036 = 1,5
O nível do sinal recebido do satélite, na saída do alimentador da antena terrestre, considerando apenas as perdas no espaço livre e no alimentador, é de aproximadamente:
Provas
O diagrama de blocos abaixo corresponde a um receptor de FM na faixa de VHF. O ponto “A” é a entrada da antena.

O bloco correspondente à letra “X” é um:
Provas
Em um transmissor de Rf em VHF, a portadora, em uma frequência de 10 MHz, apresenta uma potência de 100 W medida sobre uma carga resistiva de 50 Ω quando não está modulada. Quando for modulada, em amplitude em 100% (ma = 1), por um sinal modulador em uma frequência de áudio de 2,5 kHz, a potência do transmissor sobre a mesma carga será de:
Provas
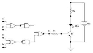
O circuito abaixo está perfeitamente polarizado, inclusive os integrados lógicos (a polarização dos integrados não é mostrada) e funciona perfeitamente.

As entradas “A”, “B” “C” e “D” são níveis lógicos compatíveis com os integrados e formam uma palavra digital ABCD, onde “A” é o dígito mais significativo. O LED acenderá somente quando:
Provas
O texto a seguir refere-se às duas próximas questões
A figura a seguir mostra uma parte de um circuito impresso que um técnico está analisando para ver se o transistor “T” está não está “aberto” ou em curto ou se há alguma solda fria. O circuito foi montado com resistores e capacitores comerciais, com tolerância de 10%, numa placa de fibra de vidro com trilhas em cobre. “T” é um transistor bipolar de silício e “Dz” um diodo Zener de 3,1 Volts. O técnico supôs que os resistores e o capacitor estão perfeitos.

Em seguida, o técnico alimentou o circuito ENG Q 11 T e esperou pela estabilização. Se o circuito não apresentasse defeitos, o técnico mediria nos pontos de teste “Pte” e “Ptc” do circuito, com um voltímetro de alta impedância, em relação ao ponto de aterramento, aproximadamente as seguintes tensões.
Provas
O texto a seguir refere-se às duas próximas questões
A figura a seguir mostra uma parte de um circuito impresso que um técnico está analisando para ver se o transistor “T” está não está “aberto” ou em curto ou se há alguma solda fria. O circuito foi montado com resistores e capacitores comerciais, com tolerância de 10%, numa placa de fibra de vidro com trilhas em cobre. “T” é um transistor bipolar de silício e “Dz” um diodo Zener de 3,1 Volts. O técnico supôs que os resistores e o capacitor estão perfeitos.

Em princípio o técnico anotou os valores dos resistores, que são:
Provas
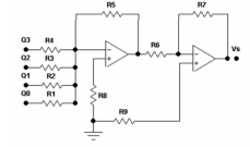
As entradas Q3, Q2, Q1 e Q0 do circuito abaixo são ligadas às saídas de um contador BCD, que conta os pulsos acoplados ao seu relógio (clock). Q3, Q2,Q1 e Q0 têm tensão igual a + 8,0 Volts quando o nível lógico for “1” e igual a 0 Volt quando o nível lógico for “0”, sendo Q3 o bit mais significativo. O amplificador operacional do circuito é ideal e está perfeitamente polarizado (polarização não mostrada). Os valores dos resistores são exatos: R1= 8,0 kΩ, R2 = 4,0 kΩ, R3 = 2,0 kΩ, R4 = R5= 1 kΩ, R6 = R7 =10,0 kΩ, R8 = 560 Ω e R9 = 5 kΩ.

Inicialmente Q3 = Q2 = Q1= Q0 = “0” lógico. Após o contador ter contado cinco pulsos tensão de saída Vo será de:
Provas
Caderno Container