Foram encontradas 647 questões.
O princípio das vantagens comparativas no comércio internacional elaborado por David Ricardo, no século XIX, difere do principio das vantagens absolutas de Adam Smith, anteriormente formulado no século XVIII. Dentre as afirmativas abaixo, assinale a que melhor caracteriza o principio das vantagens comparativas.
Provas
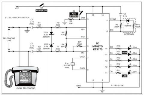
Analise o circuito integrado a seguir:

O circuito integrado é um:
Provas
O princípio das vantagens absolutas no comércio internacional foi formulado por Adam Smith em seu livro a Riqueza das Nações, no século XVIII. Ele explica os fluxos de importação e exportação de um país como sendo determinado:
Provas
Obstáculos podem estar presentes nas linhas de visada dos sistemas de transmissão de informação por RF em rádio-visibilidade. Esses obstáculos podem produzir reflexões nos feixes de RF. A interação, nos receptores, entre os sinais diretos e os sinais refletidos pelos obstáculos podem produzir reforço ou desvanescimento (fading) no sinal, acarretado pela diferença de fase dos sinais recebidos, produzidos pelos diferentes percursos. Os lugares geométricos nos quais os sinais refletidos chegam aos receptores, com diferenças de fase de n.(L/2), onde L é o comprimento de onda do sinal e n um número impar, são chamados Elipsoides de Fresnel. A figura mostra um caso geral para n =1, isto é, um sinal direto, um sinal refletido por um obstáculo no primeira Elipsoide de Fresnel, e o Raio R do círculo da seção reta do Elipsoide no ponto de reflexão.

No caso em questão temos um lance de RF que opera numa frequência de 3,0 GHz em visada direta de 36 km, onde existe um obstáculo na metade do lance. O raio R do Elipsoide de Frenel no ponto do obstáculo é de:
Provas
Um engenheiro, recém-admitido em uma empresa, observou, na sala dos equipamentos ópticos e no DGO da empresa, a imagem que é mostrada a seguir.

O engenheiro deduziu que a imagem alerta técnicos, engenheiros e demais pessoas para o fato de que:
Provas
A transmissão óptica está sendo usada como opção às transmissões por pares metálicos, devido à imunidade aos ruídos, resistência à umidade e banda de dados muito alta, principalmente em meios hostis. Em controles internos de embarcações, aeronaves e mesmo veículos terrestres, têm sido usadas fibras para transportes de dados de acionamento, controles e comandos. Usando-se uma fibra com a dispersão modal de 100 ps/nm.km (picosegundo por nanômetro por kilômetro) e um transmissor LED com uma largura espectral de 100 ps, poderemos transmitir dados de controle, em um lance de 1000 m, com uma taxa máxima, dentre as opções a seguir, de:
Provas
Sejam as contas bancárias A e B. Considere a retirada de um valor da conta A e o depósito do mesmo valor na conta B. A propriedade das transações que garante ao valor da soma A + B ser o mesmo, antes e após o processamento, é:
Provas
O diagrama esquemático a seguir mostra um sistema muito usado para transmitir taxas elevadas de dados por meio de uma fibra óptica apenas. O diagrama é somente figurativo, pois as redes ópticas não usam essas cores de luz na transmissão óptica.

O diagrama corresponde a um sistema:
Provas
Em um Sistema de Banco de Dados (SBD), ao executar um conjunto de operações de atualização de dados nas tabelas de um banco de dados, a execução das operações deverá estar em um estado válido, coerente e consistente. O conceito que determina que, após a execução das operações, o banco de dados deverá satisfazer todas as restrições especificadas no esquema do banco de dados e que o mesmo banco de dados deverá estar em um estado consistente, é denominado:
Provas
O conceito de view na terminologia da SQL especifica que é uma tabela que é derivada de outras tabelas ou de outras views previamente definidas. Uma view é considerada uma tabela:
Provas
Caderno Container