Foram encontradas 1.486 questões.

Considerando a figura acima, que mostra símbolos, numerados de 1 a 12, utilizados para representar elementos de circuitos, julgue o item a seguir.
Os símbolos 8 e 10 indicam, respectivamente, fonte regulável e bateria.
Provas
Questão presente nas seguintes provas

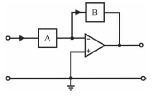
Se A é uma impedância resistiva e B uma impedância constituída de um resistor em série com um capacitor, então o circuito é um controlador proporcional-derivativo.
Provas
Questão presente nas seguintes provas

Se A e B são impedâncias resistivas, com resistências iguais a R1 e R2, respectivamente, então a função de transferência do circuito é
Provas
Questão presente nas seguintes provas

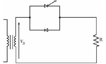
A figura acima ilustra um conversor CA-CA monofásico,
em que vS é a tensão no secundário do transformador de
alimentação e R representa uma resistência de carga. O diodo e o
tiristor são ideais e o ângulo de disparo do tiristor está estritamente
no intervalo de 0º a 180º.
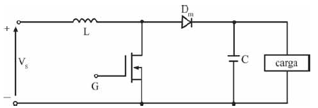
A figura abaixo ilustra um conversor CC-CC em que a tensão de alimentação Vs é superior à tensão na carga.

Provas
Questão presente nas seguintes provas
- Diodo na Engenharia Eletrônica
- Eletrônica Analógica na Engenharia Eletrônica
- Eletrônica de Potência na Engenharia Eletrônica
- Tiristor

A figura acima ilustra um conversor CA-CA monofásico,
em que vS é a tensão no secundário do transformador de
alimentação e R representa uma resistência de carga. O diodo e o
tiristor são ideais e o ângulo de disparo do tiristor está estritamente
no intervalo de 0º a 180º.
O conversor mostrado, também conhecido como controlador unidirecional, é apropriado somente para cargas de baixa potência, tais como aquecimento e iluminação.
Provas
Questão presente nas seguintes provas
- Diodo na Engenharia Eletrônica
- Eletrônica Analógica na Engenharia Eletrônica
- Eletrônica de Potência na Engenharia Eletrônica
- Tiristor

A figura acima ilustra um conversor CA-CA monofásico,
em que vS é a tensão no secundário do transformador de
alimentação e R representa uma resistência de carga. O diodo e o
tiristor são ideais e o ângulo de disparo do tiristor está estritamente
no intervalo de 0º a 180º.
O menor valor que a tensão eficaz na carga pode assumir é superior a 2/3 da tensão eficaz no secundário do transformador.
Provas
Questão presente nas seguintes provas
- Diodo na Engenharia Eletrônica
- Eletrônica Analógica na Engenharia Eletrônica
- Eletrônica de Potência na Engenharia Eletrônica
- Tiristor

A figura acima ilustra um conversor CA-CA monofásico,
em que vS é a tensão no secundário do transformador de
alimentação e R representa uma resistência de carga. O diodo e o
tiristor são ideais e o ângulo de disparo do tiristor está estritamente
no intervalo de 0º a 180º.
A tensão média na carga do conversor apresentado é sempre negativa.
Provas
Questão presente nas seguintes provas

O circuito dissipará menos potência quando comparado a um circuito idêntico que utilize portas lógicas da família TTL. Por essa razão, é possível encapsular, em um dado chip, uma quantidade maior de circuitos CMOS do que de circuitos TTL.
Provas
Questão presente nas seguintes provas

É possível substituir todas as portas lógicas do circuito por uma única porta Exclusive NOR de modo que a saída S permaneça inalterada.
Provas
Questão presente nas seguintes provas

Se todos os resistores forem iguais, então v0 = v2 - v1.
Provas
Questão presente nas seguintes provas
Cadernos
Caderno Container