Foram encontradas 1.090 questões.
A adoção de recursos de informática no desenvolvimento de projetos de arquitetura trouxe consigo grandes avanços em termos de custos, tempo, qualidade e intercambialidade. Entretanto, como o avanço da computação gráfica, tornou altamente flexível a utilização e cada usuário passou a criar seus trabalhos utilizando-se dos recursos que mais lhe agradavam ou eram úteis, da forma que melhor lhe convinha. Essa situação levou a uma falta de padrão na utilização dos recursos dos programas e atingiu principalmente o processo de comunicação que ocorre em diferentes níveis e etapas de desenvolvimento dos projetos de uma edificação. Assinale a alternativa que não representa um exemplo dos problemas advindos pela utilização, sem padrão, dos programas gráficos:
Provas
A rede viária deve ser percebida como cumpridora de duas funções no meio urbano: a de acessibilidade, relacionada à entrada ou saída das edificações ou estacionamento e a de mobilidade, como condutora do deslocamento de veículos e pedestres. Sobre essas funções, assinale a opção correta:
Provas
Sobre a utilização de materiais para a estrutura de edificações, assinale a alternativa correta.
Provas
A execução indireta de obra ou serviço, conforme a Lei nº 8.666, de 21 de junho de 1993, pode se dar sob os seguintes regimes, exceto:
Provas
A Lei n°1 0.257, de 10 de julho de 2001 – Estatuto da Cidade, regulamenta os artigos 182 e 183 da Constituição Federal de 1988, que conformam o capítulo relativo à Política Urbana. Qual das afirmações a seguir está coerente com a referida lei?
Provas
Sobre as denominações dos elementos de um telhado:

Provas
Em que pese a possibilidade de se ajustar, pela dosagem, os diversos tipos de cimento às mais diversas aplicações, a análise das suas características e propriedades, bem como de sua influência sobre as argamassas e os concretos demonstra que certos tipos são mais apropriados para determinados fins do que outros. Identifique as afirmações verdadeiras e assinale a opção correta:
I – Para aplicações em concreto arquitetônico utiliza-se Cimento Portland Branco Estrutural (CPB Estrutural).
II – Para Elementos pré-moldados de concreto e artefatos de cimento para desforma rápida, curados por aspersão de água, é possível utilizar o Cimento Portland de Alta Resistência Inicial (CPVII-ARI), Comum (CP I, CP I-M), Composto (CP II-E, CP II-Z, CP II-F) e Branco Estrutural (CPB Estrutural).
III – Para Argamassas e concretos para meios agressivos (água do mar e de esgotos), recomenda-se o Cimento Portland de Alto-Forno (CP III), Pozolânico (CP IV) e Resistente a Sulfatos.
IV – Em Argamassas de assentamento de azulejos e ladrilhos, pode-se utilizar o Cimento Portland Comum (CP I, CP I-S), Composto (CP II-E, CP II-Z, CP II-F), de Alto-Forno (CPIV) e Pozolânico (CP V).
Provas
Qual das características a seguir contribuem na garantia de acessibilidade em calçadas, conforme a ABNT NBR9050:2004?
Provas
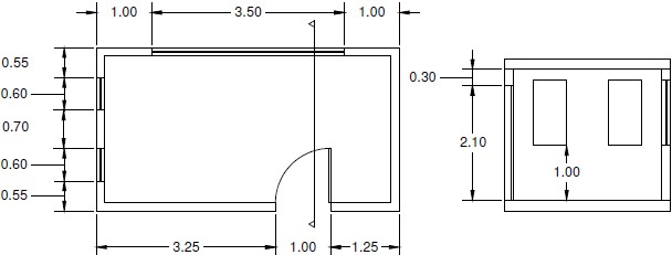
Calcule, para fins de orçamento, o quantitativo de blocos e o volume de argamassa necessários para a sala a seguir representada, considerando o bloco com as medidas 0,39x 0,19x 0,14 m e a juntas de 1,5cm.

Provas
No dimensionamento de Saídas de emergência em edifícios, incluindo rotas de saída (NBR9077:2001), é necessário considerar, exceto:
Provas
Caderno Container