Foram encontradas 653 questões.
Considerando-se os sistemas lineares contínuos invariantes no tempo, informe se é verdadeiro (V) ou falso (F) o que se afirma a seguir de operações realizadas no domínio do tempo.
( ) A resposta ao impulso caracteriza por completo o comportamento de um sistema frente a qualquer outro sinal inserido em sua entrada.
( ) Se aplicado um impulso de maneira simultânea a dois sistemas interconectados em paralelo cujas saídas são somadas, o sinal de saída será a convolução das saídas individuais de cada um dos sistemas.
( ) A saída de dois sistemas conectados em cascata, e em um deles é aplicado um impulso, resultará na convolução entre as respostas ao impulso de cada um dos sistemas individuais.
( ) Para um sistema ser caracterizado como linear, o mesmo deve satisfazer à propriedade da homogeneidade e à propriedade aditiva.
A sequência correta é:
Provas
A respeito da representação de sinais e do processo de filtragem, assinale a alternativa correta.
Provas
A transformada de Laplace possibilita a transformação de equações diferenciais complexas no tempo em equações algébricas na frequência. A maior dificuldade consiste em realizar a transformação inversa para o domínio do tempo, por meio da transformada inversa de Laplace.
Considerando-se um sistema de entrada x(t)=e-3t !$ u !$(t), saída y(t) e condições iniciais nulas, qual a saída do sistema modelado pela equação diferencial a seguir?
!$ \ddot{y}-5\ddot{y}+6y=5\dot{x}+15x !$
Provas
Um sinal em tempo contínuo dado por y(t)=cos(3768∙t+!$ θ !$) é amostrado a uma taxa de x !$ Hz !$. Qual o valor de x que corresponde à frequência de amostragem de Nyquist para o sinal y(t)? (Considere !$ π !$ = 3,14.)
Provas
Seja o circuito representado na sequência, composto por uma fonte de tensão senoidal v(t), seis diodos ideais e seis capacitores idênticos.

Se a fonte senoidal apresenta valor de pico igual a VP, o valor eficaz (rms) da tensão vab (t) em regime permanente de operação do circuito é dado por
Provas
Em um conversor analógico-digital de rampa digital (também conhecido como tipo contador), é empregado um conversor digital-analógico cuja saída é comparada por meio de um amplificador operacional com o sinal de referência a ser digitalizado.
Assinale a alternativa que corresponde à resolução do conversor digital-analógico de 4 bits cuja saída do fundo de escala analógica resulta em 15 V.
Provas
Acerca da estabilidade de sistemas lineares contínuos, sabe-se que a estabilidade pode ser avaliada com base no polinômio característico Q(s) em H(s)=P(s)/Q(s).
Nesse contexto, é correto afirmar que
Provas
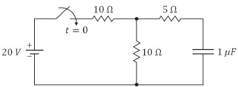
O circuito ilustrado na figura a seguir, composto por três resistores e um capacitor inicialmente descarregado, é alimentado por uma fonte de tensão contínua a partir do tempo t = 0s, instante no qual a chave S é fechada.

Qual a expressão no domínio do tempo, com t dado em !$ μ !$s, da tensão no capacitor em volts?
Provas
Um circuito lógico combinacional de entradas A, B, C e D apresenta a expressão de saída S dada por
!$ S=\bar ACB\bar D+\bar ADBC+A\bar B\bar C\bar D+D\bar B\bar CA+A\bar BCD+ABC !$
Qual a representação correta e mais simplificada possível da saída S?
Provas
A aplicação da matriz de Fortescue, indicada na sequência, pode facilitar consideravelmente o cálculo de grandezas elétricas em circuitos de potência sob condições de faltas. A sua aplicação origina os chamados circuitos sequenciais: diagrama de sequência positiva, diagrama de sequência negativa e diagrama de sequência zero.
!$ Q^{-1}=\dfrac{1}{3}\begin{bmatrix} 1&1&1\\1&a&a^2\\1&a^2&a \end{bmatrix},em\, que\,a=e^{j\dfrac{2π}{3}rad}=1\angle120º !$
Considere um sistema trifásico de sequência ABC sob condição de curto-circuito franco entre a fase A e terra. Qual a representação dessa situação do ponto de vista dos diagramas sequenciais?
Provas
Caderno Container