Foram encontradas 350 questões.
Qual é, aproximadamente, o momento de um fóton de raio-X, com comprimento de onda de 20 pm? Considere a constante de Planck h = !$ 6,63 \times 10^{-34} !$ J·s, e, se necessário, a velocidade da luz c = !$ 3,0 \times 10^8 !$ m/s.
Provas
Questão presente nas seguintes provas
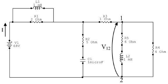
Calcular a corrente elétrica (I) e a tensão elétrica (!$ V_{12} !$) para o circuito elétrico em corrente contínua e em regime permanente.

Provas
Questão presente nas seguintes provas
Guerra comercial entre Estados Unidos e China conhece nova batalha
A Administração Trump avançou esta quinta-feira com o segundo pacote de tarifas alfandegárias sobre produtos chineses, provocando a imediata retaliação de Pequim. Washington impôs taxas de 25 por cento sobre mercadorias no valor de 16 mil milhões de dólares. A medida volta a semear a inquietação entre empresários e investidores.
Disponível em: <https://www.rtp.pt/noticias/mundo/guerra-comercial-entre-estados-unidos-e-china-conhece-nova-batalha_n1094716>
A imposição de barreiras, por parte de um Estado, à entrada de produtos estrangeiros tem levado a OMC a constantes rodadas de negociações entre seus membros, como a que houve em Doha (capital do Catar). Tais negociações visam reduzir a/o:
Provas
Questão presente nas seguintes provas
Os motores de indução admitem diversos métodos de partida. Um desses métodos é o método de partida estrela-triângulo, o qual é muito utilizado nas indústrias. Com relação a esse método podemos afirmar que:
I - A corrente de partida do motor é reduzida de 1/3 da corrente nominal.
II - A tensão da rede necessita coincidir com a tensão em triângulo do motor.
III - O método não suaviza os efeitos negativos proporcionados pela corrente elétrica durante a partida.
IV - Torque de partida é reduzido para 1/3 do torque nominal.
V - O método necessita de uma única chave contatora e um único temporizador.
Está correto o que se afirma em.
Provas
Questão presente nas seguintes provas
A carta de nuclídeos é uma tabela que apresenta os núcleos conhecidos ordenados na vertical pelo número de prótons e, na horizontal, pelo número de nêutrons. A maioria dos núcleos desta carta são radioativos e podem emitir espontaneamente uma ou mais partículas, transformando-se (decaindo) em outros nuclídeos, que ocupam um lugar diferente na carta. Como se denomina o decaimento em que um elétron e um neutrino são emitidos por um núcleo?
Provas
Questão presente nas seguintes provas
Em uma pesquisa de Geografia, para testar os conhecimentos sobre escala geográfica, o professor propôs aos alunos a seguinte atividade: encontrar o diâmetro de um globo terrestre para representar a Terra, sabendo que esta possui um raio de 6 371 km e a escala do desafio era 1:50 000 000. A partir destes dados, os alunos descobriram que o globo a representar a Terra teria:
Provas
Questão presente nas seguintes provas
Diversos fármacos utilizados atualmente são compostos quirais. Os isômeros dessas substâncias nem sempre apresentam as mesmas propriedades fisiológicas, sendo inclusive perigosos, em alguns casos, quando ministrados concomitantemente ao paciente. As estruturas, a seguir, pertencem ao fármaco albuterol e sua imagem especular. Sabe-se que uma das estruturas atua como broncodilatador e suspeita-se que a outra seja um agente inflamatório.
Dado: !$ _1H !$; !$ _6C !$; !$ _7N !$; !$ _8O !$;

Com base nas estruturas, assinale a alternativa CORRETA.
Provas
Questão presente nas seguintes provas
Em 2015, o British Council publicou um estudo intitulado “O Ensino de Inglês na Educação Pública Brasileira”, que visava a entender as principais características do ensino da língua inglesa na Educação Básica da rede pública brasileira considerando desde as políticas públicas para o ensino do idioma até as práticas cotidianas em sala de aula. De acordo com este estudo, qual dos problemas abaixo não figura como principal para o ensino da língua inglesa na educação pública básica brasileira?
Provas
Questão presente nas seguintes provas
Extract 1
The history of technology in language teaching could not be linear in a country like ours where social differences prevent technologies such as paper, the book, and even the electricity is within everyone's reach. Many obsolete technologies, such as the slide projector, for example, have never reached in certain schools. The computer has already been integrated into the language teaching of some institutions and many teachers have already adopted a didactic material accompanied by CD-Roms. It has already been possible to observe a gradual change of many who rejected in principle the innovations brought by the computer and the Internet. Although this technology continues to be seen by some as a miracle cure and by others as something to be feared. It is quite possible that the computer does not reach everyone, but it is necessary to remind that neither the book nor the computer will be miracles in the learning process. The success of acquiring a foreign language depends on the learner’s insertion in activities of social practice of language (…).
(PAIVA, V. L. M, O USO DA TECNOLOGIA NO ENSINO DE LÍNGUAS ESTRANGEIRAS: breve retrospectiva histórica 2017, pag. 14 - Disponível em: http:// www.veramenezes.com/techist.pdf)
Extract 2
(…) I no longer need to make the case for computers to be provided in education, because computers are there in abundance in all their modern forms. We may see traditional computers in labs, teachers and students walking around with laptops or tablet PCs, and many people will have a mobile phone in their pocket that is capable of doing rather more than the mainframe computers that started computer assisted language learning in the 1960s. I do recognise that there are many kinds of digital divide, and that this is not true everywhere.
What can put teachers off using technology
What is still sometimes an issue is the reliability of these technologies for classroom use. This can discourage teachers from making use of technology as often as they would want to. It's compounded by the fact that, if these teachers are working in schools, they are faced with classes of learners who may, on the surface at least, appear to be more digitally competent than their teachers are. Learners can therefore challenge their teachers, in ways that put the latter off using the technologies that could potentially make such a difference to what happens in the classroom. (…)
(Motteram, G., The benefits of new technology in language learning. Disponível em:https://www.britishcouncil.org/voices-magazine/the benefits-newtechnology- language-learning. 18 September 2013.)
According to the extracts we can say:
Provas
Questão presente nas seguintes provas
Considerando a concepção de justiça de Aristóteles e Tomás de Aquino, podemos afirmar, EXCETO:
Provas
Questão presente nas seguintes provas
Cadernos
Caderno Container