Magna Concursos

Foram encontradas 40 questões.

1309150 Ano: 2012
Disciplina: Engenharia Civil
Banca: IF-PE
Orgão: IF-PE
Provas:
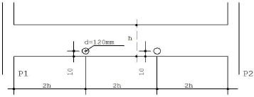
Na execução de estruturas de concreto armado, é comum a necessidade de furos em vigas para a passagem de tubulações. Nesse caso, é dispensada a verificação quando o(s) furo(s) se situam na seguinte condição:
 

Provas

Questão presente nas seguintes provas
1295780 Ano: 2012
Disciplina: Engenharia Civil
Banca: IF-PE
Orgão: IF-PE
Provas:
Nos processos de impermeabilização, são utilizados um ou mais sistemas impermeabilizantes. Qual das proposições abaixo não representa corretamente um sistema de impermeabilização?
 

Provas

Questão presente nas seguintes provas
1169748 Ano: 2012
Disciplina: Engenharia Civil
Banca: IF-PE
Orgão: IF-PE
Provas:
Quanto aos cuidados que devem ser tomados com as superfícies a serem pintadas, analise as proposições abaixo.
I. Quanto às superfícies de concreto e reboco, aguardar no mínimo três dias de cura total para só depois iniciar a pintura.
II. Nos ferros galvanizados, deve-se promover a limpeza e aplicar um primer específico, denominado primer de aderência.
III. Em superfícies emassadas (PVA ou Acrílica), executar o lixamento, retirar o pó e aplicar um selador para depois aplicar a tinta de acabamento.
IV. As superfícies caiadas oferecem boa base para pintura (PVA ou Acrílica), tornando-se desnecessário uma raspagem completa.
V. Em superfícies mofadas, proceder à escovação, lavar com água potável e sanitária, lavar novamente só com água e aguardar a completa secagem.
VI. As espátulas e desempenadeiras de aço são usadas na limpeza das superfícies e para aplicação dos fundos anticorrosivos, solventes e vernizes.
Estão corretas, apenas:
 

Provas

Questão presente nas seguintes provas
1165327 Ano: 2012
Disciplina: Engenharia Civil
Banca: IF-PE
Orgão: IF-PE
Provas:
Considere que as coordenadas retangulares dos pontos de limite de uma propriedade, obtidas com uma estação total, são as indicadas no quadro abaixo:
PONTOS DE
LIMITE
COORDENADA
HORIZONTAL (m)
COORDENADA
VERTICAL (m)
P1 13,00 25,00
P2 35,00 15,00
P3 27,00 45,00
P4 34,00 20,00
P5 42,00 35,00
A área da referida propriedade corresponde a
 

Provas

Questão presente nas seguintes provas
1157073 Ano: 2012
Disciplina: Português
Banca: IF-PE
Orgão: IF-PE
TEXTO 1
O trabalho histórico
A origem do termo que já esteve associado ao suplício, mas que também pode ser fonte de alegrias.
Deonísio da Silva*
A palavra “trabalho” veio do latim tripalium, tripálio, uma técnica de sofrimento obtida com três paus fincados no chão, aos quais era afixado o condenado, quando não empalado num deles até morrer. “Empalar” é espetar pelo ânus, algo comum na Antiguidade, ante o qual (1) a crucifixão romana foi um avanço.
A etimologia latina formou-se a partir do prefixo tri-, três, e palus, pau, estaca, poste, mourão. No plano mítico, este étimo foi abandonado, porém na Vulgata, como é conhecida a tradução da Bíblia, do hebraico para o latim, feita pela equipe de São Jerônimo, que (2) serviu de base às traduções portuguesas durante séculos até que tivéssemos acesso a traduções vindas diretamente dos originais hebraico e grego.
Quem (3) trouxe a condenação de Adão e Eva ao trabalho, do latim para o português, traduziu labor por trabalho, um de seus sinônimos. São Jerônimo descartou tripalium e optou por labor. Traduzir é escolher. Sua escolha evitou os vínculos de tortura, implícitos no étimo descartado, mas manteve os de sofrimento no étimo escolhido.
A ideia do trabalho como sofrimento não estava presente na etimologia latina, uma vez que o verbo trabalhar era laborare; e trabalho, labor.
No italiano predominou este (4) sentido, de que são amostras as palavras lavorare e lavoro. No francês travail, ao contrário, a vertente é a mesma do português. Mas para trabalhador a língua francesa preferiu ouvrier, do étimo latino operarius, do verbo operare, formado a partir de operis, genitivo de opus, obra, cujo plural é ópera.
No latim vulgar, porém, operare transformou-se em operire. Em inglês, trabalho é work, e no alemão, Werk, procedendo ambos do grego érgon, ação, presente no português em outras palavras, como em ergoterapia, tratamento pelo trabalho.
Felizmente, a etimologia ensina de onde vieram as palavras, mas não determina que elas tenham hoje o significado que tiveram no passado. O trabalho pode ser inesgotável fonte de alegrias! Segundo Friedrich Engels, teve papel fundamental na transformação do macaco em homem, mas aí(5) os erros de tradução do filósofo alemão são igualmente numerosos.
*Escritor e doutor em Letras pela USP
(Texto adaptado. Disponível em: <www.revistalinguaportuguesa.com.br>. Acesso em: 26. Dez. 2011)
Leia as proposições abaixo acerca de intenções, opiniões e valores do texto 1.
I. A tradução é uma atividade de leitura e interpretação, que confere ao seu realizador (o tradutor) possibilidades de escolha sem incorrer em desvios do original.
II. A etimologia é uma área dos estudos linguísticos que conserva o significado original das palavras, preservando a identidade da língua.
III. A tradução é uma recriação, dado o leque de palavras à disposição do tradutor que, ao escolher uma delas, realça uma face do significado do original.
IV. A etimologia permite-nos conhecer o significado das palavras em sua origem e ajuda-nos a compreender a mudança semântica dos termos.
V. O autor analisa o étimo da palavra trabalho e sua tradução nas línguas modernas, mas relativiza o sentido etimológico na contemporaneidade.
Estão corretas, apenas:
 

Provas

Questão presente nas seguintes provas
1125202 Ano: 2012
Disciplina: Português
Banca: IF-PE
Orgão: IF-PE
TEXTO 1
O trabalho histórico
A origem do termo que já esteve associado ao suplício, mas que também pode ser fonte de alegrias.
Deonísio da Silva*
A palavra “trabalho” veio do latim tripalium, tripálio, uma técnica de sofrimento obtida com três paus fincados no chão, aos quais era afixado o condenado, quando não empalado num deles até morrer. “Empalar(A) é espetar pelo ânus, algo comum na Antiguidade, ante o qual (1) a crucifixão romana foi um avanço.
A etimologia latina formou-se a partir do prefixo tri-, três, e palus, pau, estaca, poste, mourão. No plano mítico, este étimo foi abandonado, porém na Vulgata, como é conhecida a tradução da Bíblia, do hebraico para o latim, feita pela equipe de São Jerônimo(B), que (2) serviu de base às traduções portuguesas durante séculos até que tivéssemos acesso a traduções vindas diretamente dos originais hebraico e grego.
Quem (3) trouxe a condenação de Adão e Eva ao trabalho, do latim para o português, traduziu labor por trabalho, um de seus sinônimos. São Jerônimo descartou tripalium e optou por labor. Traduzir é escolher. Sua escolha evitou os vínculos de tortura, implícitos no étimo descartado, mas manteve os de sofrimento no étimo escolhido.
A ideia do trabalho como sofrimento não estava presente na etimologia latina, uma vez que o verbo trabalhar era laborare; e trabalho, labor.
No italiano predominou este (4) sentido, de que são amostras as palavras lavorare e lavoro. No francês travail, ao contrário, a vertente é a mesma do português. Mas para trabalhador a língua francesa preferiu ouvrier, do étimo latino operarius, do verbo operare, formado a partir de operis, genitivo de opus, obra, cujo plural é ópera.
No latim vulgar, porém, operare transformou-se em operire. Em inglês, trabalho é work, e no alemão, Werk, procedendo ambos do grego érgon, ação, presente no português em outras palavras, como em ergoterapia, tratamento pelo trabalho.
Felizmente, a etimologia ensina de onde vieram as palavras, mas não determina que elas tenham hoje o significado que tiveram no passado. O trabalho pode ser inesgotável fonte de alegrias! Segundo Friedrich Engels(E), teve papel fundamental na transformação do macaco em homem, mas aí(5) os erros de tradução do filósofo alemão são igualmente numerosos.
*Escritor e doutor em Letras pela USP
(Texto adaptado. Disponível em: <www.revistalinguaportuguesa.com.br>. Acesso em: 26. Dez. 2011)
A coesão textual também é responsável pela manutenção temática do texto. Assinale a alternativa em que se indica corretamente a função do recurso coesivo.
 

Provas

Questão presente nas seguintes provas
1122159 Ano: 2012
Disciplina: Engenharia Civil
Banca: IF-PE
Orgão: IF-PE
Provas:
A locação é a tarefa de transportar e, em seguida, materializar todos os dados (informações) contidos no projeto para o terreno onde será executada a obra. Assinale a alternativa que indica as formas que dispomos para materializar no terreno os pontos de eixos, os alinhamentos e os níveis da estrutura.
 

Provas

Questão presente nas seguintes provas
1105214 Ano: 2012
Disciplina: Engenharia Civil
Banca: IF-PE
Orgão: IF-PE
Provas:
Entre as principais características das fundações, é correto afirmar que
 

Provas

Questão presente nas seguintes provas
1105056 Ano: 2012
Disciplina: Engenharia Civil
Banca: IF-PE
Orgão: IF-PE
Provas:
“Deslocamentos limites são valores práticos utilizados para verificação em serviço dos estados limites de deformações excessivas da estrutura” (Item13. 3 da NBR6118 – 2003 – Projeto de estruturas de concreto armado-procedimentos).
Para os efeitos dessa norma, os deslocamentos são classificados em quatro grupos básicos.
Julgue as proposições abaixo quanto a esses grupos de classificação.
I. Aceitabilidade sensorial: o limite é caracterizado por vibrações indesejáveis ou efeito visual desagradável.
II. Efeitos específicos: os deslocamentos podem provocar o colapso de parte da construção.
III. Efeitos em elementos não estruturais: os deslocamentos estruturais podem causar o mau funcionamento de elementos não estruturais, mas que estão ligados à estrutura.
IV. Efeitos em elementos estruturais: os deslocamentos podem afetar o comportamento estrutural, fazendo com que as hipóteses de cálculo sejam diferentes da situação da estrutura deformada, e acrescentando esforços ao modelo adotado.
Estão corretas, apenas:
 

Provas

Questão presente nas seguintes provas
1104523 Ano: 2012
Disciplina: Engenharia Civil
Banca: IF-PE
Orgão: IF-PE
Provas:
Quanto ao dimensionamento de pilares, de acordo com a NBR6118-2003, é correto afirmar que
 

Provas

Questão presente nas seguintes provas