Foram encontradas 50 questões.
Durante uma atividade realizada no laboratório, um técnico montou o circuito abaixo, o transistor usado é de silício (VBE = 0,7V) e o seu HFE é igual a 100.

O valor da tensão no coletor, em Volts, é de:
Provas
O circuito abaixo mostra um diagrama de comando .

Assinale a alternativa com o diagrama LADDER equivalente:
Provas
Avalie as afirmativas a seguir, relativas às ferramentas de controle da qualidade:
I. O Diagrama de Causa e Efeito (ou Espinha de peixe) é uma técnica largamente utilizada, que mostra a relação entre um efeito e as possíveis causas que podem estar contribuindo para que ele ocorra.
II. O brainstorming não é uma ferramenta da qualidade.
III. O diagrama de Pareto é utilizado para se identificar quais os itens responsáveis pela maior parcela de erros ou problemas.
Assinale a alternativa correta:
Provas
Com relação à tolerância em uma medição, avalie se são verdadeiras (V) ou falsas (F) as afirmativas a seguir:
- A tolerância estabelece limites para os desvios em relação à dimensão efetiva, assegurando o funcionamento adequado das peças.
- A tolerância ou Campo de Tolerância é a variação permissível da dimensão da peça, dada pela diferença entre as dimensões máxima e mínima.
- A tolerância evita uma exatidão excessiva nas dimensões das peças durante a sua fabricação, que ocasiona um processo de fabricação muito lento e aumento da mão de obra.
As afirmativas são respectivamente:
Provas
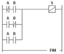
Considere a tabela verdade abaixo:
| A | B | S |
| 0 | 0 | 0 |
| 0 | 1 | 0 |
| 1 | 0 | 1 |
| 1 | 1 | 0 |
O diagrama em LADDER que traduz essa tabela verdade é:
Provas
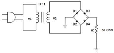
A tensão aplicada ao primário do transformador mostrado no circuito ilustrado abaixo é de 120VRMS.

Considerando todos os diodos como ideais, podemos afirmar que o valor médio da tensão na resistência de carga é aproximadamente igual a:
Provas
Considere que um instrumento medidor de pressão diferencial esteja sendo usado para medir nível e que deva ser calibrado para trabalhar numa faixa de 60 mbar a 520 mbar, e cuja saída para a sala de controle seja de 4 mA a 20 mA.
Assim, quando a cápsula do instrumento medidor estiver recebendo uma pressão diferencial de 150 mbar, o valor mais aproximado da saída do medidor, em mA, deve ser igual a:
Provas
Considere uma lista de sistemas de medição e dois tipos de variáveis que precisam ser medidas em uma planta industrial.
Variáveis de medição:
I – Nível
II – Vazão
Tipos de medidores:
A – Placa de orifício
B – por empuxo
C – pressão hidrostática
D – área variável
E – tudo de Venturi
F – Eletromagnético
G – Termopar
H – Tubo em U
Dentre as alternativas a seguir, a única associação correta está representada em:
Provas
No esquema mostrado abaixo, os valores das tensões VAB , VBC e VAC são, respectivamente:

Provas
Considere as afirmações abaixo, em relação aos sensores e atuadores usados em robótica:
I. Os sensores são transdutores, ou seja, conversores de grandezas físicas em sinais elétricos correspondentes.
II. Os encoders são dispositivos mecânicos usados para posicionamento dos eixos do robô.
III. Os atuadores são componentes que realizam a conversão da energia elétrica, hidráulica, pneumática em energia mecânica.
Assinale a alternativa correta:
Provas
Caderno Container