Foram encontradas 50 questões.
Marque a opção que é um domínio web.
Provas
Muitos utilizadores das plataforms Windows não tem o conhecimento ou não gostam de acessar o item de “Ajuda e Suporte do Windows”, que têm o objetivo de auxiliar seus utilizadores em suas dúvidas de utilização da plataforma. Quando se tem uma dúvida sobre uma determinada função é só clicar no menu “Iniciar”, em seguida clicar em “Pesquisar programas e arquivos” e digitar a palavra “ajuda”. Após isso, é só clicar no primeiro item “Ajuda e suporte”, e surgirá a tela com vários itens para pesquisar sobre essa dúvida. Foi realizada uma busca sobre um determinado item que explica como utilizar a área de armazenamento temporário de informações que você copiou ou moveu de um lugar e planeja usar em outro lugar. Essa área de armazenamento tem um nome específico. Assinale a alternativa cuja opção consta essa nomenclatura.
Provas
Ao abrir o Microsoft Outlook 2007, ir ao menu “Arquivo” e escolher a opção “Novo” e em seguida clicar em “Tarefa” abrirá uma tela com algumas opções. Escolha a opção que está relacionada com esse contexto.
Provas
Um supervisor do setor administrativo solicitou ao colaborador um documento para envio de informações para auditoria. Para confecção desse documento, ele informou ao funcionário que o arquivo deve conter as seguintes informações: 1) Dados da empresa; 2) Descrição dos itens de controle; 3) Quantidade de produtos; 4) Valor total dos produtos. O Arquivo deverá conter outras informações de Setor responsável, etc. Para que o arquivo tenha estética e facilidade na alteração dos dados, ele deverá escolher um programa do Microsoft Office 2007 para criar essa planilha. Qual programa ele deve escolher?
Provas
Disciplina: Ética na Administração Pública
Banca: MS CONCURSOS
Orgão: IF-RO
Dentre as alternativas a seguir, aponte a que é incompatível com o Decreto nº 1.171, de 22 de junho de 1994.
Provas
É o tipo de manutenção que visa acompanhar a máquina ou as peças, por monitoramento, por medições ou por controle estatístico e tentam analisar a proximidade da ocorrência da falha. Assinale a alternativa que corresponde a este tipo de manutenção.
Provas
Cada área da produção possui sua equipe de manutenção diretamente subordinada ao chefe imediato de produção da própria área, mantendo condições próprias de organização e controle. Toda área possui sua oficina, ferramentas, deposito e almoxarifado. Que tipo de organização de manutenção e esta mencionada no texto.
Provas
O desenho a seguir mostra as três vistas de uma peça mais sua perspectiva isométrica. No desenho técnico existe uma forma de representar a projeção das vistas de um desenho chamada diedros. Em qual diedro está sendo mostrado o desenho?

Provas
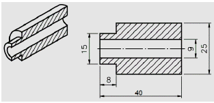
Muitas peças podem ser representadas claramente através de projeções ortogonais simples, mas em alguns casos podem ter uma representação bastante confusa e de interpretação complexa. Nestas situações empregam-se os cortes. Qual o tipo de corte mostrado no desenho técnico a seguir?

Provas
No processo de fundição, o material é fundido, podendo ser tratado quimicamente para alteração de sua composição, e é depois vazado numa cavidade, ou molde com a forma desejada. A melhor opção para determinada peça passa pelo conhecimento dos diversos tipos de fundição. Os tipos de fundição são normalmente distinguidos através de dois tipos de molde. Quais são estes tipos de molde?
Provas
Caderno Container