Foram encontradas 269 questões.
Assinale a alternativa que apresenta CORRETAMENTE a representação na forma matricial das equações de espaço de estados do sistema mostrado na figura, sendo A a matriz de estado, B a matriz de entrada, C a matriz de saída e D a matriz que transmissão direta.

Provas
Utilizando o método da Transformada de Fourier, encontre a função de transferência H (ω) = V i (ω) V 0 (ω) , para o circuito abaixo.

Provas
Assinale a alternativa que apresenta a impedância equivalente, no domínio s, vista a partir dos terminais A e B do circuito abaixo.

Provas
Através do equacionamento de um circuito RLC podemos determinar os valores que caracterizam a frequência de ressonância (ω0) e o fator de amortecimento (∝), do circuito. A partir destes valores podemos caracterizar os circuitos em três casos.
I. Se ∝ > ω0 temos o caso de amortecimento supercrítico
II. Se ∝ < ω0 temos o caso de amortecimento crítico
III. Se ∝ = ω0 temos o caso de amortecimento crítico
IV. Se ∝< ω0 temos o caso de subamortecido
V. Se ∝ = ω0 temos o caso de subamortecido
Assinale a alternativa em que todas as afirmativas estão CORRETAS
Provas
Analisando o circuito abaixo, assinale a alternativa que indique o tempo necessário para que a tensão sobre o capacitor atinja seu valor de estabilidade após o fechamento da chave S1, ou seja, o tempo decorrido entre o fechamento da chave S1 e o momento em que a tensão do capacitor C1 atinja 99,3% da sua tensão final.

Provas
Considerando que a chave S1, no circuito abaixo, esteve na posição A por um longo tempo até que no tempo t = 0 foi movida para a posição B. Assinale a alternativa que corresponde a expressão da tensão sobre o capacitor, Vc(t), para t > 0 .

Provas
No circuito abaixo, a resistência e a fonte Thevenin vista dos terminais A e B são respectivamente:

Provas
No circuito com amplificador operacional ideal representado na figura abaixo, vi é a entrada de sinal 1 e vo é a saída do circuito. O amplificador operacional é alimentado por uma fonte simétrica NÃO MOSTRADA NO CIRCUITO com tensão positiva +VCC = +12V e negativa -VCC = -12V, sendo que as tensões de saturação positiva +VSAT e negativa -VSAT correspondem às tensões de alimentação, respectivamente.

E considerando as curvas de transferência a seguir, onde estão indicadas as tensões de entrada, de saída e inclinações associadas:

Curva de transferência 1

Curva de transferência 2

Curva de transferência 3

Curva de transferência 4

Curva de transferência 5
A curva de transferência que corresponde de forma CORRETA ao circuito é a:
Provas
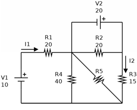
No circuito abaixo as tensões das fontes de alimentação e as resistências estão indicadas em Volts e Ohms respectivamente. Sabendo que a corrente I2 do circuito abaixo é igual a 1A podemos afirmar que:

I. A potência fornecida pela fonte V2 é 20W.
II. O valor da resistência R5 é 40 Ohms.
III. O valor da corrente I1 é 10/60 A.
IV. Se alterarmos o valor do resistor R2 o valor de I1 não será alterado.
Assinale a alternativa em que toda(s) a(s) afirmativa(s) está(ão) CORRETA(S):
Provas
Segundo a Lei de Ohm:
Provas
Caderno Container