Foram encontradas 40 questões.
- UniãoExecutivoDecreto 1.171/1994: Código de Ética do Servidor Público Civil do Poder Executivo Federal
Nos termos do Decreto nº 1.171/1994, que institui o Código de Ética Profissional do
Servidor Público Civil do Poder Executivo Federal, assinale a alternativa que NÃO constitui uma
vedação ao servidor público, imposta pelo Código e Ética.
Provas
Questão presente nas seguintes provas
2942937
Ano: 2023
Disciplina: Estatuto da Pessoa com Deficiência - Lei 13.146/2015
Banca: FUNDATEC
Orgão: IF-RS
Disciplina: Estatuto da Pessoa com Deficiência - Lei 13.146/2015
Banca: FUNDATEC
Orgão: IF-RS
Analise as seguintes asserções e a relação proposta entre elas, tendo por referência
a Lei nº 13.146/2015, que institui a Lei Brasileira de Inclusão da Pessoa com Deficiência (Estatuto da
Pessoa com Deficiência):
I. É dever exclusivo da família assegurar educação de qualidade à pessoa com deficiência, colocando-a a salvo de toda forma de violência, negligência e discriminação.
PORQUE
II. A educação constitui direito da pessoa com deficiência, assegurado sistema educacional inclusivo em todos os níveis de aprendizado ao longo de toda a vida, de forma a alcançar o máximo desenvolvimento possível de seus talentos e habilidades físicas, sensoriais, intelectuais e sociais, segundo suas características, interesses e necessidades de aprendizagem.
A respeito dessas asserções, assinale a alternativa correta.
I. É dever exclusivo da família assegurar educação de qualidade à pessoa com deficiência, colocando-a a salvo de toda forma de violência, negligência e discriminação.
PORQUE
II. A educação constitui direito da pessoa com deficiência, assegurado sistema educacional inclusivo em todos os níveis de aprendizado ao longo de toda a vida, de forma a alcançar o máximo desenvolvimento possível de seus talentos e habilidades físicas, sensoriais, intelectuais e sociais, segundo suas características, interesses e necessidades de aprendizagem.
A respeito dessas asserções, assinale a alternativa correta.
Provas
Questão presente nas seguintes provas
2942936
Ano: 2023
Disciplina: Estatuto da Pessoa com Deficiência - Lei 13.146/2015
Banca: FUNDATEC
Orgão: IF-RS
Disciplina: Estatuto da Pessoa com Deficiência - Lei 13.146/2015
Banca: FUNDATEC
Orgão: IF-RS
- Direitos Fundamentais no Estatuto da Pessoa com Deficiência
- Direito à Saúde da Pessoa com Deficiência
Nos termos da Lei nº 13.146/2015, que institui a Lei Brasileira de Inclusão da
Pessoa com Deficiência (Estatuto da Pessoa com Deficiência), assinale a alternativa INCORRETA
sobre os direitos da pessoa com deficiência.
Provas
Questão presente nas seguintes provas
Em relação ao que prevê o Decreto nº 5.825/2006, que estabelece as diretrizes
para elaboração do Plano de Desenvolvimento dos Integrantes do Plano de Carreira dos Cargos
Técnico-Administrativos em Educação, assinale a alternativa correta.
Provas
Questão presente nas seguintes provas
Relacione a Coluna 1 à Coluna 2, associando os conceitos apresentados pela Lei
Federal nº 11.091/2005, que institui o Plano de Carreira dos Cargos Técnico-Administrativos em
Educação, às suas definições.
Coluna 1 1. Ambiente organizacional. 2. Usuários. 3. Nível de capacitação.
Coluna 2
( ) Área específica de atuação do servidor, integrada por atividades afins ou complementares, organizada a partir das necessidades institucionais e que orienta a política de desenvolvimento de pessoal.
( ) Posição do servidor na matriz hierárquica dos padrões de vencimento em decorrência da capacitação profissional para o exercício das atividades do cargo ocupado, realizada após o ingresso.
( ) Pessoas ou coletividades internas ou externas à instituição federal de ensino que usufruem direta ou indiretamente dos serviços por ela prestados.
A ordem correta de preenchimento dos parênteses, de cima para baixo, é:
Coluna 1 1. Ambiente organizacional. 2. Usuários. 3. Nível de capacitação.
Coluna 2
( ) Área específica de atuação do servidor, integrada por atividades afins ou complementares, organizada a partir das necessidades institucionais e que orienta a política de desenvolvimento de pessoal.
( ) Posição do servidor na matriz hierárquica dos padrões de vencimento em decorrência da capacitação profissional para o exercício das atividades do cargo ocupado, realizada após o ingresso.
( ) Pessoas ou coletividades internas ou externas à instituição federal de ensino que usufruem direta ou indiretamente dos serviços por ela prestados.
A ordem correta de preenchimento dos parênteses, de cima para baixo, é:
Provas
Questão presente nas seguintes provas
De acordo com a Lei nº 11.892/2008, que institui a Rede Federal de Educação
Profissional, Científica e Tecnológica, cria os Institutos Federais de Educação, Ciência e Tecnologia, e
dá outras providências, analise as assertivas abaixo e assinale a alternativa correta.
I. Os Institutos Federais têm como finalidade o desenvolvimento de atividades exclusivamente econômicas que irão auxiliar os usuários em seu ingresso no mercado financeiro.
II. A Lei nº 11.892/2008 estabelece que os Institutos Federais são responsáveis apenas pela implementação e desenvolvimento do ensino fundamental, para que o aluno saia da escola capacitado a exercer qualquer tipo de profissão.
III. São objetivos dos Institutos Federais realizar pesquisas aplicadas, estimulando o desenvolvimento de soluções técnicas e tecnológicas, estendendo seus benefícios à comunidade.
I. Os Institutos Federais têm como finalidade o desenvolvimento de atividades exclusivamente econômicas que irão auxiliar os usuários em seu ingresso no mercado financeiro.
II. A Lei nº 11.892/2008 estabelece que os Institutos Federais são responsáveis apenas pela implementação e desenvolvimento do ensino fundamental, para que o aluno saia da escola capacitado a exercer qualquer tipo de profissão.
III. São objetivos dos Institutos Federais realizar pesquisas aplicadas, estimulando o desenvolvimento de soluções técnicas e tecnológicas, estendendo seus benefícios à comunidade.
Provas
Questão presente nas seguintes provas
Observe a Figura 12 e assinale a alternativa correta.

Provas
Questão presente nas seguintes provas
Sobre segurança em laboratório, relacione a Coluna 1 à Coluna 2, associando as
classes de fogo às descrições.
Coluna 1
1. Fogo classe A. 2. Fogo classe B. 3. Fogo classe C.
Coluna 2
( ) Fogo envolvendo equipamentos e instalações elétricas energizadas.
( ) Fogo envolvendo líquidos e/ou gases inflamáveis ou combustíveis, plásticos e graxas que se liquefazem por ação do calor e queimam somente em superfície.
( ) Fogo envolvendo materiais combustíveis sólidos, tais como madeiras, tecidos, papéis, borrachas, plásticos termoestáveis e outras fibras orgânicas, que queimam em superfície e profundidade, deixando resíduos.
A ordem correta de preenchimento dos parênteses, de cima para baixo, é:
Coluna 1
1. Fogo classe A. 2. Fogo classe B. 3. Fogo classe C.
Coluna 2
( ) Fogo envolvendo equipamentos e instalações elétricas energizadas.
( ) Fogo envolvendo líquidos e/ou gases inflamáveis ou combustíveis, plásticos e graxas que se liquefazem por ação do calor e queimam somente em superfície.
( ) Fogo envolvendo materiais combustíveis sólidos, tais como madeiras, tecidos, papéis, borrachas, plásticos termoestáveis e outras fibras orgânicas, que queimam em superfície e profundidade, deixando resíduos.
A ordem correta de preenchimento dos parênteses, de cima para baixo, é:
Provas
Questão presente nas seguintes provas
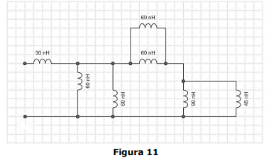
Analise a Figura 11 abaixo, que apresenta um circuito de associação de indutores:

Considerando as informações apresentadas, assinale a alternativa que indica o indutor equivalente.
Provas
Questão presente nas seguintes provas
Determine a potência aparente S e a corrente I, ambas em módulo, de um motor
que consome 27 kW com FP = 0,90 (fator de potência) para a tensão de 220 V.
Provas
Questão presente nas seguintes provas
Cadernos
Caderno Container