Foram encontradas 40 questões.
Considere o manipulador RP no espaço e sua respectiva cinemática direta de posição:

Qual das alternativas abaixo representa as velocidades das juntas do manipulador em função das velocidades da trajetória no espaço cartesiano, ou seja, a correta matriz jacobiana inversa (J-1) desse manipulador?
!$ \begin{bmatrix} d \theta \\ dd \end{bmatrix} = J^{-1} \begin{bmatrix} dx \\ dy \\ dz \end{bmatrix} !$
Provas
Em contraste com a superfície deslizante, que caracteriza os mancais de deslizamento, nos mancais de rolamento o eixo rotativo é separado da estrutura fixa pela interposição de elementos rolantes, de modo que a fricção rolante prevalece em vez da fricção deslizante. Assinale a alternativa que NÃO corresponde a uma característica dos mancais de rolamento:
Provas
Considere as afirmações abaixo, relativas à Lei 8.112/90, que dispõe sobre o regime jurídico dos servidores públicos civis da União, das autarquias e das fundações públicas federais. Depois atribua-lhes V (verdadeiro) ou F (falso).
( ) Redistribuição é o deslocamento de cargo de provimento efetivo, ocupado ou vago no âmbito do quadro geral de pessoal, para outro órgão ou entidade de qualquer dos Poderes, com prévia apreciação do órgão central do SIPEC (...);
( ) O servidor perderá:
I – a remuneração do dia em que faltar ao serviço, sem motivo justificado.
(...)
Parágrafo único. As faltas injustificadas decorrentes de caso fortuito ou de força maior poderão ser compensadas a critério da chefia imediata, sendo assim consideradas como efetivo exercício.
( ) Após cada qüinqüênio de efetivo exercício, o servidor poderá, independentemente do interesse da Administração, afastar-se do exercício do cargo efetivo, com a respectiva remuneração, por até três meses, para participar de curso de capacitação profissional.
( ) Os afastamentos para realização de programas de mestrado e doutorado somente serão concedidos aos servidores titulares de cargos efetivos no respectivo órgão ou entidade há pelo menos 3 (três) anos para mestrado e 4 (quatro) anos para doutorado, incluído o período de estágio probatório, que não tenham se afastado por licença para tratar de assuntos particulares para gozo de licença capacitação ou, com fundamento neste artigo, nos 2 (dois) anos anteriores à data da solicitação de afastamento.
A sequência CORRETA demarcação, de cima para baixo, é:
Provas
Assinale a única alternativa na qual NÃO HÁ ERRO quanto à regência nominal, segundo a norma culta.
Provas
Assinale a única alternativa CORRETA quanto à regência verbal, segundo o padrão culto da língua portuguesa.
Provas
Em qual das alternativas abaixo NÃO HÁ ERRO relativamente à concordância verbal, segundo a norma culta.
Provas
Assinale a única alternativa na qual todas as formas verbais em destaque foram CORRETAMENTE empregadas, considerando o contexto da frase.
Provas
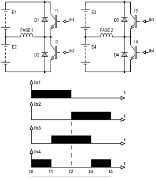
Um motor de passo é acionado por dois inversores monofásicos em ponto médio, comandados pelas respectivas correntes de base nos transistores. Considerando o funcionamento em regime permanente do motor de passo, escolha a alternativa que representa a sequência correta de condução dos interruptores dos inversores.

Provas
No que se refere às características de um mecanismo de 4 barras, associe os nomes às definições:
1. Manivela
2. Balancim
3. Acopladora
4. Vínculo
( ) barra fixa (referência)
( ) barra conectada ao vínculo e que realiza movimento oscilatório
( ) barra conectada ao vínculo e que pode realizar revoluções completas
( ) barra com movimento complexo e não conectada ao vínculo
Relacione a primeira coluna com a segunda coluna e marque a única resposta correta:
Provas
Assinale a única alternativa na qual NÃO HÁ ERRO quanto à concordância nominal, segundo a norma culta.
Provas
Caderno Container