Foram encontradas 40 questões.
Considere os seguintes enunciados:
(I) Deixar a criança sozinha no escuro... Você não tem mesmo coração!
(II) “Meu coração, não sei porquê, bate feliz quando te vê.”
(III)No coração da floresta, ainda vivem índios que jamais viram um branco.
É CORRETO afirmar sobre o sentido da palavra coração nesses três enunciados:
Provas
Na prática, na maioria das estruturas submetidas a ações de carregamentos, suas reações e forças internas não podem ser determinadas unicamente a partir de diagramas de corpo livre e equações de equilíbrio. Tomando o exemplo da barra AB da figura, apoiada rigidamente em suas extremidades e sujeita a uma força P, tem-se uma situação estaticamente indeterminada.

Nessa situação, para determinar as reações nos apoios, além das equações de equilíbrio da estática, é preciso considerar:
Provas
- Fundamentos de ProgramaçãoAlgoritmosAlgoritmos de OrdenaçãoQuick Sort
- Fundamentos de ProgramaçãoEstruturas de DadosEstrutura de Dados: Fila
- Fundamentos de ProgramaçãoEstruturas de DadosEstrutura de Dados: Pilha
Dadas as afirmações abaixo, assinale a única alternativa CORRETA:
Provas
Os uso dos pronomes oblíquos átonos de terceira pessoa varia conforme sua função sintática. O pronome lhe(s) é usado para representar termos regidos por preposição (objeto indireto, adjunto adnominal de posse, complemento nominal, etc.). Já o pronome o(s) e suas variantes (a, as, lo, los, na, nas, etc.) costuma ser usado para representar o objeto direto. Com base nisso, assinale a única alternativa na qual o pronome oblíquo em destaque foi CORRETAMENTE empregado, segundo a norma culta.
Provas
Analise as seguintes afirmações sobre os controladores lógico-programáveis (CLP):
I. O tempo de execução do seu ciclo é fixo, independentemente de outras variáveis do sistema.
II. Para executar um programa, o CLP lê todas as entradas de uma única vez e armazena na memória. Executa em seguida todo o programa e atualiza a memória equivalente dos estados de saída, antes de atualizar a saída física.
III. Os CLPs usualmente não possuem contadores e temporizadores internos, tornando-se necessário adicionar módulos externos para obter essa funcionalidade.
Marque a alternativa CORRETA :
Provas
A proibição da língua brasileira
MATÉRIA PUBLICADA na Ilustrada de 18 de junho dava conta de que uma nota da Anatel, de agosto de 2002, sobre um programa radiofônico da FM Educativa, de Campo Grande (MS), transmitido na língua nheengatu, levantava a questão da sua legalidade em face de uma lei de 1963 que proíbe veiculações radiofônicas em língua estrangeira. A dúvida da Anatel põe em questão a legalidade da língua ainda falada por brasileiros de várias regiões do país e em suas variantes residuais ainda falada por milhões de brasileiros, especialmente crianças e iletrados, que só aparentemente falam o português oficial dos decretos.
O nheengatu, também conhecido como “língua geral”, a língua que se quer proibir, é a verdadeira língua nacional brasileira. O nheengatu foi desenvolvido pelos jesuítas nos séculos 16 e 17, com base no vocabulário e na pronúncia tupi, que era a língua das tribos da costa, tendo como referência a gramática da língua portuguesa, enriquecida com palavras portuguesas e espanholas. A língua geral foi usada correntemente pelos brasileiros de origem ibérica, como língua de conversação cotidiana, até o século 18, quando foi proibida pelo rei de Portugal. Mesmo assim continuou sendo falada.
Da língua geral ficou como remanescente o dialeto caipira, tema de dicionário e objeto de estudos lingüísticos até recentes. Sobraram pronúncias da língua tupi, reduções e adaptações da língua portuguesa. Um jesuíta, no século 16, já observara que os índios da costa tinham grande dificuldade para pronunciar letras como o “l” e o “r”. Especialmente na finalização de palavras como “quintal” e “animal”; ou verbos como “falar”, “dizer” e “fugir”. Essas letras foram simplesmente suprimidas e as palavras transformadas em “quintá”, “animá”, “falá”, “dizê”, “fugi”
Dificuldades também havia para pronunciar as consoantes dobradas. Daí que, no dialeto caipira, “orelha” tenha se tomado “oreia” (uma consoante em vez de três; quatro vogais em vez de três), “coalho” seja “coaio”, “colher” tenha virado “cuié”, “os olhos” sejam “o zóio”... E no Nordeste ainda se ouve a suave “fulô” no lugar da menos suave “flor”. Uma abundância de vogais em detrimento das consoantes, até mesmo com a introdução de vogais onde não existiam. Exatamente o contrário da evolução da sonoridade da língua em Portugal, em que predominam os ásperos sons das consoantes. No Brasil, a língua portuguesa ficou mais doce e mais lenta, mais descansada, justamente pela enorme influência das sonoridades da língua geral, o nheengatu.
“Somos um povo bilíngüe, e o reconhecimento desse bilingüismo seria fundamental no trabalho dos educadores.”
Nossa língua cotidiana está algo distanciada da língua portuguesa, que é a oficial e, num certo sentido, é uma língua importada. Não raro viajamos entre toponímicos tupis. Na cidade de São Paulo, transito regularmente entre o Butantã e Carapicuíba e o Embu, aonde levo meus alunos, periodicamente, para uma aula de rua. Ou os levo ao Museu Paulista, no Ipiranga, para outra aula, ou à Mooca, para observações etnográficas sobre uma festa italiana. Faço tudo isso dentro da língua tupi. Como posso ir do rio Guaíba à Paraíba ou ao Pará ou ao Piauí sem achar que estou falando uma língua estrangeira, que ela não é.
Em escolas rurais de povoados do Mato Grosso, do Pará e do Maranhão, observei um fato curioso. Uma vez que as crianças escrevem como falam, não é raro que acrescentem de preferência um “r” às palavras oxítonas, a letra usada como acento agudo: “ater”, em vez de “até”; “Joser”, em vez de “José”. Algo que tem sua curiosa legitimidade no modo como se escrevia oficialmente o português até meados do século 19, letras fazendo as vezes de acentos e sinais. A própria língua falada, no confronto com a escrita, oferece às crianças inteligentes a chave de adaptação de uma à outra: se elas dizem “falá” e vêem que a palavra escrita é “falar”, logo entendem que o “r” é aí acento, e não letra para ser pronunciada.
É comovente a reação dos jovens quando descobrem que são falantes do que resta de uma língua que já foi a língua do povo brasileiro e que conhecem um grande número de sons e palavras tupi. O que lhes dizem ser erro e ignorância é, na verdade, história social, valorosa sobrevivência da nossa verdadeira língua brasileira. Se não fosse assim, seria impossível rir daquela história de dois mineiros que resolveram temperar a prosa com café. E foram para a cozinha. Agua fervida, coador pronto, um pergunta para o outro: “Pó pô o pó?”. E o outro responde, firme: “Pó pô!”.
De fato, somos um povo bilíngüe, e o reconhecimento desse bilingüismo seria fundamental no trabalho dos educadores, em particular para enriquecer a compreensão da língua portuguesa, última flor do Lácio, inculta e bela, mais bela ainda porque invadida por esse outro lado da nossa identidade social, que teimamos em desconhecer.
José de Souza Martins, 64, é professor titular do Departamento de Sociologia da USP
De acordo com o texto, marque a única afirmação CORRETA:
Provas
Dado o sistema eletropneumático abaixo, marque a alternativa que representa a correta sequência de movimentos dos atuadores pneumáticos quando a chave S com retenção for acionada. Cosiderando que o sinal “+” representa avanço de cilindro, e o sinal “–” representa retorno de cilindro.

Provas
Assinale a única na qual NÃO HÁ ERRO quanto à colocação do pronome oblíquo átono destacado, segundo a norma culta da língua portuguesa.
Provas
Dado o trecho de código C++:
class Notas
friend class Alunos;
public:
Notas( float = 0.0, int = 1 );
void print() const;
void set_nota(float, int);
~Notas();
private:
float nota;
int peso;
}
Marque a única alternativa CORRETA.
Provas
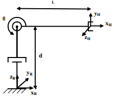
Dado o manipulador planar PR, qual das matrizes de transformação abaixo representa corretamente sua cinemática direta?

Provas
Caderno Container