Foram encontradas 40 questões.
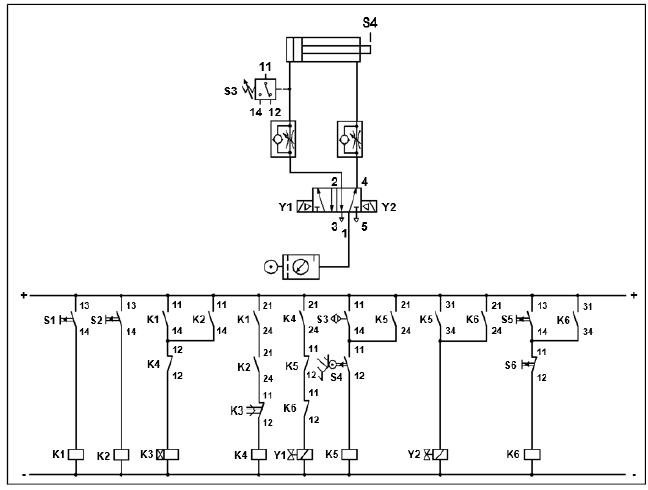
Abaixo, seguem dois diagramas. Trata-se de uma aplicação de um sistema pneumático e seu respectivo diagrama elétrico, portanto, um sistema eletropneumático. Assinale a alternativa que descreve CORRETAMENTE o funcionamento do sistema.

Provas
Assinale a alternativa INCORRETA com relação à programação velocidades de avanço e rotação em tornos CNC, baseados na linguagem FANUC.
Provas
Assinale a alternativa CORRETA com relação ao cálculo de trajetórias em Sistemas CAM.
Provas
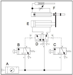
O diagrama abaixo representa, de maneira didática e técnica, um circuito de uma aplicação pneumática, aplicação esta que se vale da utilização de um equipamento de conversão hidráulica de velocidade / frenagem hidráulica, popularmente denominado como hydro-check (elemento F).

Baseado na figura acima, marque com (V) as afirmações que forem verdadeiras e com (F) as afirmações que forem falsas.
( ) O equipamento de frenagem hidráulica (elemento F) elimina trepidações e vibrações, além de compensar variações na força requerida para os atuadores pneumáticos lineares.
( ) O atuador E tem sua velocidade controlada durante toda a sua trajetória de avanço.
( ) Hydro-checks (elemento F) são utilizados para proporcionarem suavidade e precisão hidráulica a dispositivos e equipamentos pneumáticos.
( ) O elemento A é um conjunto denominado como LUBREFIL, composto por filtro de partículas sólidas, regulador de pressão, manômetro e filtro de água.
( ) O elemento D do é uma válvula direcional 5/2 vias pilotada manualmente.
Assinale a alternativa que apresenta a sequência CORRETA de cima para baixo.
Provas
A estrutura de sistemas hidráulicos e pneumáticos aplicados é composta por uma interconexão de diversos elementos. Esses elementos são agrupados de acordo com a funcionalidade e, também, de acordo com sua função na aplicação em si. É apresentada abaixo a classificação dos referidos grupos:
1 - Elementos de suprimento de energia;
2 - Elementos de sinal;
3 - Elementos de processamento ou elementos lógicos;
4 - Elementos de controle;
5 - Elementos de atuação.
São apresentados abaixo, por meio da representação simbológica, cinco elementos da pneumática aplicada. Cada um desses elementos pertence a um grupo da classificação acima.

Assinale a alternativa que contém a sequência CORRETA, da classificação funcional dos equipamentos e/ou elementos do quadro acima, da esquerda para a direita.
Provas
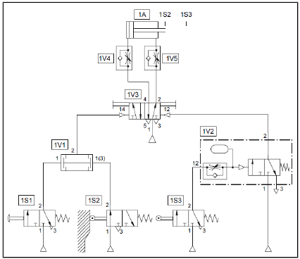
O diagrama abaixo representa, de maneira didática e técnica, um circuito de uma aplicação pneumática, aplicação esta que se vale de vários elementos do universo da pneumática industrial.

Baseado na figura acima, marque com (V) as afirmações que forem verdadeiras e com (F) as que forem falsas.
( ) O avanço do cilindro 1A se dá pelo acionamento manual da válvula direcional 1S1 e pelo acionamento da válvula direcional 1S2, ou seja, se o cilindro 1A estiver recuado.
( ) O avanço do cilindro 1A se dá pelo acionamento manual da válvula direcional 1S1 ou pelo acionamento da válvula direcional 1S2 quando o cilindro 1A recuar.
( ) O dispositivo 1V2 funciona, neste circuito, como um temporizador pneumático.
( ) O dispositivo 1V2 funciona, neste circuito, como um acumulador de pressão.
( ) 1V4 e 1V5 são reguladores de pressão e que, neste circuito, funcionam como reguladores das velocidades de avanço e de recuo do cilindro 1A.
Assinale a alternativa que apresenta a sequência CORRETA de cima para baixo.
Provas
O circuito pneumático, representado na figura abaixo, é um diagrama acerca de uma aplicação qualquer. Nesse mesmo diagrama, excetuando-se as representações das mangueiras, existem três elementos.
Assinale a alternativa que descreve CORRETAMENTE tais elementos.

Provas
Um conversor analógico digital de aproximações sucessivas de 8 bits apresenta as seguintes características: saída de fundo de escala de 5,1 V e frequência de clock de 500 kHz. Com base nessas informações, assinale a alternativa que apresenta os valores CORRETOS da saída digital do conversor, na base 2, e do tempo de conversão, respectivamente, para um sinal de entrada analógico de 2,57 V.
Provas
Assinale as afirmações verdadeiras com (V) e as falsas com (F), considerando a figura abaixo da representação de uma montagem extraída de um sistema CAD 3D.

( ) Como ilustrado na figura, a indicação dos nomes das peças no modelo 3D é um recurso automático na modelagem de montagens.
( ) A indicação dos nomes das peças no modelo 3D da montagem não tem aplicação prática, por isso não é possível exibi-los na representação 3D, mas apenas na folha de desenho técnico com a lista de componentes da montagem.
( ) A lista de componentes de uma montagem é gerada com base na diferenciação de cores ou tonalidades, realizada na representação do modelo 3D da montagem.
( ) Não é possível afirmar que os nomes das peças no modelo 3D da montagem estejam necessariamente vinculados aos nomes das peças da lista de componentes da montagem, isso depende da configuração no sistema CAD 3D, realizada no momento da modelagem.
( ) A diferença de cores ou tonalidades entre os componentes de uma montagem é um recurso meramente de visualização, ou seja, não apresenta vinculação nenhuma com a estrutura hierárquica da montagem.
Assinale a alternativa que apresenta a sequência CORRETA de cima para baixo.
Provas
Sobre estratégias de usinagem disponíveis em sistemas CAM para fresamento, marque as afirmações verdadeiras com (V) e as falsas com (F).
( ) A operação de desbaste a partir de blocos brutos utiliza movimentações em 2 ½ eixos com objetivo de remover a maior quantidade de material antes de atingir a forma final da peça.
( ) O alívio de cantos é uma operação de pré-acabamento que emprega ferramentas com diâmetro maior que as utilizadas no desbaste.
( ) O acabamento através de passes paralelos horizontalmente constantes é adequado para usinagem de peças com muitas regiões com superfícies verticais.
( ) A operação de remoção de degraus, disponível em alguns sistemas CAM, emprega um algoritmo que identifica excessos de material deixados na operação de acabamento.
( ) Diversos sistemas CAM empregam o uso de fronteiras (boundaries) como recurso para limitar a região a ser usinada em operações de acabamento.
Assinale a alternativa que apresenta a sequência CORRETA de cima para baixo.
Provas
Caderno Container