Foram encontradas 40 questões.
Um sistema de medição de rotação emprega um transdutor indutivo junto a uma engrenagem com 75 dentes, como ilustra esquematicamente a figura abaixo. O sinal do transdutor é lido por um osciloscópio.

Sabendo que neste momento o osciloscópio indica um sinal com frequência de 1500 Hz, qual a rotação da engrenagem, em RPM?
Assinale a alternativa que responde CORRETAMENTE à questão acima.
Provas
Um transdutor de nível possui as seguintes especificações do seu fabricante:
- Faixa de Medição: 200 a 1800 mm
- Sinal de saída correspondente: 4 a 20 Ma
Assinale a alternativa que contém os valores corretos, com base nas especificações do transdutor, a sensibilidade desse transdutor e a saída em mA, respectivamente, quando o mesmo estiver medindo um nível de 1000 mm
Provas
Analise a medição do diâmetro de um eixo com um paquímetro, como mostrado esquematicamente na figura abaixo.

Sobre a posição de medição h dessa peça no bico do paquímetro, assinale a alternativa CORRETA dentre as mostradas abaixo.
Provas
Um elevador de carga para construção civil dispõe de um sistema de polias, conforme a ilustração abaixo, e tem capacidade para transportar no máximo 1.500 kg. Considerando que um motor elétrico com potência de 5250 W e n = 1750 rpm será utilizado par movimentar o elevador a uma altura máxima de 122,5 m, qual deve ser o diâmetro da polia do motor e tempo total de subida?
* considere g = 10 m/s 2 e o valor constante π=3.

Provas
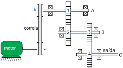
O sistema de transmissão da ilustração abaixo é acionado por um motor elétrico síncrono, com potência de 20 CV (~14,7kW) e rotação de 1750 rpm, para movimentar um maquinário para olaria que produz durante 24h/dia. A potência do motor é transmitida ao eixo 'A' por uma correia que conecta a polia 'a' (diâmetro 108 mm) à polia 'b' (diâmetro 270 mm). O eixo 'A' transmite a potência ao eixo 'B' pelo par de engrenamento 1 e 2 (28 e 40 dentes, respectivamente) que, por sua vez, transmite a potência ao eixo 'C' (saída) pelo par de engrenamento 3 e 4 (19 e 38 dentes, respectivamente). Considere a eficiência da transmissão por correia 0,97 sem haver escorregamento, a eficiência de cada par de engrenamento 0,94, os mancais como ideais e o valor constante π=3,14.

Quais são, respectivamente, os valores mais aproximados do torque (em N.m) e da rotação (em rpm) de saída no eixo C?
Assinale a alternativa que responde CORRETAMENTE à questão acima.
Provas
“Promover a inclusão e formar cidadãos, por meio de educação profissional, científica e tecnológica, gerando, difundindo e aplicando conhecimento e inovação, contribuindo para o desenvolvimento socioeconômico e cultural" (PDI/IFSC – 2015/2019, p. 27)
De que se trata o texto acima?
Assinale a alternativa que responde CORRETAMENTE à questão acima.
Provas
- LegislaçãoLei 9.394/1996: Lei de Diretrizes e Bases da Educação Nacional
- Educação Profissional – Leis, decretos, portarias, resoluções e pareceres
Provas
- Currículo (Teoria e Prática)
- Ensino SuperiorDidática e Prática no Ensino Superior
- Pesquisa em Educação
- Planejamento na EducaçãoNíveis e tipos de planejamentoPlanejamento Educacional
- Elaboração do Planejamento de Ensino
- Currículo: planejamento, seleção e organização dos conteúdos
“O planejamento, em relação aos diversos níveis, deve ser o instrumento direcional de todo o processo educacional, pois ele tem condições de estabelecer e determinar as grandes urgências, de indicar as prioridades básicas e de ordenar e determinar todos os recursos e meios necessários para a consecução de metas da educação." (Menegolla e Sant'Anna, 2001, p.31)
Considerando as características dos diferentes níveis de planejamento, associe a coluna da direita com a da esquerda.
(1) Planejamento Educacional
(2) Planejamento da Escola
(3) Planejamento curricular
(4) Plano de curso
(5) Plano de disciplina
(6) Plano de aula
( ) É de fundamental importância para a escola e para o aluno, pois determina os objetivos, relaciona as disciplinas, os conteúdos, as atividades e experiências que possibilitarão o alcance dos objetivos de aprendizagem.
( ) Define a organização de um conjunto de disciplinas que serão ministradas e desenvolvidas em uma escola.
( ) Torna-se necessário, tendo em vista as finalidades da educação, constituindo o instrumento básico para que todo o processo educativo se concretize.
( ) Constitui uma atividade que envolve o processo de reflexão, de decisões sobre a organização, o funcionamento e a proposta pedagógica da instituição.
( ) Expressa a proposta de trabalho do professor, constituindo a previsão do desenvolvimento do conteúdo. Corresponde ao nível de maior detalhamento do processo de planejamento didático.
( ) Sistematiza a ação do professor, pois expressa a previsão de conhecimentos e conteúdos que serão ministrados, a definição dos objetivos e a seleção de procedimentos e técnicas de ensino.
Assinale a alternativa que contém a ordem CORRETA de associação, de cima para baixo
Provas
- Currículo (Teoria e Prática)Concepções de currículo
- Currículo (Teoria e Prática)Teorias curriculares
“Isto é um currículo: um ser falante, como nós, efeito e derivado da linguagem […] Um ser sem coerência e sem profundidade. Que experimenta razões fracionadas, construídas ao redor de pedaços de falas de cada um. Que pode (pode?) ser qualquer coisa, em qualquer momento. Que não sabe mais para onde vai, mas que mesmo assim, continua em frente, querendo saber das condições históricas e políticas, que produzem as verdades linguajeiras de um currículo" (CORAZZA, 2002, p.14).
Assinale a alternativa que indica a concepção de currículo destacada pelo texto acima.
Provas
- LegislaçãoCursos de Graduação e Educação Profissional Tecnológica - Decretos e Portarias
- Educação Profissional – Leis, decretos, portarias, resoluções e pareceres
( ) A transformação das Escolas de Aprendizes Artífices em Liceus Industriais deu-se a partir da necessidade de implantação de cursos técnicos de nível médio.
( ) O ingresso em qualquer curso superior para o aluno concluinte de um curso técnico de nível médio só foi possível a partir da aprovação da Lei nº 9.394, de 20 de fevereiro de 1996.
( ) O processo de criação dos Institutos Federais de Educação, Ciência e Tecnologia deu-se por meio da Lei nº 11.892, de 29/12/2008 e o IFSC foi criado mediante transformação do Centro Federal de Educação Tecnológica de Santa Catarina.
( ) A Rede Federal de Educação Profissional, Científica e Tecnológica é vinculada ao Ministério da Educação e é constituída pelos Institutos Federais, Universidade Tecnológica Federal do Paraná, os Centros Federais de Educação Tecnológica de Minas Gerais e do Rio de Janeiro, as Escolas Técnicas vinculadas às Universidades Federais e pelo Colégio Pedro II.
( ) Em 1978, todas as Escolas Técnicas Federais existentes foram transformadas em Centros Federais de Educação Tecnológica com a atribuição de formar engenheiros de operação e tecnólogos.
Assinale a alternativa que contém a sequência CORRETA de cima para baixo.
Provas
Caderno Container