Magna Concursos

Foram encontradas 40 questões.

2193829 Ano: 2017
Disciplina: Engenharia Mecânica
Banca: IF-SC
Orgão: IF-SC

fenômeno que ocorre quando a frequência da força atuante num sistema mecânico coincide com a frequência natural de vibração do sistema é chamado:

 

Provas

Questão presente nas seguintes provas
2193827 Ano: 2017
Disciplina: Engenharia Mecânica
Banca: IF-SC
Orgão: IF-SC

As figuras a seguir mostram dois gráficos referentes ao diagrama tensão-deformação de um material metálico, obtido através de ensaio de tração. Com base no diagrama exposto, podemos afirmar que os módulos de elasticidade e de resiliência do material valem, respectivamente:

Enunciado 3283351-1

 

Provas

Questão presente nas seguintes provas
2193790 Ano: 2017
Disciplina: Engenharia Mecânica
Banca: IF-SC
Orgão: IF-SC

Um equipamento mecânico é entregue para uma empresa e, nos procedimentos de instalação, o fabricante indica a necessidade de se construir sapatas de concreto e fixar o equipamento com parafusos na mesma. Considerando o projeto e a dinâmica de máquinas, e analisando esta indicação podemos concluir que:

O fabricante procurou reduzir os desgastes advindos da vibração que poderiam ocorrer no equipamento

PORQUE

aumentando a massa do equipamento ele diminui a frequência natural para um valor inferior a faixa mínima de trabalho do equipamento.

Assinale a opção CORRETA.

 

Provas

Questão presente nas seguintes provas
2193760 Ano: 2017
Disciplina: Engenharia Mecânica
Banca: IF-SC
Orgão: IF-SC

Em diversas atividades vinculadas às práticas profissionais de técnicos, tecnólogos e de engenheiros são desenvolvidos projetos de produtos ou processos. A respeito deste tema leia as afirmações sobre metodologia de projetos.

I. Metodologias de projetos são, basicamente, atividades de criatividade aplicada.

II. Para projetar uma peça de cada vez, deve-se considerar que a função e o desempenho de cada peça dependem das inter-relações de uma mesma máquina.

III. Síntese e análise são dois lados de um projeto. Síntese significa colocar junto e análise significa decompor. Por tanto, são fases de projeto opostas e não podem ser unidas.

IV. As melhorias geradas na fase de síntese devem ser perfeitas e imutáveis, pois suas alterações podem resultar em inconsistências no projeto.

Assinale a alternativa que apresenta somente as afirmativas CORRETAS.

 

Provas

Questão presente nas seguintes provas
2193733 Ano: 2017
Disciplina: Engenharia Mecânica
Banca: IF-SC
Orgão: IF-SC

Vibrações mecânicas estão presentes em equipamentos que possuem movimentos e os profissionais da área de mecânica devem acompanhar, interferir nos casos necessários. Leia as afirmações sobre vibrações mecânicas.

I. As partes elementares de sistemas vibratórios são: Sistema de armazenagem de energia potencial, meio para armazenagem de energia cinética e um meio de perda gradual de energia.

II. Vibração é qualquer movimento que se repita após um intervalo de tempo denominado oscilação.

III. Graus de liberdade é definido como o número mínimo de coordenadas dependentes requeridas para determinar completamente as posições de todas as partes de um sistema.

IV. Um sistema sofre vibração livre somente quando oscila sob uma perturbação inicial, sem a ação de nenhuma força após essa perturbação inicial.

Assinale a alternativa que apresenta somente as afirmativas CORRETAS.

 

Provas

Questão presente nas seguintes provas
2193714 Ano: 2017
Disciplina: Engenharia Mecânica
Banca: IF-SC
Orgão: IF-SC

Identifique, a partir das características apresentadas, as ferramentas e métodos utilizados no projeto de produtos numerando corretamente a coluna da direita de acordo com a da esquerda.

(1) Método de criatividade sistemático que visa, a partir da combinação de princípios de solução, gerar uma concepção para o produto.

( ) Failure Mode and Effect Analysis (FMEA)

(2) Ferramenta que procura atribuir valor aos requisitos dos clientes do produto a partir da comparação entre pares de requisitos.

( ) Quality Function Deployment (QFD)

(3) Ferramenta baseada no levantamento de elementos críticos de um projeto a partir da identificação de problemas no cumprimento das funções do produto com base na criticidade, taxa de ocorrência de eventos, e possibilidade de detecção destes.

( ) Matriz Morfológica

(4) Método que hierarquiza os requisitos do produto a partir da interrelação entre os requisitos dos clientes, os requisitos do produto e seu grau de importância para o cliente.

( ) Diagrama de Mudge

(5) Método que busca desdobrar o produto em uma estrutura de diagrama e detalhar os fluxos de material, energia e informação que ocorrem no mesmo.

( ) Modelagem funcional

A ordem CORRETA de associação, de cima para baixo, é:

 

Provas

Questão presente nas seguintes provas

De acordo com o Decreto nº 1.171 de 1994, analise as afirmações:

I. Tal decreto trata do Código de Ética Profissional do Servidor Público Civil do Poder Executivo Federal, apresentando as regras deontológicas, os principais deveres do servidor público, bem como suas vedações, além dos seus direitos e vantagens.

II. É vedado ao servidor público fazer uso de informações privilegiadas obtidas no âmbito interno de seu serviço, em benefício próprio, de parentes e de amigos ou de terceiros.

III. Toda pessoa tem direito à verdade. O servidor não pode omiti-la ou falseá-la, ainda que contrária aos interesses da própria pessoa interessada ou da Administração Pública.

IV. A publicidade de qualquer ato administrativo constitui requisito de eficácia e moralidade, mesmo em casos de segurança nacional, investigações policiais ou de interesse superior do Estado ou da Administração Pública. Sua omissão enseja comprometimento ético contra o bem comum, imputável a quem a negar.

V . A função pública deve ser tida como exercício profissional e, portanto, se integra na vida particular de cada servidor público. Assim, os fatos e atos verificados na conduta do dia-a-dia em sua vida privada poderão acrescer ou diminuir o seu bom conceito na vida funcional.

Assinale a opção CORRETA:

 

Provas

Questão presente nas seguintes provas
2193655 Ano: 2017
Disciplina: Engenharia Mecânica
Banca: IF-SC
Orgão: IF-SC

Com relação a análise por elementos finitos, marque (V) para as alternativas verdadeiras e (F), para as falsas.

( ) Método clássico de análise de tensões.
( ) Método que pode usar uma interface CAD para determinação de tensões.
( ) Método que pode usar programas de computador comerciais para determinar tensões em uma peça.
( ) Divide uma peça em um número finito de partes.
( ) Usa o princípio do corpo rígido e da não propagação de forças através dos “nós”.

Assinale a alternativa que contém a sequência CORRETA de cima para baixo.

 

Provas

Questão presente nas seguintes provas
2193627 Ano: 2017
Disciplina: Engenharia Mecânica
Banca: IF-SC
Orgão: IF-SC

A viga composta, representada na figura a seguir, é constituída de dois materiais metálicos distintos. As dimensões da mesma estão representadas na imagem. Considerando que a mesma está submetida a um momento fletor M = 37 kN.m, e que os valores dos módulos de elasticidade dos materiais 1 e 2 são, respectivamente, E1 = 100 GPa e E2 = 200 GPa, os valores de tensão normal aos quais os pontos A e B estão submetidos são respectivamente:

Enunciado 3007778-1

 

Provas

Questão presente nas seguintes provas
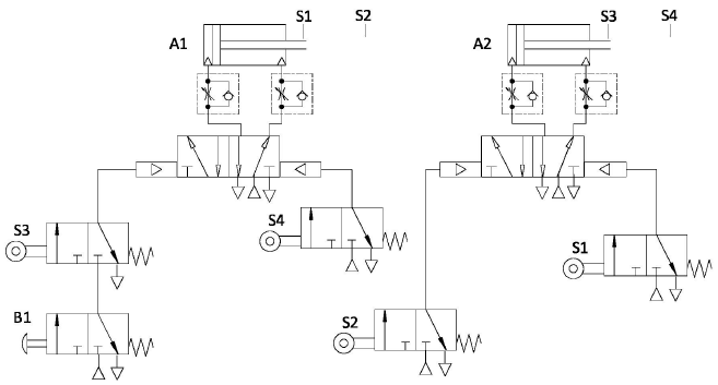
2193617 Ano: 2017
Disciplina: Engenharia Mecânica
Banca: IF-SC
Orgão: IF-SC

O circuito abaixo representa um sistema sequencial com pneumática pura. Considerando que o comando de partida é dado pelo botão B1, que “A+” significa que a ação do atuador A avançar, que “A-“ significa a ação do atuador recuar e que as ações colocadas dentro de parênteses indicam que estas iniciam ao mesmo tempo, assinale a alternativa que indica a CORRETA sequência de acionamento.

Enunciado 2930003-1

 

Provas

Questão presente nas seguintes provas