Foram encontradas 1.600 questões.
Um desenhista pretende fazer um desenho técnico e, para isso, precisa escolher uma largura para as linhas largas e outra largura para as linhas estreitas. As escolhas feitas por ele para as linhas largas e estreitas são, respectivamente,
I. 1,0 mm e 0,35 mm.
II. 0,7 mm e 0,5 mm.
III. 0,5 mm e 0,25 mm.
Quais das escolhas podem ser utilizadas por ele?
Provas
Questão presente nas seguintes provas
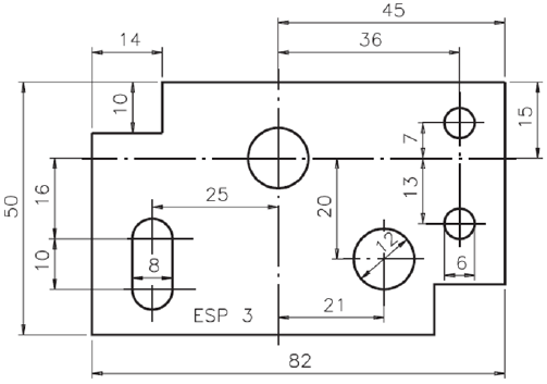
Analise o desenho técnico e identifique as cotas que foram indicadas, a partir da linha de simetria vertical.

Os valores das cotas identificadas são
Provas
Questão presente nas seguintes provas
Em relação aos parâmetros físicos de qualidade de águas, cor e turbidez, é correto afirmar que
Provas
Questão presente nas seguintes provas
O sistema de lodos ativados convencional é um dos processos mais utilizados na remoção de matéria orgânica de efluentes líquidos. A respeito deste processo, é correto afirmar que
Provas
Questão presente nas seguintes provas
Segundo Alberto Beuttenmüller, os padres traziam para o Brasil, quase sempre, seus próprios artistas e, às vezes, sua própria ordem religiosa.
Identificando o período Barroco os artistas edificavam igrejas, pintavam os interiores e faziam as imagens santas de barro cozido. Dois ceramistas foram os destaques no Brasil do Século XVII, ambos frades beneditinos. São eles:
Provas
Questão presente nas seguintes provas
Os classificadores, na Língua de Sinais, são conceituados como
Provas
Questão presente nas seguintes provas
Na obra As causas da pobreza, Simon Schwartzman afirma que o Brasil historicamente desenvolveu-se através de um processo denominado “modernização conservadora”, cuja principal característica é
Provas
Questão presente nas seguintes provas
Em relação aos movimentos surdos, marque a alternativa INCORRETA:
Provas
Questão presente nas seguintes provas
No artigo “Teoria Crítica em História da Arte: Novas Opções para a Prática de Arte-Educação”(2005), do livro Arte/Contemporânea, Consonâncias Internacionais, Jacqueline Chanda diz que antes, o que era conhecido como “História da Arte” é hoje domínio da “Nova História da Arte”. Segundo a autora quais conceitos estão envolvidos nessa “Nova História da Arte”:
I. Uma abordagem mais teórica do estudo de uma obra de arte.
II. O uso da teoria crítica nos processos contemporâneos de investigação para que se chegue à compreensão de uma obra de arte.
III. As formas de fazer história da arte são mais complexas.
Estão corretas as afirmativas:
Provas
Questão presente nas seguintes provas
Observe abaixo, o desenho dos canteiros de uma horta.

Pretende-se colocar ao redor da área, uma cerca de proteção com cinco voltas de fio de arame. Sabe-se que a área tem a forma retangular e que as medidas encontradas no desenho, para os lados do terreno, são 10,0 cm de comprimento por 7,5 cm de largura.
A extensão de fio de arame necessária para cercar o terreno é de aproximadamente
Provas
Questão presente nas seguintes provas
Cadernos
Caderno Container