Foram encontradas 120 questões.
Para Samira Mesquita (2006, p. 25-26), o herói romântico é aquele que sempre buscava o reequilíbrio do enredo, já o anti-herói, popularizado no Realismo e no Modernismo, é um protagonista que não consegue recuperar a ordem perdida.
O exemplo de anti-herói que reconheceu a degradação do mundo à sua volta, mas não desejou mudar nada, mantendo uma postura cética e irônica é
Provas
Questão presente nas seguintes provas
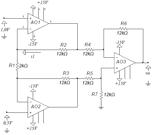
O valor de !$ vo !$, no circuito esquematizado abaixo, é de

Provas
Questão presente nas seguintes provas
De acordo com as afirmações abaixo, marque com (V) as que forem verdadeiras e com (F) as falsas:
( ) um capacitor quando ligado em C.A. provoca um defasamento de 90° entre tensão e corrente;
( ) um capacitor quando ligado em C.A. atrasa a tensão em relação a corrente em um ângulo de 90°;
( ) um capacitor quando ligado em C.A. adianta a corrente em relação a tensão em um ângulo de 90°;
( ) em um indutor quando ligado em C.A. temos um adiantamento da corrente em relação a tensão;
( ) o indutor quando ligado em C.A. atrasa a corrente em relação a tensão em um ângulo de 90°.
A sequência correta, de cima para baixo, é
Provas
Questão presente nas seguintes provas
Ao trabalhar com produção textual, uma professora identificou dois segmentos de texto que apresentavam vocábulos não dicionarizados.
Vejam-se:
... porque era preciso desdar o nó.
... os infelizardos não tinham...
Ele não teve tempo de coisar...
A professora, embora reconhecendo que tais palavras não fazem parte da língua, entendeu o processo morfológico que levou os alunos a realizarem tais construções, mostrando a eles as operações que realizaram.
Sobre as construções destacadas nos trechos das redações, quanto ao processo de formação de palavras, é correto afirmar que:
Provas
Questão presente nas seguintes provas
“Deixarei de lado, pelo menos na conferência desta noite, a análise histórico-sociológica do personagem do autor. Como o autor se individualizou em uma cultura como a nossa, que estatuto lhe foi dado, a partir de que momento, por exemplo, pôs-se a fazer pesquisas de autenticidade (...), em que sistema de valorização o autor foi acolhido, em que momento começou-se a contar a vida não mais dos heróis, mas dos autores, como se instaurou essa categoria fundamental da crítica ‘o homem-e-a-obra’, tudo isso certamente mereceria ser analisado”.
(FOUCAULT, Michel. O que é um Autor?. In Estética: literatura e pintura, música e cinema. São Paulo: Editora Forense Universitária, 2009)
Sobre a relação do texto com o autor, Michel Foucault afirma que, pelo menos aparentemente, a maneira com que o texto aponta para o autor é
Provas
Questão presente nas seguintes provas
Observe a figura abaixo.

Qual valor do módulo da corrente que circula no indutor representado na figura?
Provas
Questão presente nas seguintes provas
A função !$ S=A ⋅ (\bar{B}+C) !$ é equivalente à função
Provas
Questão presente nas seguintes provas
O valor 41510 pode ser representado como
Provas
Questão presente nas seguintes provas
Leia o excerto seguinte, de Cunha e Cintra (2007, p.03), o qual apresenta lacunas que devem ser preenchidas:
“ Em princípio, uma língua apresenta, pelo menos, três tipos de diferenças internas, que podem ser mais ou menos profundas:
1º) diferenças no espaço geográfico ou (falares locais, variantes regionais e, até, intercontinentais);
2º) diferenças entre as camadas socioculturais, ou (nível culto, língua padrão, nível popular, etc. );
3º) diferenças entre os tipos de modalidade expressiva, ou (língua falada, língua escrita, língua literária, linguagens especiais, linguagem dos homens, linguagem das mulheres, etc.).
As expressões que completam corretamente as lacunas são:
Provas
Questão presente nas seguintes provas
Em um sistema trifásico constituído de 3 impedâncias, representado abaixo, Z1 = (3 + j4) !$ Ω !$, Z2 = 5∟53,13° !$ Ω !$ e Z3 = (3 + J4) !$ Ω !$ estão alimentadas por V1 = (-190,53 - j110) V, V2 = j220 V e V3 = (190,53 - j110) V.

Ao determinarmos a corrente de neutro IN temos o seguinte resultado
Provas
Questão presente nas seguintes provas
Cadernos
Caderno Container