Foram encontradas 1.765 questões.
Assinale a alternativa que apresenta a sequência CORRETA de identificação das tensões de
entrada do circuito.Provas
No circuito da figura abaixo, a tensão de offset de cada amplificador é Vos = 10 mV. Determine as tensões de saída Vo1 e Vo2 para Vi = 0.

Provas
Considerando a distribuição de polos e zeros de um sistema em Malha Aberta no plano s, mostrada a seguir, indique o Lugar Geométrico das Raízes para o sistema em Malha Fechada.

Provas
Analise o circuito abaixo e defina os valores de saída preenchendo a tabela.

Assinale a alternativa que contém a sequência correta de valores da saída da tabela da primeira linha para a última.
Provas
Analise o diagrama Ladder abaixo e defina a sequência obrigatória de acionamento dos motores 1 e 2 para ligar e desligar esses motores. Considere que o acionamento do motor 1 (M1) está vinculado à energização da bobina do contator 1 (K1) e o acionamento do motor 2 (M2) está vinculado à energização da bobina do contator 2 (K2).
B1, B3, B2 e B4 – Contatos vinculados a botoeiras.

Provas
Provas
Considerando o circuito gerador de sinal PWM a seguir, determine o valor médio da tensão de saída e os tempos ton (saída máxima) e toff (saída mínima) para um sinal de entrada de 2 V.

Provas
A tabela verdade de um circuito digital é apresentada a seguir. Sendo as entradas as variáveis ‘a’, ‘b’ e ‘c’, e a saída a variável ‘y’ qual expressão lógica que representa a saída em função das entradas?

Provas
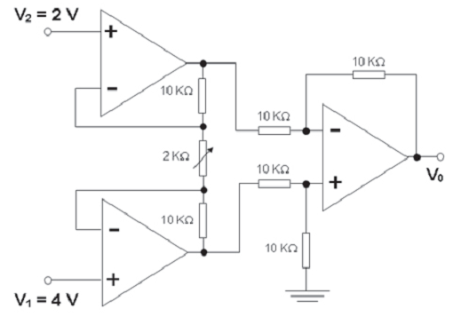
Calcule o valor de V0 para o circuito abaixo e assinale a alternativa correta.

Provas

Um sistema de controle é constituído de uma planta, cujo modelo em malha aberta apresenta 3 polos reais e nenhum zero finito. Fechando-se a malha com realimentação de saída e variando o ganho de malha (K) positivamente de zero a infinito, os polos se deslocam seguindo as trajetórias mostradas no lugar das raízes da figura acima.
Provas
Caderno Container