Foram encontradas 1.765 questões.
Determine o valor da resistência R do circuito abaixo de forma que o consumo da lâmpada seja igual a 25% da sua potência nominal.

Provas
Utilizando a conversão Delta-Estrela encontrar a resistência equivalente do circuito apresentado na figura a seguir.

Provas
A chave da figura abaixo do circuito ficou na posição ‘a’ por um longo tempo. No instante t = 0s ela é movida para a posição ‘b’ e nela permanece. Considere V0 = 24V, R1 = 80Ω, R2 = 20Ω e C1 = 0,1F.

Provas
A chave da figura abaixo do circuito ficou na posição ‘a’ por um longo tempo. No instante t = 0s ela é movida para a posição ‘b’ e nela permanece. Considere V0 = 24V, R1 = 80Ω, R2 = 20Ω e C1 = 0,1F.

Provas
Calcule a tensão Vab no circuito da figura abaixo.

Provas
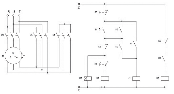
Considerando os circuitos de força e de comando da figura a seguir, podemos afirmar que:

Provas
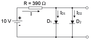
Determine para o circuito abaixo os valores de I, VR (tensão sobre o resistor), ID1, ID2 e assinale a alternativa com os valores corretos destas grandezas. Considere VD = 0,7 V.

Provas
Provas
Um capacitor de 5 µF com tensão inicial de 4 V é conectado em paralelo com resistores de 6kΩ e 3kΩ, como mostrado na figura abaixo. Encontre o valor da corrente i no resistor de 6kΩ.

Provas
Considere o seguinte circuito:

Encontre a resposta ao impulso do circuito h(t), supondo que o sistema é causal.
Provas
Caderno Container