Foram encontradas 1.765 questões.
Considere a seguinte EDO:

Encontre os pólos do sistema e determine se o sistema é estável ou instável. Considere o sistema causal e com condições iniciais nulas.
Provas
Considere o seguinte x sistema dinâmico representado no Espaço de Estados

Pode-se dizer que este sistema é:
Provas
Seja o sistema descrito pela equação de estado:

Y = CX(t)
Onde:

Encontre o valor da constante “a” (se possível) que estabilize este sistema.
Provas
Para o circuito da figura abaixo, todos os amplificadores são ideais, exceto pelo fato de possuírem correntes de polarização IB1 = IB2 = 10 µA. Para vi = 0 e RA = RB = 0. Determine os valores de Vo1, Vo2 e Vo3 devido às correntes de polarização.

Provas
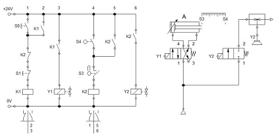
Indique a sequência de eventos que ocorrerão após o acionamento do botão S0.

Provas
Para o circuito mostrado na figura a seguir, obtenha as correntes de malha I1 , I 2 e I 3 .

Provas
No circuito da figura a seguir, a potência fornecida pela fonte de tensão é igual a P. Se um outro resistor com resistência igual a 4R for ligado em paralelo com o resistor já existente, qual será a nova potência fornecida pela fonte?

Provas
Obtenha a potência total fornecida pela fonte de 60 V da figura a seguir.

Provas
No circuito da Figura abaixo sabe-se que R=60Ω, L = 100mH, C = 50µF. Neste mesmo circuito, o voltímetro está indicando uma tensão de 40V. Sabendo que a frequência de oscilação da fonte é igual a 500/π Hz, qual é, aproximadamente, a tensão (U) da mesma?

Provas
A figura a seguir mostra um sistema CBA trifásico, de quatro fios, com uma tensão eficaz de linha de 120 V, possui três impedâncias de 20 -30° em uma ligação em Y. Determine as correntes de linha IA, IB, IC e IN.

Provas
Caderno Container