Foram encontradas 60 questões.
Em um sistema de controle de primeira ordem cuja função de transferência é do tipo \( \large{K \over (s+b)} \), a resposta temporal a uma entrada degrau é uma
Provas
Um bipolo receptor está submetido a uma tensão e a uma corrente cujas formas de onda estão representadas abaixo:

Dado: \( P_m={\large{1 \over T}}\int\limits_{0}^{T}V.i.dt \)
A potência média em um ciclo vale
Provas
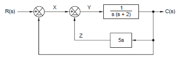
No sistema de controle seguinte, a função de transferência \( F(s)={\large{C(s) \over R(s)}} \) é dada por

Provas
A equação lógica correspondente à saída S do diagrama Ladder seguinte é:

Provas
Uma instalação elétrica com carga de 30 kVA tem fator de potência 0,6. Por meio de um banco de capacitores, o fator de potência será corrigido para 0,8. Nesse caso, a potência reativa, em kVAR, precisará mudar de
Provas
Considera-se vantagem e desvantagem do sensor de proximidade indutivo, respectivamente:
Provas
Na composição dos custos indiretos de manutenção, devem ser considerados os custos com
Provas
Responde pelo acompanhamento e análise do “back-log” global, dos tempos médios de execução de serviços e índices de bloqueios de programação,
Provas
O diagrama abaixo representa a estrutura de controle e planejamento da manutenção.

O gerenciamento dos recursos disponíveis deverá ficar atrelado a
Provas
Disciplina: Legislação Específica das Agências Reguladoras
Banca: FCC
Orgão: INFRAERO
Provas
Caderno Container