Foram encontradas 769 questões.
Algarismos significativos são utilizados para expressar a exatidão de uma grandeza ou medida. Considerando um conversor Analógico-Digital (AD) de 10 bits, a representação em base decimal é corretamente representada na alternativa
Provas
Um Conversor Analógico Digital com resolução de 10 bits e referência de tensão de 5 V, após realizar 5 medições e realizar a média, retornou à seguinte informação binária : 0001010111. Em volts o valor retornado equivale a
Provas
Padrão é um instrumento de medida destinado a definir, conservar ou reproduzir a unidade base de medida de uma grandeza. Os padrões podem reproduzir a unidade base de medida, bem como seus múltiplos e submúltiplos. A calibração de padrões é feita regularmente através de laboratórios nacionais, comparando-os com os padrões definidos como primários para uma grandeza especificada. Esta comparação também é denominada
Provas
O osciloscópio é um dos instrumentos de medida mais úteis na análise eletrônica. Com ele é possível medir, de forma direta, a amplitude e o período de um sinal elétrico e, de forma indireta, a frequência e o ângulo de defasagem. De acordo com os sinais A e B, ilustrados no oscilograma a seguir, o valor da defasagem medida é corretamente representado na alternativa
(Considere as escalas do osciloscópio estão ajustadas para 5V/DIV e 1ms/DIV.)

Provas
Para avaliar o desempenho de um voltímetro portátil, uma pilha-padrão de (1,500 !$ \pm !$ 0,001) V foi medida repetidamente. As indicações obtidas estão apresentadas na tabela.
| Nº | Indicação (V) |
| 1 | 1,580 |
| 2 | 1,602 |
| 3 | 1,595 |
| 4 | 1,570 |
| 5 | 1,590 |
| 6 | 1,605 |
| 7 | 1,584 |
| 8 | 1,592 |
| 9 | 1,598 |
| 10 | 1,581 |
Assinale a alternativa que apresenta a estimativa do erro sistemático.
Provas
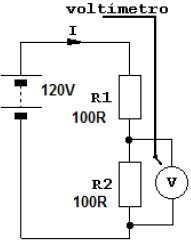
O voltímetro apresentado no circuito para uma medição 0 a 120 V apresenta a tolerância de 5% da leitura de fim de escala.

Considerando o valor a ser medido pelo instrumento analógico no circuito, o erro máximo admissível em percentagem é apresentado na alternativa
Provas
De acordo com a norma regulamentadora NR10, em relação à segurança nas instalações elétricas, marque V para as afirmativas verdadeiras e F para as falsas.
( ) As medidas de proteção coletiva compreendem, prioritariamente, a desenergização elétrica e, na sua impossibilidade, o emprego de tensão de segurança.
( ) São consideradas medidas de proteção coletiva: isolação das partes vivas, obstáculos, barreiras, sinalização, sistema de seccionamento automático de alimentação, desbloqueio do religamento automático.
( ) Os locais de serviços elétricos, compartimentos e invólucros de equipamentos e instalações elétricas podem ser utilizados como depósito de componentes para reposição durante a manutenção.
( ) As operações elementares como ligar e desligar circuitos elétricos, realizadas em baixa tensão, com materiais e equipamentos elétricos em perfeito estado de conservação, adequados para operação, podem ser realizadas por qualquer pessoa não advertida.
( ) Os equipamentos, ferramentas e dispositivos isolantes ou equipados com materiais isolantes, destinados ao trabalho em alta tensão, devem ser submetidos a testes elétricos ou ensaios de laboratório periódicos, obedecendo as especificações do fabricante, os procedimentos da empresa e, na ausência desses, semestralmente.
A sequência está correta em
Provas
O circuito da imagem representa uma medição em ponte para resistências.

Estão corretas as afirmações sobre o funcionamento do circuito, EXCETO:
Provas
Termopares são elementos medidores de temperatura através da junção de elementos metálicos que quando submetidos ao calor ou frio produzem uma F.E.M. Considerando os processos existentes para medição de temperatura com termopares, são erros possíveis, EXCETO:
Provas
De acordo com a NR33, são medidas técnicas de prevenção, EXCETO:
Provas
Caderno Container