Foram encontradas 769 questões.
A avaliação da conformidade pode ser classificada quanto ao agente econômico e quanto ao campo de utilização. A avaliação da conformidade, quanto ao campo de utilização, pode ser classificada como:
Provas
Dependendo de quem realiza a avaliação e, portanto, tem a responsabilidade de atestar a conformidade, a atividade de avaliação da conformidade pode ser classificada como: de primeira parte; de segunda parte ou de terceira parte. Sobre a classificação da avaliação da conformidade, quanto ao agente econômico, assinale a alternativa correta.
Provas
A avaliação da conformidade é um importante mecanismo para regulação de mercados. Sobre a implantação de um programa de avaliação da conformidade, é INCORRETO afirmar que
Provas
Disciplina: Legislação Específica das Agências Reguladoras
Banca: IDECAN
Orgão: INMETRO
As atividades do INMETRO impactam de forma ampla o cotidiano do país. Algumas das principais atividades do INMETRO são, EXCETO:
Provas
Disciplina: Legislação Específica das Agências Reguladoras
Banca: IDECAN
Orgão: INMETRO
O Instituto Nacional de Metrologia, Normalização e Qualidade Industrial (INMETRO), hoje chamado Instituto Nacional de Metrologia, Qualidade e Tecnologia, foi criado em 1973. O INMETRO tem como missão
Provas
Ao realizar uma medição elétrica, se não utilizar um instrumento adequado, haverá alteração das características do circuito causando, assim, uma medida errônea da grandeza elétrica. Essa alteração que o instrumento causa nas características do circuito é denominada de efeito de carga. Para medir tensão elétrica com mais precisão deve-se utilizar um voltímetro com
Provas
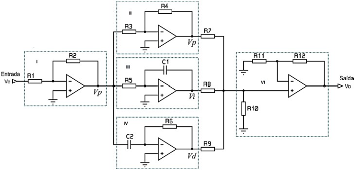
Analise a figura.

A figura representa um circuito completo PID, composto de amplificadores operacionais. O bloco que realiza a ação derivativa é representado na alternativa
Provas
A lei federal nº 9.472 de 16 de julho de 1997, que dispõe sobre a organização dos serviços de telecomunicações, a criação e funcionamento de um órgão regulador e outros aspectos institucionais, nos termos da Emenda Constitucional nº 8, de 1995, no seu capítulo III, define algumas regras comuns para a exploração dos Serviços de Telecomunicações, analise.
I. Serão coibidos os comportamentos prejudiciais à competição livre, em especial, a omissão de informações técnicas e comerciais relevantes à prestação de serviços por outrem.
II. A agência poderá estabelecer restrições, limites ou condições a empresas ou grupos empresariais quanto à obtenção e transferência de concessões, permissões e autorizações.
III. A prestadora poderá divulgar, a terceiros, informações agregadas sobre o uso de seus serviços, desde que elas não permitam a identificação, direta ou indireta do usuário, ou a violação de sua intimidade.
IV. Quando necessário e em qualquer circunstância, a prestadora poderá valer-se de informações relativas à utilização individual do serviço pelo usuário para garantir a excelência da prestação do serviço.
Está(ão) correta(s) apenas a(s) afirmativa(s)
Provas
Os guia de ondas são os métodos preliminares de transportar a energia em microonda com baixas perdas e maior facilidade de manipulação do que linhas da transmissão. O tamanho físico dos guias de ondas torna-se demasiadamente grande para o uso em frequências menores de 1000 MHz. O tamanho, a forma, e a colocação no guia de onda são fatores críticos na eficiência dos métodos da entrada/saída. A combinação de GUIA DE ONDA/IMPEDANCE é frequentemente necessária para reduzir as reflexões causadas por um mau alinhamento entre o guia de onda e a carga. Neste sentido, um dos dispositivos utilizado na sua instalação é chamado de cavidade ressonante. É correto afirmar que a cavidade ressonante é
Provas
A figura representa uma bobina com 20 espiras energizada com uma fonte de 35 V.

A força magnetomotriz exercida no circuito é representada na alternativa
Provas
Caderno Container