Foram encontradas 730 questões.
A esse respeito, considere as afirmações a seguir.
I - O fluido mais corrosivo deve ser colocado no lado tubo.
II - O fluido com maior pressão deve ser colocado no lado casco.
III - O fluido com menor valor para o coeficiente de transferência convectiva de calor h deve ser colocado no lado tubo.
É correto APENAS o que se afirma em
Provas
Para um ângulo de disparo dos tiristores de 30º , o valor médio, em volts, da tensão de saída é

Provas
A ordem do harmônico de tensão de mais baixa frequência, depois da fundamental, é
Provas
O preço de um produto sofreu três aumentos consecutivos: um de 10% em janeiro, outro de 15% em fevereiro e um último de 10% em março. Logo após o aumento de março, o preço do produto será maior do que o preço imediatamente anterior ao aumento de janeiro em
Provas
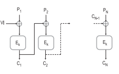
O esquema acima representa o modo de encadeamento de blocos cifrados CBC, no qual E k representa o algoritmo de cifrar E sob a chave k; Pi (1 ≤ i ≤ N) são os textos em claro; Ci (1 ≤ i ≤ N), os textos cifrados correspondentes, e VI, o vetor de inicialização.
Se D k é a função inversa de Ek , tal que Dk (Ek (X)) = X, onde X é um texto em claro, qual é o esquema que representa a decifragem correspondente ao esquema de cifragem apresentado?
Provas

O circuito eletrônico mostrado na Figura acima está polarizado com todos os componentes calculados para funcionar de acordo com a reta de carga traçada sobre a curva característica do transistor bipolar NPN.
Considerando I c = 6 mA e com base no circuito e no Gráfico da reta de carga, o valor, em Ω, do resistor RE é
Provas

A Figura acima ilustra um rotor com 0,25 metro de raio que possui um enrolamento de apenas uma espira. Esse rotor é feito de material não magnético e possui comprimento de 2,0 metros, sendo, dessa forma, o comprimento longitudinal da espira, e está situado em um campo magnético uniforme com densidade de fluxo magnético igual a 0,5 Tesla. Uma corrente de 100 ampères circula pela espira. Os sentidos do campo magnético e da corrente em cada condutor estão mostrados na Figura. Considere o ângulo a de 30º entre o eixo referencial e o eixo que atravessa o centro do rotor alinhado com os condutores da espira. O eixo referencial é ortogonal ao eixo alinhado com o sentido do campo magnético.
Qual o torque, em Newton . metro, aplicado no rotor para essa situação?
Provas

A Figura acima ilustra duas máquinas síncronas acopladas pelos seus eixos de rotação, sendo um motor síncrono conectado ao sistema elétrico A (Motor Síncrono A) e um gerador síncrono que alimenta o sistema elétrico B (Gerador Síncrono B). O sistema elétrico A tem frequência de 50 Hz, e o sistema elétrico B tem frequência de 60 Hz.
Se o Motor Síncrono A tem 20 polos, quantos polos deve ter o Gerador Síncrono B para que alimente o sistema elétrico B com frequência de 60 Hz?
Provas
A Figura mostra quatro pontos: A, B, C e D. Eles possuem as seguintes propriedades:
• Os pontos A, D e C são colineares;
• O triângulo formado pelos pontos B, D e C é retângulo em D;
• A distância entre os pontos D e C é igual ao triplo da distância entre os pontos A e D;
• \( \hat{A} = 60^{ \circ} \)
• \( \hat{C} = \theta \)

Qual é o valor do ângulo \( \theta \)?
Provas

Um motor de indução trifásico de rotor bobinado aciona uma carga cujo torque é constante e a velocidade é variável. A Figura ao lado mostra as curvas torque-velocidade para três pontos de operação do conjunto.
De acordo com as informações apresentadas, a variação de velocidade do motor é feita por
Provas
Caderno Container