Foram encontradas 1.192 questões.
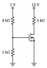
Considere o circuito abaixo, que utiliza um transistor NMOS do tipo
enriquecimento.

Sabe-se que o transistor utilizado possui as seguintes especificações:
• VT = 1 V;
•k'n (W/L)= 1 mA/V2; e
• λ = 0 (despreze a modulação do comprimento do canal).
A corrente que flui pelo dreno do MOSFET em miliampéres (mA) é aproximadamente igual a

Sabe-se que o transistor utilizado possui as seguintes especificações:
• VT = 1 V;
•k'n (W/L)= 1 mA/V2; e
• λ = 0 (despreze a modulação do comprimento do canal).
A corrente que flui pelo dreno do MOSFET em miliampéres (mA) é aproximadamente igual a
Provas
Questão presente nas seguintes provas
Considere o circuito abaixo:

Sabe-se que o transistor utilizado possui as seguintes especificações:
• VBE = 0,7 V;
• β = 100; e
• VCEsat = 0,3 V.
A corrente que flui pelo emissor do TBJ em miliampéres (mA) é aproximadamente igual a

Sabe-se que o transistor utilizado possui as seguintes especificações:
• VBE = 0,7 V;
• β = 100; e
• VCEsat = 0,3 V.
A corrente que flui pelo emissor do TBJ em miliampéres (mA) é aproximadamente igual a
Provas
Questão presente nas seguintes provas
Um conversor CC-CC do tipo boost, com apenas um estágio de
conversão, utilizando frequência de chaveamento de 25kHz
alimenta uma carga com tensão média de 15 Volts e corrente média
de 0,7 Ampéres. Por critérios de projeto é desejado que o ciclo de
trabalho (duty cycle) do conversor seja limitado entre 0,2 e 0,5 e que
a corrente média em regime permanente da fonte seja limitada a, no
máximo, 1A.
Desconsiderando as perdas, os valores mínimo e máximo da faixa de tensão, em Volts, que a fonte que alimenta o conversor pode assumir de forma que os critérios estabelecidos sejam respeitados, são
Desconsiderando as perdas, os valores mínimo e máximo da faixa de tensão, em Volts, que a fonte que alimenta o conversor pode assumir de forma que os critérios estabelecidos sejam respeitados, são
Provas
Questão presente nas seguintes provas
Transistores Bipolares de Junção (TBJ) são componentes versáteis
que podem ser utilizados em uma grande gama de aplicações. Sobre
as configurações de amplificadores de estágio simples utilizando TBJ,
analise as afirmativas a seguir.
I. Na configuração emissor comum, o ganho de tensão é negativo, indicando que há atenuação do nível de tensão do sinal de entrada.
II. Na configuração base comum, a resistência de entrada é baixa, o que limita a gama de aplicações em que essa configuração é utilizada.
III. Na configuração coletor comum, é possível obter grandes ganhos de tensão, essa característica contribui para que essa configuração seja utilizada como estágio de saída de amplificadores de múltiplos estágios.
Está correto o que se afirma em
I. Na configuração emissor comum, o ganho de tensão é negativo, indicando que há atenuação do nível de tensão do sinal de entrada.
II. Na configuração base comum, a resistência de entrada é baixa, o que limita a gama de aplicações em que essa configuração é utilizada.
III. Na configuração coletor comum, é possível obter grandes ganhos de tensão, essa característica contribui para que essa configuração seja utilizada como estágio de saída de amplificadores de múltiplos estágios.
Está correto o que se afirma em
Provas
Questão presente nas seguintes provas
Os MOSFET são, possivelmente, os transistores mais empregados
atualmente. Sejam como chaves em circuitos de potência, na
confecção dos circuitos integrados da família CMOS, como
amplificadores ou em alguma das suas outras aplicações, eles
marcam importante presença na nossa vida cotidiana.
Sobre esse importante componente eletrônico, é correto afirmar que o MOSFET,
Sobre esse importante componente eletrônico, é correto afirmar que o MOSFET,
Provas
Questão presente nas seguintes provas
Circuitos reguladores são uma importante classe de circuitos
utilizados para fornecer um nível constante de tensão.
Sobre os reguladores lineares assinale a afirmativa correta.
Sobre os reguladores lineares assinale a afirmativa correta.
Provas
Questão presente nas seguintes provas
Ao se deparar com um componente desconhecido, um engenheiro
fez as seguintes observações:
• o componente possui 3 três terminais externos, que foram denominados A, B e C;
• com o terminal C desconectado, aplicar uma diferença de potencial (positiva ou negativa) entre os terminais A e B não faz circular corrente pelo componente;
• com o terminal B desconectado, aplicar uma diferença de potencial (positiva ou negativa) entre os terminais A e C não faz circular corrente pelo componente;
• com o terminal A desconectado, aplicar uma diferença de potencial (positiva ou negativa) entre os terminais B e C não faz circular corrente pelo dispositivo;
• enquanto aplicada uma determinada tensão negativa no terminal A, uma pequena diferença de potencial aplicada entre os terminais B e C faz surgir uma corrente entre esses dois terminais.
Com base nessas observações, o componente analisado pelo engenheiro é o
• o componente possui 3 três terminais externos, que foram denominados A, B e C;
• com o terminal C desconectado, aplicar uma diferença de potencial (positiva ou negativa) entre os terminais A e B não faz circular corrente pelo componente;
• com o terminal B desconectado, aplicar uma diferença de potencial (positiva ou negativa) entre os terminais A e C não faz circular corrente pelo componente;
• com o terminal A desconectado, aplicar uma diferença de potencial (positiva ou negativa) entre os terminais B e C não faz circular corrente pelo dispositivo;
• enquanto aplicada uma determinada tensão negativa no terminal A, uma pequena diferença de potencial aplicada entre os terminais B e C faz surgir uma corrente entre esses dois terminais.
Com base nessas observações, o componente analisado pelo engenheiro é o
Provas
Questão presente nas seguintes provas
Transistores Bipolares de Junção (TBJ) são componentes versáteis,
que podem ser utilizados em uma grande gama de aplicações.
Sobre os regimes de operação dos TBJ, assinale a afirmativa correta.
Sobre os regimes de operação dos TBJ, assinale a afirmativa correta.
Provas
Questão presente nas seguintes provas
Amplificadores operacionais podem ser utilizados na eletrônica
analógica para construir integradores e diferenciadores, como, por
exemplo, para implementar um controlador PID.

Considerando as figuras acima, assinale a afirmativa correta.

Considerando as figuras acima, assinale a afirmativa correta.
Provas
Questão presente nas seguintes provas
Ao projetar um circuito utilizando um amplificador operacional, o
engenheiro responsável utilizou um potenciômetro para compensar
o efeito da tensão de offset (desequilíbrio) da entrada do
amplificador operacional.
Esse ajuste tem por finalidade
Esse ajuste tem por finalidade
Provas
Questão presente nas seguintes provas
Cadernos
Caderno Container